AccueilProduitsTêtes de lecture à codage par transpondeur avec analyse externeCES Têtes de lectureCES-A-LMN-SC
CES-A-LMN-SC (N° de commande 077790)
Choisir le contenu
Tête de lecture CES-A-LMN-SC, connecteur M8
- Forme cylindrique M12
- Connecteur M8

Description
Combinaisons possibles
Convient au raccordement à un analyseur CES-AZ ou à un analyseur de terrain CES-FD
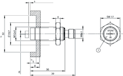
Attention : la zone de détection peut varier en fonction du matériau du support et de l’emplacement de montage.
Important : les actionneurs doivent être commandés séparément !
Zone de détection type
Une distance minimale de s = 1,2 mm doit être respectée.


Dessins cotés

| 1 | Face active |
| 1) | Zone de non influence (zone de la surface active sans environnement métallique) |
| m | Désaxage |
| s | Distance de lecture |
Exemples de connexion

Caractéristiques techniques
Autorisations


Puissance électrique connectée
| Alimentation | Par l’analyseur |
Valeurs mécaniques et environnement
| Type de connexion | Connecteur M8, 3 broches |
| Position de montage | Au choix |
| Température de stockage | -25 ... 85 °C |
| Longueur de câble | |
| maximal admissible | max. 15 m |
| Indice de protection | IP65 / IP67 / IP69 / IP69K |
| Pression ambiante | max. 10 bar (uniquement sur la face active à l’état monté) |
| Température ambiante | -25 ... 85 °C |
| Matériau | |
| Douille filetée | CuZn, nickelé |
| Capuchon | Plastique PBT GF20 |
| Mode de fonctionnement | Inductif |
Accessoires
Actionneur
Actionneur CES-A-BDA

156935
CES-A-BDA-18-156935
CES-A-BDA-18-156935
- Pour interrupteur de sécurité CES-C01
- Pour les systèmes de sécurité CES-AZ en combinaison avec les têtes de lecture CES-A- LNA et CES-A-LMN
- Forme ronde ø 18 mm
- Pour l’utilisation dans les applications à très fortes contraintes d’encombrement
- Montage autorisé sur métal ou plastique
- Installation affleurante autorisée uniquement sur plastique

084720
CES-A-BDA-20
CES-A-BDA-20
- Pour interrupteur de sécurité CES-A-.5...
- Pour les systèmes de sécurité CES-AZ en combinaison avec les têtes de lecture CES-A- LNA et CES-A-LMN
- Forme ronde ø 20 mm
- Pour l’utilisation dans les applications à très fortes contraintes d’encombrement
- Installation affleurante autorisée uniquement sur plastique
Matériel de raccordement
Câble de raccordement avec connecteur M8 coudé, 3 broches, 10 m

098590
C-M08F03-02X025PU10,0-ES-098590
C-M08F03-02X025PU10,0-ES-098590
- Connecteur femelle M8, 3 broches
- Connecteur coudé
- Sortie de câble C (côté gauche)
- Câble PUR
- Longueur de câble 10 m
- Avec extrémité de câble libre

084701
C-M08F03-02X025PV10,0-ES-084701
C-M08F03-02X025PV10,0-ES-084701
- Connecteur femelle M8, 3 broches
- Connecteur coudé
- Sortie de câble C (côté gauche)
- Câble PVC
- Longueur de câble 10 m
- Avec extrémité de câble libre
Téléchargements
Ensemble complet
Télécharger tous les documents importants en un seul clic.
Contient :
- Le mode d’emploi et, le cas échéant, compléments du mode d’emploi ou brèves instructions
- Le cas échéant, fiches techniques en complément du mode d’emploi
- La déclaration de conformité
Télécharger l’ensemble complet (ZIP, 15,2 MB)
Documents individuels
Déclarations de conformité
EU-Konformitätserklärung
N° doc.
Version
Langue
Taille
EU-Konformitätserklärung
N° doc.
EDC2077154
Version
Langue
Taille
0,2 MB
UKCA-Konformitätserklärung
N° doc.
Version
Langue
Taille
UKCA-Konformitätserklärung
N° doc.
EDC20001581
Version
Langue
Taille
0,2 MB
Instructions
Mode d’emploi Système de sécurité sans contact CES-AZ-AES-… (unicode)
N° doc.
Version
Langue
Taille
Mode d’emploi Système de sécurité sans contact CES-AZ-AES-… (unicode)
N° doc.
2104766
Version
14-10/25
Langue
Taille
1,7 MB
Operating Instructions Non-Contact Safety System CES-AZ-AES-… (Unicode)
N° doc.
2104766
Version
14-10/25
Langue
Taille
1,7 MB
Manual de instrucciones Sistema de seguridad sin contacto CES-AZ-AES-… (Unicode)
N° doc.
2104766
Version
14-10/25
Langue
Taille
1,7 MB
Betriebsanleitung Berührungsloses Sicherheitssystem CES-AZ-AES-… (Unicode)
N° doc.
2104766
Version
14-10/25
Langue
Taille
1,7 MB
Istruzioni di impiego Sistema di sicurezza senza contatto CES-AZ-AES-… (Unicode)
N° doc.
2104766
Version
14-10/25
Langue
Taille
1,7 MB
使用说明书 非接触式安全系统 CES-AZ-AES-… (特殊编码)
N° doc.
2104766
Version
14-10/25
Langue
Taille
2,0 MB
Návod k použití Bezkontaktní bezpečnostní systém CES-AZ-AES-… (Unicode)
N° doc.
2104766
Version
14-10/25
Langue
Taille
2,1 MB
Système de sécurité sans contact CES-AZ-UES-… (multicode)
N° doc.
Version
Langue
Taille
Système de sécurité sans contact CES-AZ-UES-… (multicode)
N° doc.
2105274
Version
13-07/21
Langue
Taille
1,9 MB
Non-Contact Safety System CES-AZ-UES-… (Multicode)
N° doc.
2105274
Version
13-07/21
Langue
Taille
1,9 MB
Sistema de seguridad sin contacto CES-AZ-UES-… (Multicode)
N° doc.
2105274
Version
13-07/21
Langue
Taille
1,9 MB
Berührungsloses Sicherheitssystem CES-AZ-UES-… (Multicode)
N° doc.
2105274
Version
13-07/21
Langue
Taille
1,9 MB
Sistema di sicurezza senza contatto CES-AZ-UES-… (Multicode)
N° doc.
2105274
Version
13-07/21
Langue
Taille
1,9 MB
非接触式安全系统 CES-AZ-UES-… (通用编码)
N° doc.
2105274
Version
13-07/21
Langue
Taille
2,0 MB
Bezkontaktní bezpečnostní systém CES-AZ-UES-… (Multicode)
N° doc.
2105274
Version
13-07/21
Langue
Taille
2,1 MB
Autres documents
Agréments et certificats
WEEE
N° doc.
Version
Langue
Taille
WEEE
N° doc.
ECO20001806
Version
Langue
Taille
0,1 MB
c UL us
N° doc.
Version
Langue
Taille
c UL us
N° doc.
Version
Langue
Taille
0,2 MB
Documents de vente
Flexibly safe - Transponder-coded safety systems CES
N° doc.
Version
Langue
Taille
Flexibly safe - Transponder-coded safety systems CES
N° doc.
120233
Version
06-06/22
Langue
Taille
7,3 MB
Macros ePlan
EUC.077790
N° doc.
Version
Langue
Taille
EUC.077790
N° doc.
Version
Langue
Taille
0,1 MB
Données de commande
| N° de commande | 077790 |
| Désignation article | CES-A-LMN-SC |
| Poids brut | 0,035kg |
| Code douanier | 85389099990 |
| ECLASS | 27-27-24-03 Safety-related transponder switch |







