AccueilProduitsTêtes de lecture à codage par transpondeur avec analyse externeCEM Têtes de lectureCEM-A-ME05K-S1
CEM-A-ME05K-S1 (N° de commande 109755)
Choisir le contenu
Électroaimant CEM avec interverrouillage
- Électroaimant pour l’interverrouillage de portes d’accès
- Force de maintien 650 N
- Avec rémanence
- Pas de contrôle d’interverrouillage, pas de surveillance de la position de la porte
- Raccordement par un connecteur M8

Description



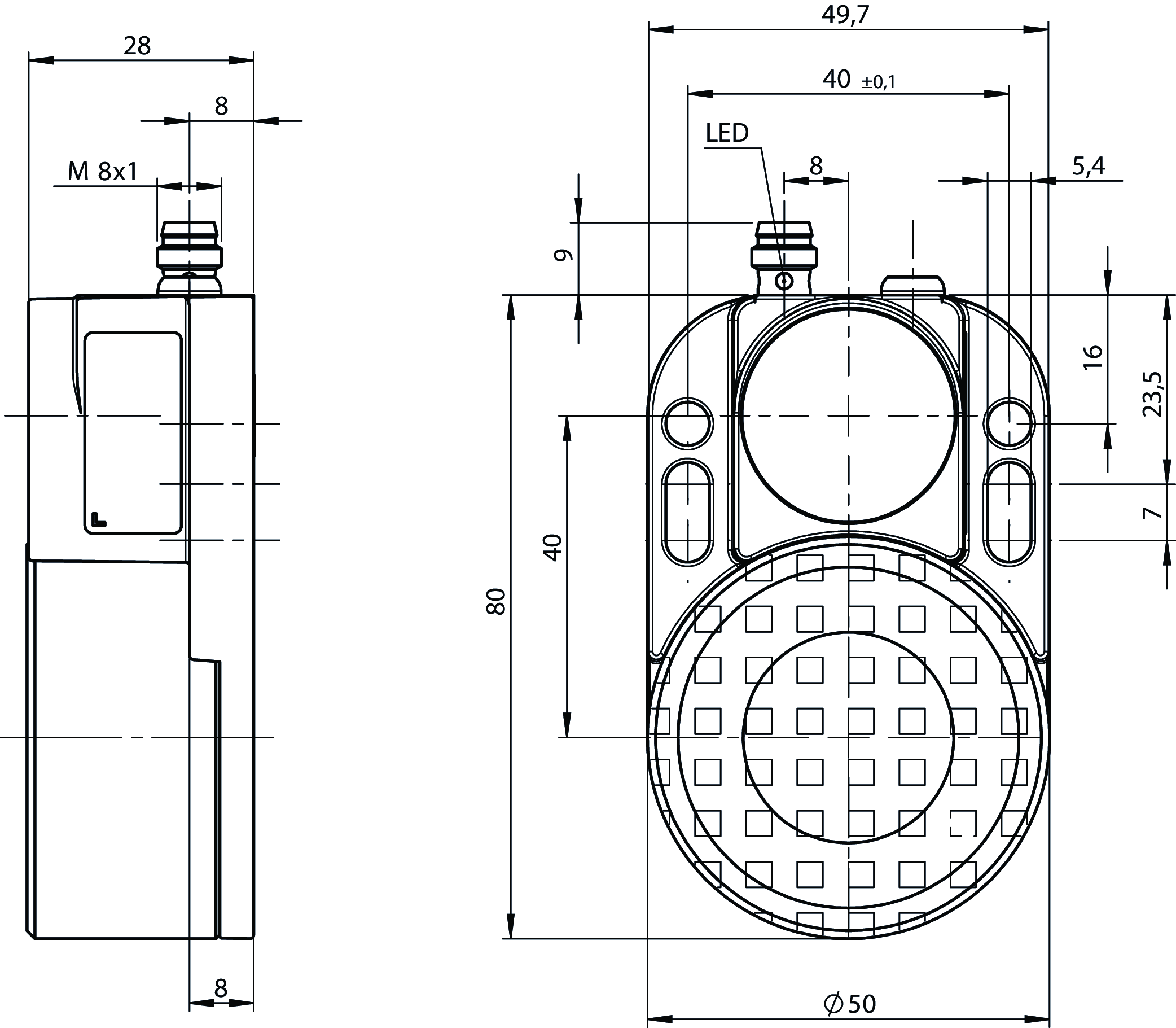
Dessins cotés

Exemples de connexion

Exemples de connexion

Caractéristiques techniques
Autorisations

Espace de travail
| Déport du centre | 2.5 mm |
Puissance électrique connectée
| Puissance absorbée | 2.5 W |
| Tension de service DC | |
| UCM | 24 V DC -15% ... +10% |
| Facteur de marche de l’électroaimant ED | 100 % |
| Consommation | |
| UB | 100 mA |
Valeurs mécaniques et environnement
| Type de connexion | |
| X1, électroaimant (LED jaune intégrée au connecteur) | Connecteur M8x1, 4 broches mâles (avec connecteur cranté / à vis) |
| Position de montage | Au choix |
| Force de maintien | |
| par rémanence | 10 N -25% ... +25% |
| Température de stockage | -25 ... 70 °C |
| Durée de vie mécanique | |
| en cas d’utilisation comme butée de porte et énergie d’impact d’2 joule | 1 x 10⁶ |
| Indice de protection | IP67 |
| Température ambiante | -25 ... 50 °C |
| Matériau | |
| Boîtier | aluminium moulé sous pression |
| Électroaimant | Acier, nickelé |
| Capot | Plastique (PPS) |
| Force de retenue F | |
| (non surveillée, dans la direction axiale) avec UCM=24 V | 650 N |
| Principe d’interverrouillage | Verrouillage sous tension |
Accessoires
Matériel de raccordement
Téléchargements
Ensemble complet
Télécharger tous les documents importants en un seul clic.
Contient :
- Le mode d’emploi et, le cas échéant, compléments du mode d’emploi ou brèves instructions
- Le cas échéant, fiches techniques en complément du mode d’emploi
- La déclaration de conformité
Télécharger l’ensemble complet (ZIP, 0,6 MB)
Documents individuels
Déclarations de conformité
EU-Konformitätserklärung
N° doc.
Version
Langue
Taille
EU-Konformitätserklärung
N° doc.
EDC2077154
Version
Langue
Taille
0,2 MB
UKCA-Konformitätserklärung
N° doc.
Version
Langue
Taille
UKCA-Konformitätserklärung
N° doc.
EDC20001581
Version
Langue
Taille
0,2 MB
Autres documents
Agréments et certificats
S-Mark
N° doc.
Version
Langue
Taille
S-Mark
N° doc.
Version
Langue
Taille
0,8 MB
WEEE
N° doc.
Version
Langue
Taille
WEEE
N° doc.
ECO20001806
Version
Langue
Taille
0,1 MB
c UL us
N° doc.
Version
Langue
Taille
c UL us
N° doc.
Version
Langue
Taille
0,3 MB
Documents de vente
Systèmes de sécurité à codage par transpondeur CEM avec verrouillage pour la protection du process
N° doc.
Version
Langue
Taille
Systèmes de sécurité à codage par transpondeur CEM avec verrouillage pour la protection du process
N° doc.
136680
Version
03-08/20
Langue
Taille
3,8 MB
Transponder-coded safety systems - CEM with guard locking for process protection
N° doc.
136679
Version
03-08/20
Langue
Taille
4,2 MB
Sistemas de seguridad codificados por transponder CEM con bloqueo para la protección de procesos
N° doc.
136681
Version
03-08/20
Langue
Taille
2,1 MB
Transpondercodierte Sicherheitssysteme - CEM mit Zuhaltung für den Prozessschutz
N° doc.
129544
Version
03-08/20
Langue
Taille
4,2 MB
Sistemi di sicurezza con codifica a transponder CEM con meccanismo di ritenuta per la protezione del processo
N° doc.
168668
Version
03-08/20
Langue
Taille
9,0 MB
Données de commande
| N° de commande | 109755 |
| Désignation article | CEM-A-ME05K-S1 |
| Poids brut | 0,419kg |
| Code douanier | 85365019000 |
| ECLASS | 27-27-24-05 Safety-related transponder switch with guardlocking |



