AccueilProduitsTêtes de lecture à codage par transpondeur avec analyse externeCEM Têtes de lectureCEM-A-LH10R-S3
CEM-A-LH10R-S3 (N° de commande 095793)
Choisir le contenu
Tête de lecture CEM-A-LH10R-S3 avec interverrouillage sans contrôle du verrouillage sans rémanence
- Tête de lecture avec interverrouillage sans contrôle du verrouillage
- Force de maintien 1000 N
- Sans rémanence
- Jusqu’à la catégorie 4 selon EN ISO 13849-1

Description
Combinaisons possibles
Convient au raccordement à un analyseur CES-AZ
Sans rémanence
Les têtes de lecture sans rémanence sont démagnétisées au moment de la coupure de l’électroaimant. La tension de service UB doit, pour ce faire, être appliquée en permanence.
Direction d’attaque
Zone de détection type
Tenir compte de la distance de déconnexion assurée sar = 20 mm en cas de panne interne d’un composant. Les sorties de sécurité sont coupées de manière sécurisée.



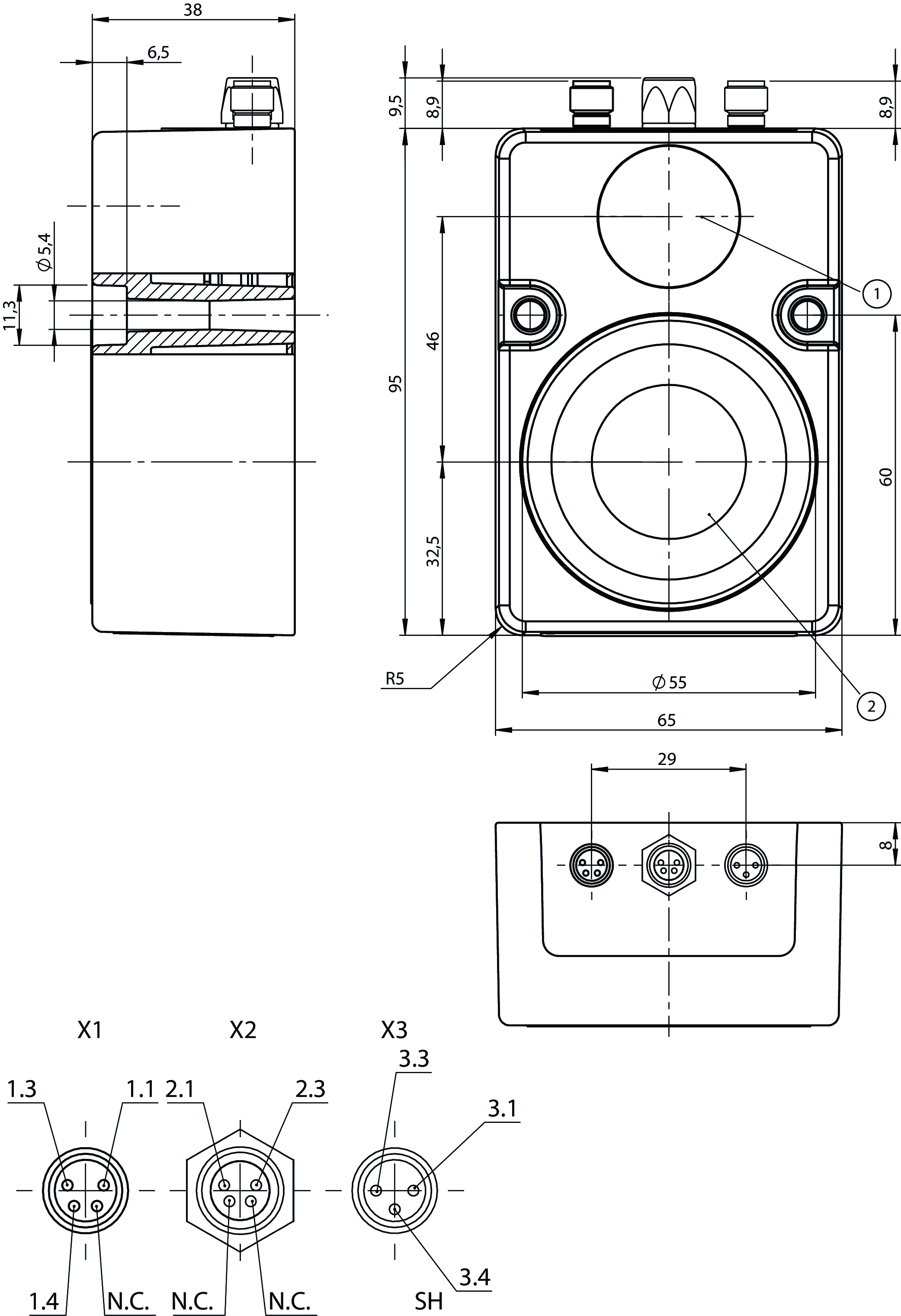
Dessins cotés

| 1 | face active tête de lecture |
| 2 | face active aimant |
Exemples de connexion

| Analyseur CES | |
| X1.1 | U |
| X1.2 | +U |
| X1.3 | 0V/GND |
| X1.4 | Terre fonctionnelle |
| X2.1 | LED + |
| X2.2 | - |
| X2.3 | LED 0 V |
| X2.4 | - |
| X3.1 | Câble données |
| X3.3 | Câble données |
| X3.4 | SH (blindage) |
Exemples de connexion

Caractéristiques techniques
Autorisations


Espace de travail
| Distance de déconnexion sécurisée sar | max. 20 mm |
| Distance de commutation assurée sao | |
| avec désaxage m= ± 2,5 mm | 0 mm |
| Déport du centre | -2.5 ... +2.5 mm |
| Hystérésis de commutation | |
| avec désaxage m=0 | 0.7 mm |
Puissance électrique connectée
| Puissance absorbée | 5.8 W |
| Tension de service DC | |
| UCM | 24 V DC -15% V DC ... +10% V DC |
| UB | 24 V DC -15% ... +10% |
| Facteur de marche de l’électroaimant ED | 100 % |
| Consommation | |
| sur UB avec UCM=0 V | 12 mA |
| sur UCM avec 24 V | 15 mA |
| sur UB avec UCM=24 V | 225 mA |
Valeurs mécaniques et environnement
| Type de connexion | |
| X1, électroaimant (LED jaune intégrée au connecteur) | Connecteur M8x1, 4 broches mâles (avec connecteur cranté / à vis) |
| X2, LED externe | Connecteur M8x1, 4 broches femelles (avec raccordement à vis) |
| X3, tête de lecture | Connecteur M8x1, 3 broches mâles (avec connecteur cranté / à vis) |
| Position de montage | Au choix |
| Fréquence de commutation | |
| Électroaimant | max. 2 Hz |
| Force de maintien | |
| par rémanence | 0.7 N |
| Température de stockage | -25 ... 70 °C |
| Longueur de câble | max. 25 m |
| Matériau de la tête de lecture | Plastique (PPS) |
| Durée de vie mécanique | |
| en cas d’utilisation comme butée de porte et énergie d’impact d’1 joule | 1 x 10⁶ |
| Indice de protection | IP67 |
| Température ambiante | -25 ... 50 °C |
| Matériau | |
| Tête de lecture | Plastique (PPS) |
| Boîtier | aluminium moulé sous pression |
| Électroaimant | Acier, nickelé |
| Force de retenue F | |
| (non surveillée, dans la direction axiale) avec UCM=24 V | 1000 N |
| Principe d’interverrouillage | Verrouillage sous tension |
Accessoires
Matériel de raccordement
Câble de raccordement avec connecteur M8, 4 broches, 10 m

088814
C-M08F04-04X025PV10,0-ES-088814
C-M08F04-04X025PV10,0-ES-088814
- Connecteur femelle M8, 4 broches
- Connecteur droit
- Câble PVC
- Longueur de câble 10 m
- Avec extrémité de câble libre

116050
C-M08F04-04X034PU10,0-ES-116050
C-M08F04-04X034PU10,0-ES-116050
- Connecteur femelle M8, 4 broches
- Connecteur droit
- Câble PUR
- Longueur de câble 10 m
- Avec extrémité de câble libre

088843
C-M08M04-04X025PV10,0-ES-088843
C-M08M04-04X025PV10,0-ES-088843
- Connecteur mâle M8, 4 broches
- Connecteur droit
- Câble PVC
- Longueur de câble 10 m
- Avec extrémité de câble libre
Téléchargements
Ensemble complet
Télécharger tous les documents importants en un seul clic.
Contient :
- Le mode d’emploi et, le cas échéant, compléments du mode d’emploi ou brèves instructions
- Le cas échéant, fiches techniques en complément du mode d’emploi
- La déclaration de conformité
Télécharger l’ensemble complet (ZIP, 1,3 MB)
Documents individuels
Déclarations de conformité
EU-Konformitätserklärung
N° doc.
Version
Langue
Taille
EU-Konformitätserklärung
N° doc.
EDC2077154
Version
Langue
Taille
0,2 MB
UKCA-Konformitätserklärung
N° doc.
Version
Langue
Taille
UKCA-Konformitätserklärung
N° doc.
EDC20001581
Version
Langue
Taille
0,2 MB
Instructions
Mode d’emploi Têtes de lecture / actionneurs CEM-A-…
N° doc.
Version
Langue
Taille
Mode d’emploi Têtes de lecture / actionneurs CEM-A-…
Operating Instructions Read Heads/Actuators CEM-A-…
Manual de instrucciones Cabezas de lectura/actuadores CEM-A-…
Istruzioni di impiego Testine di lettura/azionatori CEM-A-…
Operating Instructions Read Heads/Actuators CEM-A-…
Manual de instrucciones Cabezas de lectura/actuadores CEM-A-…
Istruzioni di impiego Testine di lettura/azionatori CEM-A-…
N° doc.
2114342
Version
09-02/25
Langue
Taille
2,2 MB
Betriebsanleitung Leseköpfe/Betätiger CEM-A-…
N° doc.
2114342
Version
09-02/25
Langue
Taille
0,5 MB
Autres documents
Agréments et certificats
S-Mark
N° doc.
Version
Langue
Taille
S-Mark
N° doc.
Version
Langue
Taille
0,8 MB
WEEE
N° doc.
Version
Langue
Taille
WEEE
N° doc.
ECO20001806
Version
Langue
Taille
0,1 MB
c UL us
N° doc.
Version
Langue
Taille
c UL us
N° doc.
Version
Langue
Taille
0,3 MB
Documents de vente
Données de commande
| N° de commande | 095793 |
| Désignation article | CEM-A-LH10R-S3 |
| Poids brut | 0,859kg |
| Code douanier | 85365019000 |
| ECLASS | 27-27-24-05 Safety-related transponder switch with guardlocking |




