AccueilProduitsTêtes de lecture à codage par transpondeur avec analyse externeCKS SerrureCKS-A-LA1-SC-171792
CKS-A-LA1-SC-171792 (N° de commande 171792)
Choisir le contenu
Serrure CKS, forme ronde
- Serrure avec tête de lecture CES intégrée
- Maintien mécanique de la clé insérée
- Indication par LED lorsque la clé est reconnue
- Raccordement aisé par connecteur M8
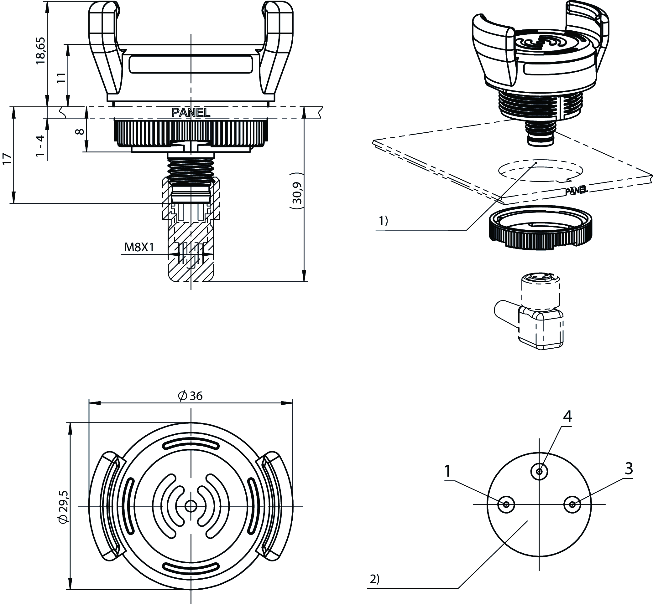
- Montage frontal ; découpe de montage Ø 22,5 mm

Description
Combinaisons possibles
Convient au raccordement à un analyseur CES-AZ ou à un analyseur de terrain CES-FD important : la serrure CKS ne doit pas être utilisée comme dispositif de consignation en combinaison avec une analyse multicode.
Important :les clés doivent être commandées séparément !




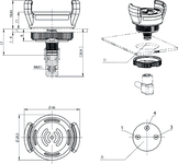
Dessins cotés

| 1) | Ouverture de montage Ø 22 selon IEC 60947-5-1 |
| 2) | Affectation des contacts vue du côté raccordement |
Dessins cotés

Dessins cotés

| 1) | Protection antitorsion |
| A | Orientation A (côté droit) |
| C | Orientation C (côté gauche) |
Exemples de connexion

| 1 | Analyseur CES-AZ-.ES ou CES-FD |
| 2 | Vue du côté connecteur M8 de la serrure |
Caractéristiques techniques
Autorisations


Espace de travail
| Distance de déconnexion sécurisée sar | |
| lorsque la clé est insérée en butée | max. 35 mm |
| Distance de commutation assurée sao | |
| lorsque la clé est insérée en butée | min. 2 mm |
| Hystérésis de commutation | 1 mm |
Eléments de commande et d'affichage
| Indicateur LED | Verte : clé valide reconnue |
Puissance électrique connectée
| Alimentation | Inductive par la tête de lecture |
Valeurs mécaniques et environnement
| Type de connexion | Connecteur M8, 3 broches |
| Couple de serrage | 1.1 ... 1.3 Nm |
| Position de montage | sur face avant |
| Température de stockage | -25 ... 70 °C |
| Longueur de câble | max. 25 m |
| Découpe de montage | D22 (EN IEC 60947-5-1) |
| Indice de protection | |
| à l’état monté | IP65 / IP67 / IP69 / IP69K |
| face arrière | IP20 |
| Température ambiante | -20 ... 55 °C |
| Matériau | |
| Boîtier | Plastique TPU, PBT |
| Mode de fonctionnement | Inductif |
Accessoires
Matériel de raccordement
Câble de raccordement avec connecteur M8 coudé, 3 broches, 10 m

098590
C-M08F03-02X025PU10,0-ES-098590
C-M08F03-02X025PU10,0-ES-098590
- Connecteur femelle M8, 3 broches
- Connecteur coudé
- Sortie de câble C (côté gauche)
- Câble PUR
- Longueur de câble 10 m
- Avec extrémité de câble libre

084701
C-M08F03-02X025PV10,0-ES-084701
C-M08F03-02X025PV10,0-ES-084701
- Connecteur femelle M8, 3 broches
- Connecteur coudé
- Sortie de câble C (côté gauche)
- Câble PVC
- Longueur de câble 10 m
- Avec extrémité de câble libre
Câble de raccordement avec connecteur M8 coudé, 3 broches, 25 m

120280
C-M08F03-02X025PU25,0-ES-120280
C-M08F03-02X025PU25,0-ES-120280
- Connecteur femelle M8, 3 broches
- Connecteur coudé
- Sortie de câble C (côté gauche)
- Câble PUR
- Longueur de câble 25 m
- Avec extrémité de câble libre

099998
C-M08F03-02X025PV25,0-ES-099998
C-M08F03-02X025PV25,0-ES-099998
- Connecteur femelle M8, 3 broches
- Connecteur coudé
- Sortie de câble C (côté gauche)
- Câble PVC
- Longueur de câble 25 m
- Avec extrémité de câble libre
Téléchargements
Ensemble complet
Télécharger tous les documents importants en un seul clic.
Contient :
- Le mode d’emploi et, le cas échéant, compléments du mode d’emploi ou brèves instructions
- Le cas échéant, fiches techniques en complément du mode d’emploi
- La déclaration de conformité
Télécharger l’ensemble complet (ZIP, 1,4 MB)
Documents individuels
Déclarations de conformité
EU-Konformitätserklärung
N° doc.
Version
Langue
Taille
EU-Konformitätserklärung
N° doc.
EDC2077154
Version
Langue
Taille
0,2 MB
UKCA-Konformitätserklärung
N° doc.
Version
Langue
Taille
UKCA-Konformitätserklärung
N° doc.
EDC20001581
Version
Langue
Taille
0,2 MB
Instructions
Mode d’emploi Serrure CKS-A-LA1-SC
N° doc.
Version
Langue
Taille
Mode d’emploi Serrure CKS-A-LA1-SC
Operating Instructions Key Adapter CKS-A-LA1-SC
Manual de instrucciones Módulo adaptador para llave CKS-A-LA1-SC
Betriebsanleitung Schlüsselaufnahme CKS-A-LA1-SC
Operating Instructions Key Adapter CKS-A-LA1-SC
Manual de instrucciones Módulo adaptador para llave CKS-A-LA1-SC
Betriebsanleitung Schlüsselaufnahme CKS-A-LA1-SC
N° doc.
MAN20001713
Version
01/24
Langue
Taille
1,2 MB
Betriebsanleitung Schlüsselaufnahme CKS-A-LA1-SC
N° doc.
MAN20001713
Version
01/24
Langue
Taille
0,3 MB
Autres documents
Agréments et certificats
FCC_CKS-A-L_2AJ58-23
N° doc.
Version
Langue
Taille
FCC_CKS-A-L_2AJ58-23
N° doc.
20001794
Version
Langue
Taille
0,5 MB
ISED_CKS-A-L_22052-23
N° doc.
Version
Langue
Taille
ISED_CKS-A-L_22052-23
N° doc.
20001792
Version
Langue
Taille
0,3 MB
UQS CKS…
N° doc.
Version
Langue
Taille
UQS CKS…
N° doc.
ECO2114539
Version
Langue
Taille
0,2 MB
WEEE
N° doc.
Version
Langue
Taille
WEEE
N° doc.
ECO20001806
Version
Langue
Taille
0,1 MB
c UL us
N° doc.
Version
Langue
Taille
c UL us
N° doc.
Version
Langue
Taille
0,3 MB
Données de commande
| N° de commande | 171792 |
| Désignation article | CKS-A-LA1-SC-171792 |
| Poids brut | 0,045kg |
| Code douanier | 85389099990 |
| ECLASS | 27-27-24-03 Safety-related transponder switch |







