MGB2-H-BA1B8-L-173095 (N° de commande 173095)
Module de poignée MGB2-H... (poignée de porte, avec dispositif de consignation automatique, verrouillable de l'intérieur en cas d'utilisation du déverrouillage interne, sur support de montage, butée de porte à gauche)
- Pêne intelligent
- Dispositif de consignation basculable
- 2ème dispositif de consignation à sortie automatique
- Verrouillable de l’intérieur
- Poignée de porte
- Support de montage
- Butée de porte : à gauche, non modifiable

Description
Verrouillable au moyen du déverrouillage interne
Le protecteur peut être ouvert puis refermé depuis l’intérieur de la zone de danger au moyen du déverrouillage interne. La fermeture depuis l’intérieur de la zone de danger entraîne l’activation des sorties de sécurité.
Important : la direction d’actionnement n’est pas modifiable. Poignée argent pour le déverrouillage interne fournie.
Pêne
Le pêne est détecté de manière sûre par transpondeur dès qu’il est introduit au niveau du module d’analyse.
Dispositif de consignation (à sortie automatique et basculable)
Le dispositif de consignation basculable permet de bloquer le pêne pour les opérations de nettoyage ou de maintenance à l’aide de max. 3 cadenas. Il empêche, en position sécurisée, tout actionnement de la poignée. Il est possible d’utiliser en plus le dispositif de consignation en option, qui sort automatiquement en actionnant la poignée, pour 3 cadenas supplémentaires.
Verrouillable de l’intérieur
Les modules de poignée dotés de cette fonction peuvent être remis en position fermée depuis l’intérieur de l’installation à l’aide d’un système de déverrouillage interne.
Poignée de porte
Le système MGB2 est équipé d’une solide poignée de porte.
Bouton de porte
Le module de poignée peut également être équipé d’origine ou ultérieurement d’un bouton de porte au lieu de la poignée.

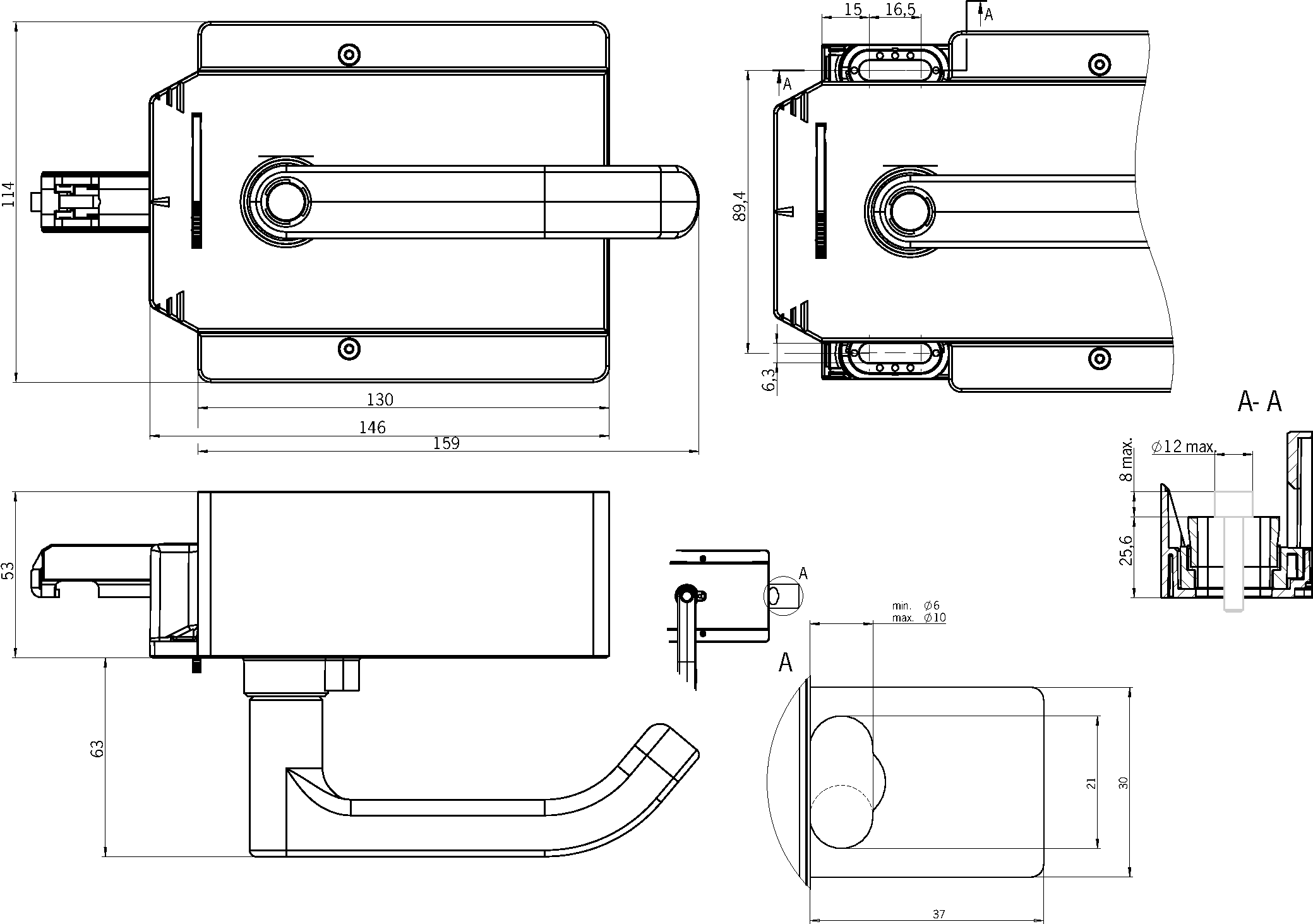
Dessins cotés

Caractéristiques techniques
Autorisations

Valeurs mécaniques et environnement
| Position de montage | Charnières DIN à gauche |
| Température de stockage | -30 ... 70 °C |
| Indice de protection | IP65 |
| Température ambiante | -30 ... 55 °C |
| Matériau | |
| Boîtier | Plastique renforcé avec des fibres de verre, zinc moulé sous pression, nickelé, acier inoxydable |
Divers
| Caractéristique supplémentaire | |
| Verrouillable au moyen du déverrouillage interne | |
| avec dispositif de consignation automatique | |
| avec support de montage |
Accessoires

MGB-E-A-100465
- Déverrouillage interne depuis la zone de danger
- Poignée de porte rouge sécurité
- Conçu pour profilés de porte jusqu’à 40 mm
- Axe rallongé pour portes plus épaisses (disponible en option)

MGB-E-A4-163885
- Déverrouillage interne depuis la zone de danger
- Poignée de porte rouge sécurité
- Conçu pour profilés de porte jusqu’à 45 mm
- Axe rallongé pour portes plus épaisses (disponible en option)

MGB-E-A2-106051
- Déverrouillage interne depuis la zone de danger
- Monté sur support de montage
- Poignée de porte rouge sécurité
- Conçu pour profilés de porte jusqu’à 40 mm
- Axe rallongé pour portes plus épaisses (disponible en option)

MGB-E-A8-126320
- Déverrouillage interne depuis la zone de danger
- Monté sur support de montage
- Bouton de porte rouge sécurité
- Conçu pour profilés de porte jusqu’à 40 mm
- Axe rallongé pour portes plus épaisses (disponible en option)
Téléchargements
Ensemble complet
Télécharger tous les documents importants en un seul clic.
Contient :
- Le mode d’emploi et, le cas échéant, compléments du mode d’emploi ou brèves instructions
- Le cas échéant, fiches techniques en complément du mode d’emploi
- La déclaration de conformité
Documents individuels
Autres documents
Données de commande
| N° de commande | 173095 |
| Désignation article | MGB2-H-BA1B8-L-173095 |
| Poids brut | 1,995kg |
| Code douanier | 85371098 |
| ECLASS | 27-27-24-04 Actuator for safety-related proximity switch |






