CES-AP-CR2-AH-L10-106191 (N° de commande 106191)
Interrupteur de sécurité CES-AP-CR2-..., RFID, câble de raccordement PVC
- Unicode
- Sortie de signalisation position porte OUT
- Câble de raccordement PVC, 10 m, extrémité libre, 6 conducteurs
- convient pour les basses températures ambiantes
- Charnières à droite

Description
Zone de détection type
(actionneur CES-A-BLN... avec l’interrupteur de sécurité CES-AP-C.2-... en cas de montage sur matériau plastique)
Afin de ne pas entrer dans la zone de détection des lobes secondaires, une distance minimale s = 6 mm doit être respectée entre l’actionneur et l’interrupteur de sécurité pour une approche latérale.
Attention :
La zone de détection peut varier en fonction de l’actionneur, du matériau du support et de l’emplacement de montage. Vous trouverez d’autres zones de détection dans le mode d’emploi.
Analyse Unicode
Chaque actionneur possède un niveau de codage élevé (unicode). L’interrupteur ne reconnaît que les actionneurs appris. L’apprentissage d’autres actionneurs est possible.
L’actionneur reconnu est toujours celui qui a été appris en dernier.
Valeurs caractéristiques relatives à la sécurité
Grâce à deux sorties de sécurité redondantes (sorties à semi-conducteurs) avec contrôle interne, l’appareil convient pour :
- Catégorie 4 / PL e selon EN 13849-1
- SIL 3 selon EN IEC 62061 Tableau 4
Les sorties OSSD utilisées contrôlent à l’aide d’impulsions de test leur fonction de détection des courts-circuits et les courts-circuits entre deux conducteurs.
Indication par LED
STATE | LED d’état |
DIA | LED de diagnostic |
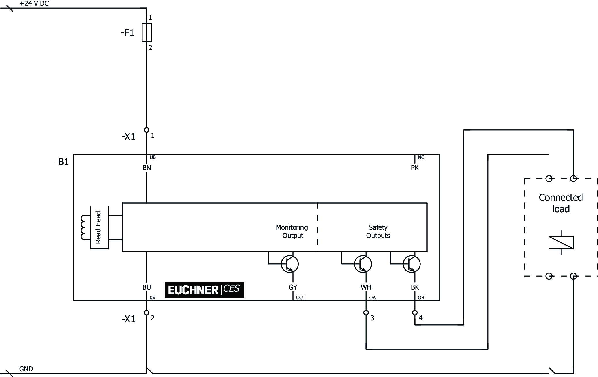
Affectation des broches
| Désignation | Fonction | Couleur du conducteur câble |
|---|---|---|
| UB | Tension de service électronique 24 V DC | BN |
| OA | Sortie de sécurité voie A | WH |
| 0 V | Masse 0 V DC | BU |
| OB | Sortie de sécurité voie B | BK |
| OUT | Sortie de signalisation | GY |
| - | n.c. | PK |
Contenu de la livraison
- 2 x vis de sécurité M4x14
Accessoires nécessaires
L’actionneur n'est pas fourni.


Dessins cotés

| 1 | Face active |
| 2 | Patte de fixation avec tôle de renfort |
| 3 | Indication d’état par LED |
| 4 | Face active |
Exemples de connexion

Caractéristiques techniques
Autorisations

Espace de travail
| Répétabilité R | |
| selon EN 60947-5-2 | 10 % |
Puissance électrique connectée
| Couverture | |
| externe (tension de service) | 0.25 ... 8 A |
| Tension assignée d’isolement Ui | 75 V |
| Tension de choc assignée Uimp | 1.5 kV |
| Tension de service DC | |
| UB | 24 V DC -15% ... +15% stabilisée, ondulation résiduelle<5 % |
| Temps d’activation | |
| Sorties de sécurité | max. 300 ms |
| Exigences de protection CEM | selon EN IEC 60947-5-3 |
| Catégorie d’emploi | |
| DC-13 | 24 V 150 mA (Attention : les sorties doivent être protégées par une diode de roue libre en cas de charges inductives.) |
| Durée du risque selon EN 60947-5-3 | max. 260 ms |
| Classe de protection | III |
| Consommation | max. 30 mA (sans prise en compte des courants de charge au niveau de la sortie de signalisation et des sorties de sécurité) |
| Degré de pollution (externe, selon EN 60947-1) | 3 |
| Sortie de signalisation OUT | |
| Type de sortie | PNP, protégées contre les courts-circuits |
| Tension de sortie | 0.8 x UB ... UB V DC |
| Courant de commutation | max. 50 mA |
| Sorties de sécurité OA / OB | |
| Type de sortie | Sorties à semi-conducteurs, PNP, protégées contre les courts-circuits |
| Tension de sortie | |
| HAUT U(OA,OB) | UB-1.5V ... UB V DC (Valeurs pour un courant de 50 mA sans prise en compte de la longueur de câble.) |
| BAS U(OA,OB) | 0 ... 1 V DC |
| Courant conditionnel de court-circuit | 100 A |
| Temps différentiel | max. 10 ms |
| Courant résiduel Ir | max. 0.25 mA |
| Courant de commutation | |
| par sortie de sécurité | 1 ... 150 mA |
| Durée de l'impulsion de test | max. 0.3 ms (Valable pour une charge avec C<= 30 nF et R<= 20 kΩ) |
| Intervalle des impulsions de test | min. 100 ms |
Valeurs mécaniques et environnement
| Type de connexion | Câble de raccordement PVC, longueur 10 m |
| Couple de serrage | |
| Vis de fixation | max. 1 Nm |
| Temporisation avant l’état prêt | 0.5 s |
| Rayon de courbure dynamique | 10 x diamètre de câble |
| Rayon de courbure statique | 5 x diamètre de câble |
| Position de montage | Au choix |
| Fréquence de commutation | max. 1 Hz |
| Température de stockage | -40 ... 70 °C |
| Distance de montage | |
| entre les interrupteurs | min. 400 mm |
| Type de montage | non affleurant sur métal |
| Résistance aux chocs et aux vibrations | selon EN IEC 60947-5-3 |
| Indice de protection | IP67 / IP69K |
| Température ambiante câble (dynamique) | 0 ... 65 °C |
| Température ambiante câble (statique) | -40 ... 65 °C |
| Matériau | |
| Boîtier | Plastique, PBT |
Valeurs caractéristiques selon EN ISO 13849-1 et EN IEC 62061
| PL | SIL maximal | PFHD | Catégorie | Durée d’utilisation | |
|---|---|---|---|---|---|
| Surveillance de la position du protecteur | PL e | - | 1.8x10-9 | 4 | 20 y |
Divers
| Avis pour l'homologation UL | Fonctionnement uniquement avec alimentation UL-Class 2 ou mesures équivalentes |
En combinaison avec les actionneurs CES-A-BLN-R2-100776, CES-A-BLN-U2-103450, CES-A-BLN-L2-104510, CES-A-BLN-U2-112710
| Distance de connexion | 15 mm |
| Distance de déconnexion sécurisée sar | |
| en sens x/z | 40 mm |
| en sens y | 60 mm |
| Distance de commutation assurée sao | min. 10 mm |
| Hystérésis de commutation | 1 ... 2 mm |
En combinaison avec l’actionneur CES-A-BDN-06-104730
| Distance de connexion | 19 mm |
| Distance de déconnexion sécurisée sar | |
| en sens y | 60 mm |
| en sens x/z | 40 mm |
| Distance de commutation assurée sao | min. 14 mm |
| Hystérésis de commutation | 1 ... 2 mm |
Téléchargements
Ensemble complet
Télécharger tous les documents importants en un seul clic.
Contient :
- Le mode d’emploi et, le cas échéant, compléments du mode d’emploi ou brèves instructions
- Le cas échéant, fiches techniques en complément du mode d’emploi
- La déclaration de conformité
Documents individuels
Autres documents
Données de commande
| N° de commande | 106191 |
| Désignation article | CES-AP-CR2-AH-L10-106191 |
| Poids brut | 0,435kg |
| Code douanier | 85365019000 |
| ECLASS | 27-27-24-03 Safety-related transponder switch |




