AccueilProduitsInterrupteurs de sécurité à codage par transpondeur avec interverrouillageCEM-C40CEM-AY-C40CEM-I2-AY-U-C40-SA-128103
CEM-I2-AY-U-C40-SA-128103 (N° de commande 128103)
Choisir le contenu
Interrupteur de sécurité à codage par transpondeur CEM-AY-C40
- Interrupteur de sécurité avec interverrouillage pour la protection du process et système d’analyse électronique intégré
- Aimant électromagnétique avec force de maintien de 600 N
- Réglage de la force de maintien selon 3 niveaux
- Détection des courts-circuits entre conducteurs
- 2 sorties de sécurité (sorties à semi-conducteur)
- Jusqu’à la catégorie 4 / PL e selon EN ISO 13849-1 pour la surveillance de la position de la porte
- Avec connecteur M12
- Unicode
- Sortie d’état de porte

Description
Analyse Unicode
Chaque actionneur possède un niveau de codage élevé (unicode). L’interrupteur ne reconnaît que les actionneurs appris. L’apprentissage d’autres actionneurs est possible. L’actionneur reconnu est toujours celui qui a été appris en dernier.
Mode d’interverrouillage
CEM‑I2 | Interverrouillage par énergie ON et déblocage par énergie OFF. |
Affectation des broches
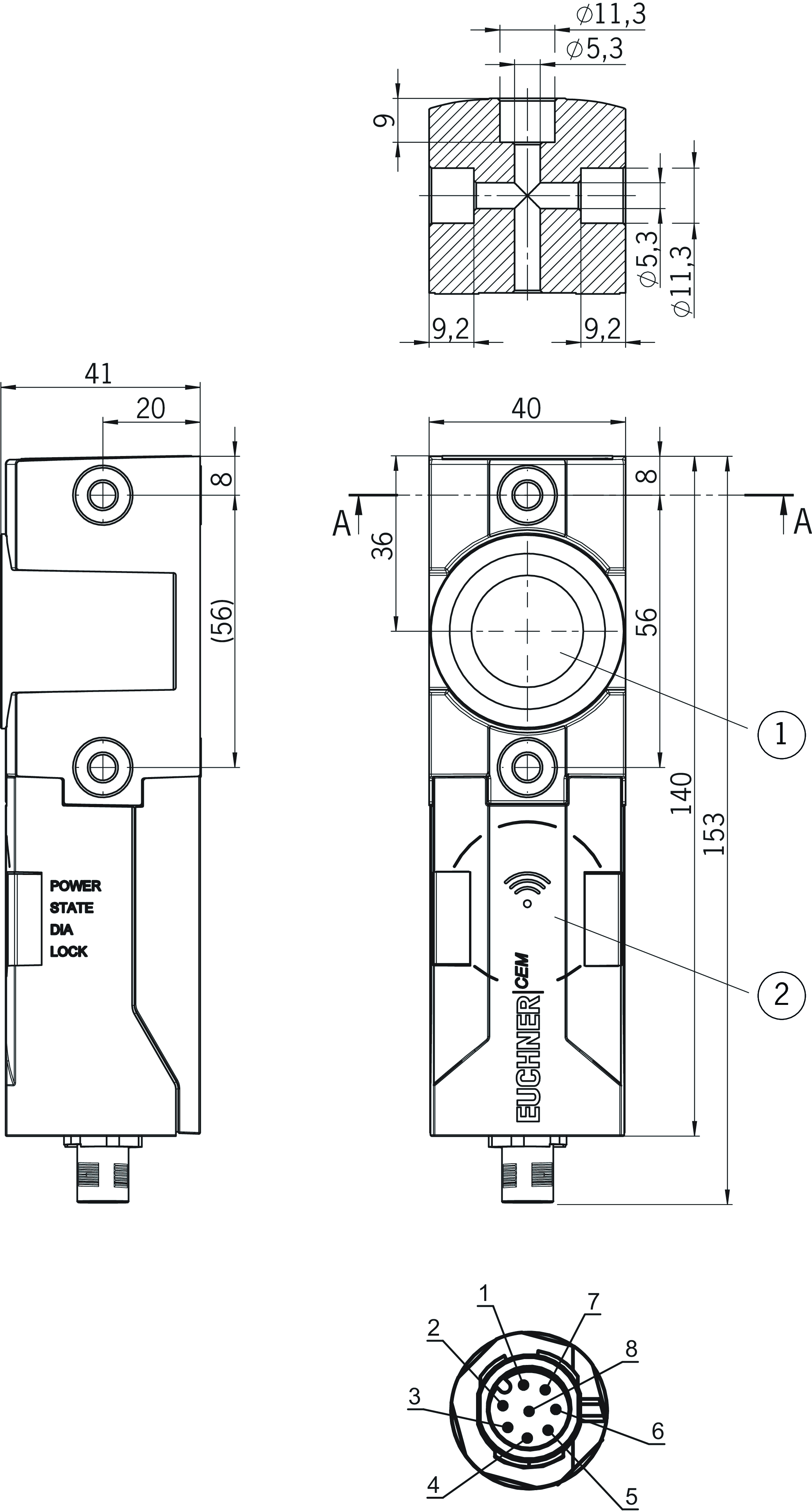
Dessins cotés

| 1 | Face active aimant |
| 2 | Face active tête de lecture |
Exemples de connexion

Caractéristiques techniques
Autorisations

Espace de travail
| Distance de déconnexion sécurisée sar | 18 mm |
| Déport du centre | |
| Électroaimant | 5 mm (dans toutes les directions) |
Puissance électrique connectée
| Couverture | |
| externe (tension de service UB) | 1 A |
| Courant conditionnel de court-circuit | 100 A |
| Tension assignée d’isolement Ui | 30 V |
| Tension de choc assignée Uimp | 0.5 kV |
| Tension de service | |
| DC | 24 V -15% ... +15% (PELV) |
| Temps différentiel | max. 10 ms |
| Temps d’activation | 700 ... 2500 ms (Valeur max., avec interverrouillage actif) |
| Exigences de protection CEM | selon EN IEC 60947-5-3 |
| Durée du risque selon EN 60947-5-3 | max. 260 ms |
| Classe de protection | III |
| Consommation | |
| I UB, interverrouillage actif | 350 mA (Sorties de signalisation hors charge) |
| I UB, interverrouillage inactif | 80 mA (Sorties de signalisation hors charge) |
| Durée de l'impulsion de test | max. 0.8 ms |
| Degré de pollution (externe, selon EN 60947-1) | 3 |
| OT, OI, OL | |
| Type de sortie | Sortie à semi-conducteurs, PNP, protégée contre les courts-circuits |
| Tension de sortie | 0.8 x UB ... UB V DC |
| Courant de commutation | |
| Par sortie de signalisation | max. 50 mA |
| FO1A/FO1B | |
| Type de sortie | Sorties à semi-conducteurs, PNP, protégées contre les courts-circuits |
| Tension de sortie | |
| HAUT U(FO1A) / U(FO1B) | UB - 1.5 ... UB V DC |
| BAS U(FO1A) / U(FO1B) | 0 ... 1 V DC |
| Catégorie d’emploi | |
| DC-13 | DC-13 24V 150mA (Attention : les sorties doivent être protégées par une diode de roue libre en cas de charges inductives) |
| Courant résiduel Ir | max. 0.25 mA |
| Fréquence de commutation électrique | max. 0.5 Hz |
| Courant de commutation | |
| par sortie | 1 ... 150 mA |
Valeurs mécaniques et environnement
| Type de connexion | Connecteur M12, 8 broches |
| Couple de serrage | |
| Vis de fixation | 4 Nm |
| Temporisation avant l’état prêt | 12 s |
| Position de montage | Au choix |
| Force de maintien | |
| Réglable | 0, ca. 30, ca. 50 (Auslieferungszustand 50 N) N |
| Température de stockage | -25 ... 70 °C |
| Durée de vie mécanique | |
| en cas d’utilisation comme butée de porte et énergie d’impact d’1 joule | 1 x 10⁶ |
| Résistance aux chocs et aux vibrations | selon EN IEC 60947-5-3 |
| Indice de protection | IP65 / IP67 (À l'état connecté et sécurisé) |
| Température ambiante | -20 ... 55 °C |
| Matériau | |
| Électroaimant | Acier nickelé |
| Boîtier | Aluminium |
| Tête de lecture | Plastique (PBT) |
| Force de retenue Fmax | |
| en direction axiale | 600 N (L’appareil signale lorsque la force de maintien est inférieure à 400 N.) |
Valeurs caractéristiques selon EN ISO 13849-1 et EN IEC 62061
| Durée d’utilisation | 20 y |
| Surveillance de la position du protecteur | |
| Catégorie | 4 |
| Niveau de performance | PL e |
| PFHD | 4,5 x 10-9 |
Accessoires
Accessoires de montage
Protection efficace contre les manipulations abusives pour la fixation des interrupteurs de sécurité

161344
AM-C-SW4-V3-161344
AM-C-SW4-V3-161344
- Inserts plastiques pour vis à six pans creux de 4 mm
- Protection efficace contre les manipulations abusives pour la fixation des interrupteurs de sécurité
- L’emballage contient des inserts pour 18 vis

161348
AM-C-SW5-V3-161348
AM-C-SW5-V3-161348
- Inserts plastiques pour vis à six pans creux de 5 mm
- Protection efficace contre les manipulations abusives pour la fixation des interrupteurs de sécurité
- L’emballage contient des inserts pour 18 vis
Matériel de raccordement
Câble de raccordement avec connecteur M12 coudé, 8 broches, 10 m

113188
C-M12F08-08X025PU10,0-MA-113188
C-M12F08-08X025PU10,0-MA-113188
- Connecteur femelle M12, 8 broches
- Connecteur coudé
- Orientation A (côté droit)
- Câble PUR
- Longueur de câble 10 m
- Avec extrémité de câble libre

113189
C-M12F08-08X025PU10,0-MA-113189
C-M12F08-08X025PU10,0-MA-113189
- Connecteur femelle M12, 8 broches
- Connecteur coudé
- Orientation C (côté gauche)
- Câble PUR
- Longueur de câble 10 m
- Avec extrémité de câble libre
Câble de raccordement avec connecteur M12 coudé, 8 broches, 20 m

120998
C-M12F08-08X025PU20,0-MA-120998
C-M12F08-08X025PU20,0-MA-120998
- Connecteur femelle M12, 8 broches
- Connecteur coudé
- Orientation A (côté droit)
- Câble PUR
- Longueur de câble 20 m
- Avec extrémité de câble libre

120999
C-M12F08-08X025PU20,0-MA-120999
C-M12F08-08X025PU20,0-MA-120999
- Connecteur femelle M12, 8 broches
- Connecteur coudé
- Orientation C (côté gauche)
- Câble PUR
- Longueur de câble 20 m
- Avec extrémité de câble libre
Téléchargements
Ensemble complet
Télécharger tous les documents importants en un seul clic.
Contient :
- Le mode d’emploi et, le cas échéant, compléments du mode d’emploi ou brèves instructions
- Le cas échéant, fiches techniques en complément du mode d’emploi
- La déclaration de conformité
Télécharger l’ensemble complet (ZIP, 7,0 MB)
Documents individuels
Déclarations de conformité
EU-Konformitätserklärung
N° doc.
Version
Langue
Taille
EU-Konformitätserklärung
N° doc.
EDC2539422
Version
Langue
Taille
0,2 MB
UKCA-Konformitätserklärung
N° doc.
Version
Langue
Taille
UKCA-Konformitätserklärung
N° doc.
EDC20001462
Version
Langue
Taille
0,1 MB
Instructions
Mode d’emploi Interrupteur de sécurité à codage par transpondeur, interverrouillage pour protection du process
CEM-AR Uni-/multicode
CEM-AY Unicode
N° doc.
Version
Langue
Taille
Mode d’emploi Interrupteur de sécurité à codage par transpondeur, interverrouillage pour protection du process
CEM-AR Uni-/multicode
CEM-AY Unicode
N° doc.
2124745
Version
07-12/25
Langue
Taille
2,1 MB
Operating Instructions Transponder-Coded Safety Switch, Guard Locking for Process Protection
CEM-AR Unicode/Multicode
CEM-AY Unicode
N° doc.
2124745
Version
07-12/25
Langue
Taille
2,1 MB
Manual de instrucciones Interruptor de seguridad codificado por transponder, bloqueo para la protección de procesos
CEM-AR Unicode/Multicode
CEM-AY Unicode
N° doc.
2124745
Version
07-12/25
Langue
Taille
2,1 MB
Betriebsanleitung Transpondercodierter Sicherheitsschalter, Zuhaltung für den Prozessschutz
CEM-AR Uni-/Multicode
CEM-AY Unicode
N° doc.
2124745
Version
07-12/25
Langue
Taille
2,1 MB
Istruzioni di impiego Finecorsa di sicurezza con codifica a transponder, meccanismo di ritenuta per la protezione del processo
CEM-AR Unicode/Multicode
CEM-AY Unicode
N° doc.
2124745
Version
07-12/25
Langue
Taille
2,1 MB
Kezelési utasítás Transzponderkódolású biztonsági kapcsoló, zárvatartó a folyamatvédelem számára
CEM-AR Uni-/multikód
CEM-AY Unikód
N° doc.
2124745
Version
07-12/25
Langue
Taille
2,6 MB
Autres documents
Agréments et certificats
WEEE
N° doc.
Version
Langue
Taille
WEEE
N° doc.
ECO20001806
Version
Langue
Taille
0,1 MB
c UL us
N° doc.
Version
Langue
Taille
c UL us
N° doc.
Version
Langue
Taille
0,3 MB
Documents de vente
Systèmes de sécurité à codage par transpondeur CEM avec verrouillage pour la protection du process
N° doc.
Version
Langue
Taille
Systèmes de sécurité à codage par transpondeur CEM avec verrouillage pour la protection du process
N° doc.
136680
Version
03-08/20
Langue
Taille
3,8 MB
Transponder-coded safety systems - CEM with guard locking for process protection
N° doc.
136679
Version
03-08/20
Langue
Taille
4,2 MB
Sistemas de seguridad codificados por transponder CEM con bloqueo para la protección de procesos
N° doc.
136681
Version
03-08/20
Langue
Taille
2,1 MB
Transpondercodierte Sicherheitssysteme - CEM mit Zuhaltung für den Prozessschutz
N° doc.
129544
Version
03-08/20
Langue
Taille
4,2 MB
Sistemi di sicurezza con codifica a transponder CEM con meccanismo di ritenuta per la protezione del processo
N° doc.
168668
Version
03-08/20
Langue
Taille
9,0 MB
Macros ePlan
EUC.128103
N° doc.
Version
Langue
Taille
EUC.128103
N° doc.
Version
Langue
Taille
0,1 MB
Données de commande
| N° de commande | 128103 |
| Désignation article | CEM-I2-AY-U-C40-SA-128103 |
| Poids brut | 0,751kg |
| Code douanier | 85365019000 |
| ECLASS | 27-27-24-05 Safety-related transponder switch with guardlocking |









