AccueilProduitsInterrupteurs de position et boîtiers multipistesBoîtiers multipistes verticaux SNSN02K08-MC1094
SN02K08-MC1094 (N° de commande 088131)
Choisir le contenu
Série SN... 8 mm mécanique
- Pas entre les poussoirs 8 mm
- Modèle de boîtier vertical, sans bride
- Indice de protection IP67 selon la norme IEC 60529

Description
Éléments de commutation
ES 552 | Élément de contact à action brusque, 1 contact inverseur standard |
ES 614 | Élément de contact à action brusque, 1 contact inverseur adapté aux courants faibles |



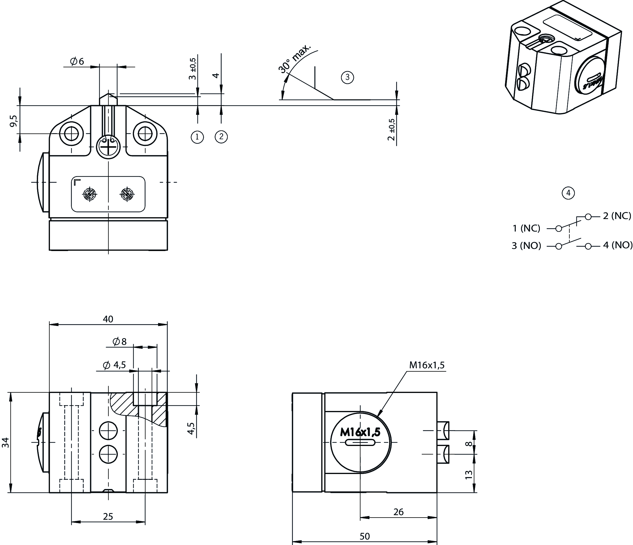
Dessins cotés

| 1 | Point d’action |
| 2 | Position de repos max. |
| 3 | Came |
| 4 | Élément de commutation : ES558 à action brusque 1 contact F + 1 contact O |
Exemples de connexion

Exemples de connexion

Caractéristiques techniques
Autorisations


Puissance électrique connectée
| Couverture | max. 10 A gG |
| Section de raccordement | 0.14 ... 1.0 mm² (Connexion soudée) |
| Tension assignée d’isolement Ui | 250 V |
| Tension de choc assignée Uimp | 2.5 kV |
| Catégorie d’emploi | |
| AC-15 | 4 A 230 V |
| DC-13 | 3 A 24 V |
| Courant de commutation | |
| min. à DC 5 V | min. 10 mA |
| Courant assigné thermique Ith | 10 A |
Valeurs mécaniques et environnement
| Anfahrgeschwindigkeit | 0.01 ... 8 m/min |
| Type de connexion | 2 x M16 x 1,5 |
| Nombre de contacts à ouverture | 2 |
| Nombre d’éléments de commutation | 2 |
| Nombre de contacts à fermeture | 2 |
| Modèle | vertical |
| Élément d’actionnement | Poussoir à bille |
| Force d’actionnement | 15 ... 20 N |
| Position de montage | Au choix |
| Température de stockage | -25 ... 80 °C |
| Durée de vie mécanique | 10 x 10⁶ |
| Principe de commutation | Élément de contact à action brusque |
| Point d’action | 2.95 ... 3 ... 3.5 |
| Précision de répétabilité du point d’action | ± 0,03 (La précision de répétabilité du point d’action se réfère à la course axiale du poussoir et à l’élément de commutation ayant fait l’objet d’environ 2 000 manœuvres d’insertion.) |
| Indice de protection | IP67 |
| Pas entre les poussoirs | 8 mm |
| Température ambiante | -5 ... 80 °C |
| Matériau | |
| Boîtier | Aluminium moulé sous pression anodisé |
| Contact | Argent pur (Ag) |
Divers
| Numéro C | |
| C1094 |
Téléchargements
Ensemble complet
Télécharger tous les documents importants en un seul clic.
Contient :
- Le mode d’emploi et, le cas échéant, compléments du mode d’emploi ou brèves instructions
- Le cas échéant, fiches techniques en complément du mode d’emploi
- La déclaration de conformité
Télécharger l’ensemble complet (ZIP, 2,4 MB)
Documents individuels
Déclarations de conformité
EU-Konformitätserklärung
N° doc.
Version
Langue
Taille
EU-Konformitätserklärung
N° doc.
EDC2539628
Version
Langue
Taille
0,2 MB
UKCA-Konformitätserklärung
N° doc.
Version
Langue
Taille
UKCA-Konformitätserklärung
N° doc.
EDC20001551
Version
Langue
Taille
0,1 MB
Instructions
Mode d’emploi Boîtiers multipistes de précision GL, GS, SB, SN 8 mm
N° doc.
Version
Langue
Taille
Mode d’emploi Boîtiers multipistes de précision GL, GS, SB, SN 8 mm
N° doc.
2076050
Version
07/24
Langue
Taille
0,4 MB
Operating instructions Precision Multiple Limit Switches GL, GS, SB, SN 8 mm
Betriebsanleitung Präzisions-Reihengrenztaster GL, GS, SB, SN 8 mm
Betriebsanleitung Präzisions-Reihengrenztaster GL, GS, SB, SN 8 mm
N° doc.
2076050
Version
07/24
Langue
Taille
0,8 MB
Manual de instrucciones Final de carrera múltiple de precisión GL, GS, SB, SN 8 mm
N° doc.
2076050
Version
07/24
Langue
Taille
0,4 MB
Betriebsanleitung Präzisions-Reihengrenztaster GL, GS, SB, SN 8 mm
N° doc.
2076050
Version
07/24
Langue
Taille
0,4 MB
Istruzioni di impiego Finecorsa multipli di precisione GL, GS, SB, SN 8 mm
N° doc.
2076050
Version
07/24
Langue
Taille
0,4 MB
Autres documents
Agréments et certificats
CCC
N° doc.
Version
Langue
Taille
CCC
N° doc.
20001753
Version
Langue
Taille
0,0 MB
WEEE
N° doc.
Version
Langue
Taille
WEEE
N° doc.
ECO20001806
Version
Langue
Taille
0,1 MB
c UL us
N° doc.
Version
Langue
Taille
c UL us
N° doc.
Version
Langue
Taille
0,3 MB
Documents de vente
Interrupteurs de position et boîtiers multipistes
N° doc.
Version
Langue
Taille
Interrupteurs de position et boîtiers multipistes
N° doc.
157837
Version
01-03/18
Langue
Taille
4,1 MB
Position Switches and Multiple Limit Switches
N° doc.
157836
Version
01-03/18
Langue
Taille
4,1 MB
Positionsschalter und Reihengrenztaster
N° doc.
157835
Version
01-03/18
Langue
Taille
4,1 MB
Données de commande
| N° de commande | 088131 |
| Désignation article | SN02K08-MC1094 |
| Poids brut | 0,143kg |
| Code douanier | 85365019000 |
| ECLASS | 27-27-06-02 Multi-position switch |
