ES-XA1E-BV3U02R (N° de commande 106435)
Choisir le contenu
Arrêt d’urgence ES-XA à encastrer 16 mm
- Réinitialisation en tirant ou en tournant
- Partie inférieure de boîtier jaune
- Bouton de commande rouge ø 29 mm
- Connexion soudée

Description
Remarques
- Dispositif d’arrêt d’urgence accroché par pression, réarmé par rotation ou par traction, protégé contre les manipulations intempestives
Élément de commutation
- 2 contacts à ouverture positive, contact à ouverture positive



Dessins fonctionnels

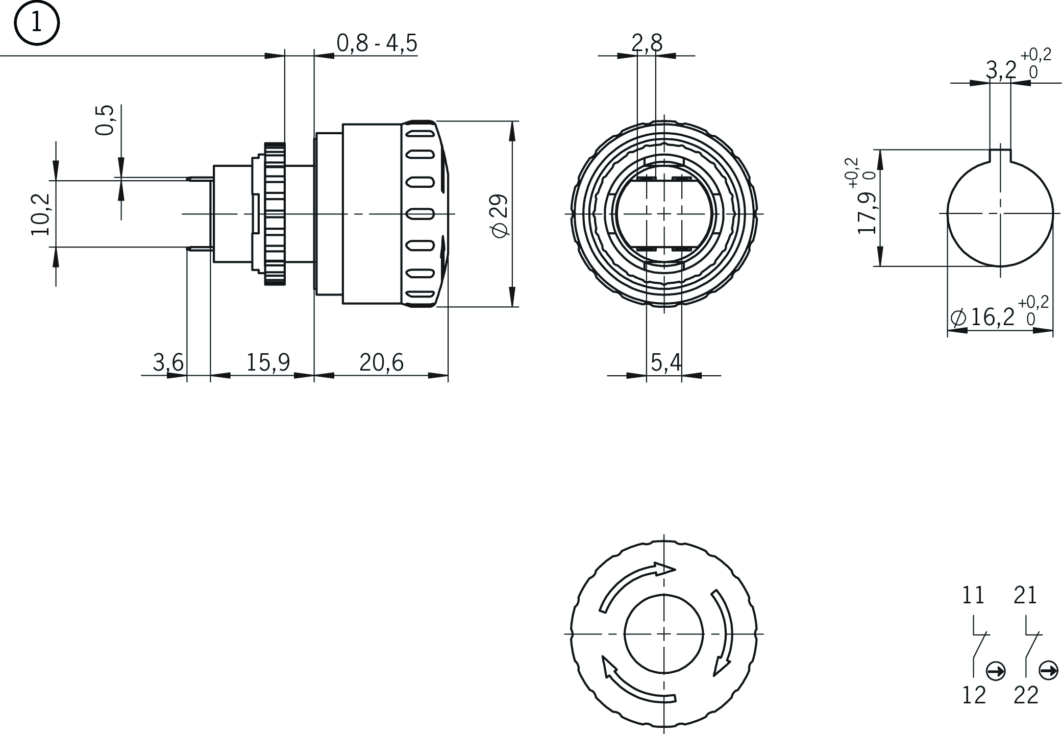
Dessins cotés

| 1 | Épaisseur du pupitre |
Caractéristiques techniques
Autorisations


Puissance électrique connectée
| Tension assignée d’isolement Ui | 250 V |
| Catégorie d’emploi | |
| DC-13 | 3 A 24 V |
| Courant de commutation | |
| min. à 24 V | 10 mA |
| Courant assigné thermique Ith | 1 A |
Valeurs mécaniques et environnement
| Type de connexion | Connexion soudée |
| Nombre de contacts à ouverture positive | 2 |
| Température de stockage | -25 ... 70 °C |
| Durée de vie mécanique | 0.25 x 10⁶ |
| Découpe de montage | D22 (EN IEC 60947-5-1) |
| Indice de protection | IP65 |
| Température ambiante | -25 ... 60 °C |
| Matériau | |
| Bouton | Thermoplastique renforcé avec des fibres de verre |
| Boîtier | Polycarbonate |
| Contact | Alliage argent, doré par soufflage |
Valeurs caractéristiques selon EN ISO 13849-1 et EN IEC 62061
| B10D | Durée d’utilisation | |
|---|---|---|
| Arrêt d’urgence | 0.1x106 | 20 y |
Divers
| Couleur | |
| Partie inférieure | jaune |
| Bouton d’actionnement | rouge |
| Caractéristique supplémentaire | |
| Bouton de commande Ø 29 mm | |
| Réinitialisation en tirant ou en tournant | |
| Forme courte |
Téléchargements
Ensemble complet
Télécharger tous les documents importants en un seul clic.
Contient :
- Le mode d’emploi et, le cas échéant, compléments du mode d’emploi ou brèves instructions
- Le cas échéant, fiches techniques en complément du mode d’emploi
- La déclaration de conformité
Télécharger l’ensemble complet (ZIP, 1,3 MB)
Documents individuels
Déclarations de conformité
EU-Konformitätserklärung
N° doc.
Version
Langue
Taille
EU-Konformitätserklärung
N° doc.
EDC2105755
Version
Langue
Taille
0,1 MB
UKCA-Konformitätserklärung
N° doc.
Version
Langue
Taille
UKCA-Konformitätserklärung
N° doc.
EDC20001636
Version
Langue
Taille
0,2 MB
Instructions
Mode d’emploi Bouton-poussoir d’arrêt d’urgence ES-XA
N° doc.
Version
Langue
Taille
Mode d’emploi Bouton-poussoir d’arrêt d’urgence ES-XA
N° doc.
2512320
Version
07/25
Langue
Taille
0,4 MB
Operating Instructions Emergency Stop Pushbutton ES-XA
N° doc.
2512320
Version
07/25
Langue
Taille
0,4 MB
Manual de instrucciones Pulsador de parada de emergencia ES-XA
N° doc.
2512320
Version
07/25
Langue
Taille
0,4 MB
Betriebsanleitung Not-Halt-Drucktaster ES-XA
N° doc.
2512320
Version
07/25
Langue
Taille
0,4 MB
Autres documents
Agréments et certificats
TUEV Süd München
N° doc.
Version
Langue
Taille
TUEV Süd München
N° doc.
Version
Langue
Taille
0,4 MB
WEEE
N° doc.
Version
Langue
Taille
WEEE
N° doc.
ECO20001806
Version
Langue
Taille
0,1 MB
c UL us
N° doc.
Version
Langue
Taille
c UL us
N° doc.
Version
Langue
Taille
0,3 MB
Documents de vente
Commandes d’Assentiment ZS
N° doc.
Version
Langue
Taille
Commandes d’Assentiment ZS
N° doc.
097367
Version
09-02/21
Langue
Taille
10,2 MB
Dispositifs d‘arrêt d‘urgence/interrupteurs à câble
N° doc.
Version
Langue
Taille
Dispositifs d‘arrêt d‘urgence/interrupteurs à câble
N° doc.
116529
Version
06-06/16
Langue
Taille
1,8 MB
Emergency Stop Devices/Rope Pull Switches
N° doc.
116448
Version
06-06/16
Langue
Taille
1,8 MB
Dispositivos de parada de emergencia / Interruptores de accionamiento por cable
N° doc.
116530
Version
06-06/16
Langue
Taille
1,8 MB
Not-Halt-Geräte/Seilzugschalter
N° doc.
106210
Version
06-06/16
Langue
Taille
1,8 MB
Enabling switches ZS
N° doc.
Version
Langue
Taille
Enabling switches ZS
N° doc.
095690
Version
09-02/21
Langue
Taille
10,1 MB
Zustimmtaster ZS
N° doc.
Version
Langue
Taille
Zustimmtaster ZS
N° doc.
095689
Version
09-02/21
Langue
Taille
10,2 MB
Données de commande
| N° de commande | 106435 |
| Désignation article | ES-XA1E-BV3U02R |
| Poids brut | 0,021kg |
| Code douanier | 85365019000 |
| ECLASS | 27-37-12-44 EMERGENCY-STOP pushbutton, complete device |



