ZSM2200-105308 (N° de commande 105308)
ZSM, LED, boutons + et -, sélecteur
- Fonction à 3 positions
- Indication par LED
- Boutons + et –
- Sélecteur
- Câble de raccordement droit, 5 m

Description
Fonction à 3 positions
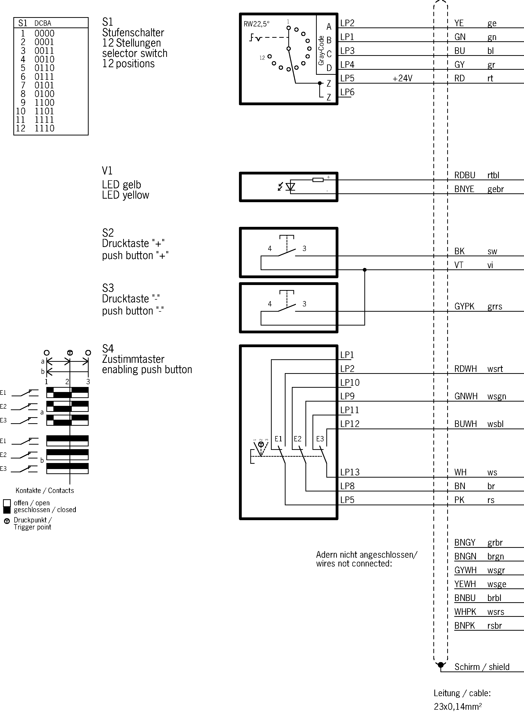
La fonction d’assentiment n’est active qu’à la deuxième position (position centrale, point de déclenchement). Lorsque le bouton est relâché ou complètement enfoncé (fonction de crispation), l’assentiment est annulé (dépend du câblage, voir le fonctionnement).
Indication par LED
L’indication par LED sert à envoyer un signal de rétroaction optique direct au niveau de la commande d’assentiment.
Boutons + et –
Ces boutons peuvent être attribués séparément. Par exemple, pour déplacer les axes dans la direction positive ou négative.
Sélecteur
Selon les besoins, les positions réglables peuvent être utilisées pour sélectionner les axes, la vitesse ou la zone.
Câble
Les câbles de raccordement de haute qualité sont disponibles en version droite.




Dessins cotés

Exemples de connexion

Exemples de connexion

Exemples de connexion

Caractéristiques techniques
Autorisations


Eléments de commande et d'affichage
| Repère | Couleur | Extras | Élément de commutation | Version | Étiquette amovible | Remarque étiquette amovible | Nombre | Désignation1 | LED |
|---|---|---|---|---|---|---|---|---|---|
| Bouton-poussoir + | 1 | ||||||||
| jaune | LED | 1 | |||||||
| Sélecteur, 12 positions | 1 | ||||||||
| Bouton-poussoir - | 1 |
Puissance électrique connectée
| Couverture | max. 2 A gG |
| Câble de raccordement | 23x0,14 mm² (blindé) |
| Courant conditionnel de court-circuit | 100 A |
| Tension assignée d’isolement Ui | 50 V |
| Tension de choc assignée Uimp | 0.5 kV |
| Catégorie d’emploi | |
| DC-13 | 24 V 0,3 A (Pour éléments de commande supplémentaires) |
| DC-13 | 24 V 0,01 A (Pour éléments de signalisation supplémentaires) |
| DC-13 | 30 V 0,1 A (Pour commande d’assentiment, attention : les sorties doivent être protégées par une diode de roue libre en cas de charges inductives.) |
| Schéma de commutation | Commande d’assentiment à 3 positions |
| Degré de pollution (externe, selon EN 60947-1) | 3 |
Valeurs mécaniques et environnement
| Type de connexion | Extrémité de câble libre |
| Nombre d’inverseurs | 3 (Branchement selon le schéma électrique) |
| Température de stockage | -25 ... 70 °C |
| Longueur de câble | |
| droite | 5 m |
| Durée de vie mécanique | 1 x 10⁶ |
| Principe de commutation | Élément de contact à action brusque |
| Indice de protection | IP54 |
| Température ambiante | -5 ... 60 °C |
| Matériau | PA, CR, TPE (à faible teneur en PAK) |
Valeurs caractéristiques selon EN ISO 13849-1 et EN IEC 62061
| B10D | Durée d’utilisation | |
|---|---|---|
| Commande d’assentiment | 0.1x106 | 20 y |
Divers
| Normes respectées | 60947-5-8 |
Accessoires
Téléchargements
Ensemble complet
Télécharger tous les documents importants en un seul clic.
Contient :
- Le mode d’emploi et, le cas échéant, compléments du mode d’emploi ou brèves instructions
- Le cas échéant, fiches techniques en complément du mode d’emploi
- La déclaration de conformité
Documents individuels
Operating Instructions Enabling Switch ZSM
Manual de instrucciones Pulsador de validación ZSM
Betriebsanleitung Zustimmtaster ZSM
Autres documents
Données de commande
| N° de commande | 105308 |
| Désignation article | ZSM2200-105308 |
| Poids brut | 0,83kg |
| Code douanier | 85371098 |
| ECLASS | 27-37-12-38 Agreement switch |



