BETAETIGER-S-WQ-SN-C2498 (N° de commande 158407)
Choisir le contenu
Languette S coudée pour interrupteurs de sécurité SGA-EX/STA-EX
- Deux vis de sécurité fournies
- Rayon de porte minimum 300 mm

Description
Avis
Les languettes S-...-SN ne doivent pas être associées aux modules d’insertion. Les modules d’insertion doivent être utilisés avec des languettes S-...-LN.
Vis en acier inoxydable
Les vis de sécurité fournies peuvent être serrées à l’aide d’un outil standard mais ne peuvent en revanche plus être dévissées par la suite.

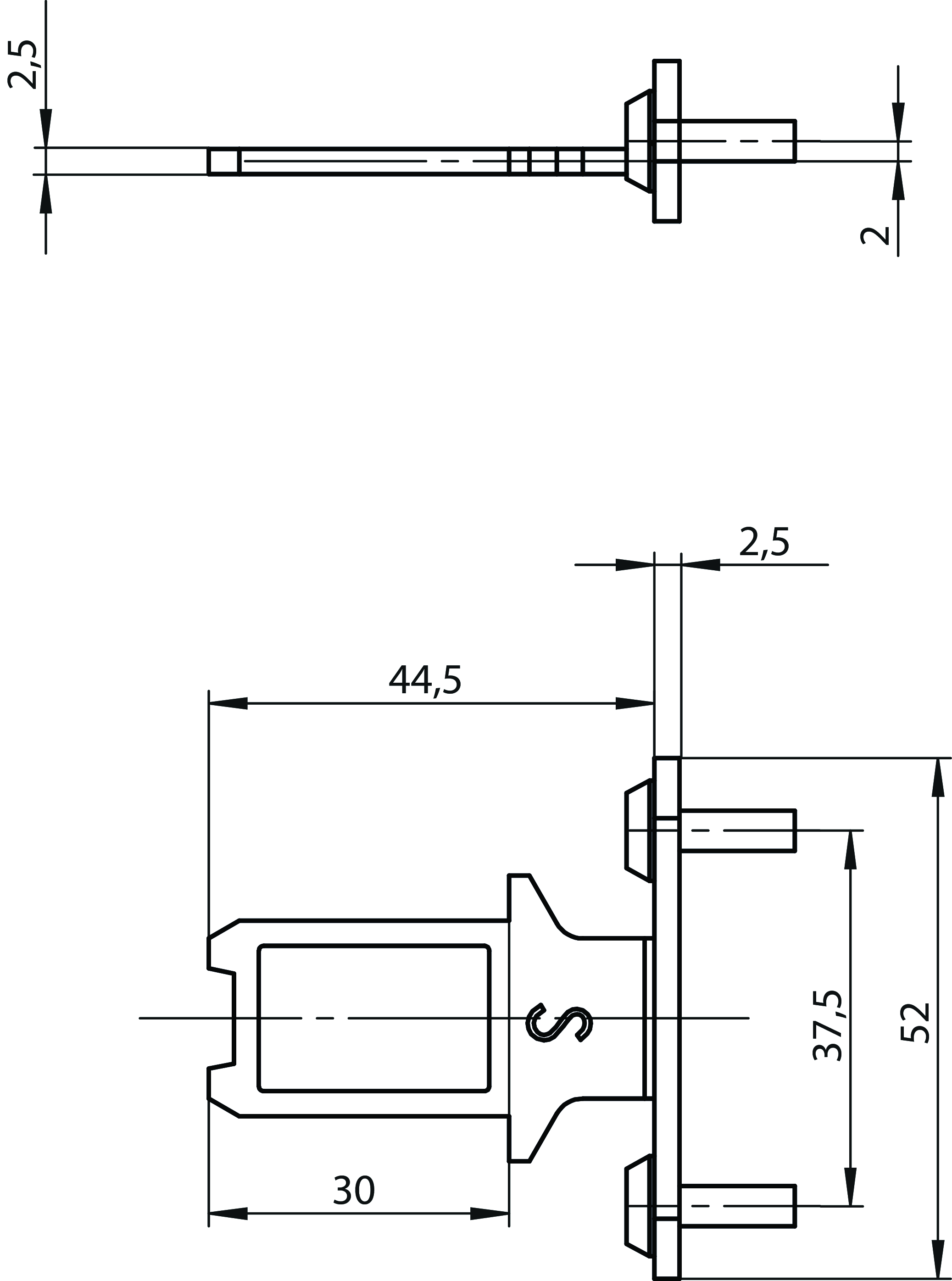
Dessins cotés

Caractéristiques techniques
Valeurs mécaniques et environnement
| Température de stockage | -25 ... 70 °C |
| Surcourse | max. 5 mm |
| Rayon de porte | min. 300 mm |
| Matériau | |
| Vis | Acier, inoxydable |
| Actionneur | Acier, inoxydable |
| Force de retenue Fmax | max. 2000 N Force de maintien réduite par l’actionneur |
Divers
| Numéro C | |
| C2498 | sans silent-blocks ni goupilles élastiques et avec alésages de fixation Ø 4,4 |
| Possibilité d’utilisation d’un module d’insertion | non |
Accessoires
Téléchargements
Ensemble complet
Télécharger tous les documents importants en un seul clic.
Contient :
- Le mode d’emploi et, le cas échéant, compléments du mode d’emploi ou brèves instructions
- Le cas échéant, fiches techniques en complément du mode d’emploi
- La déclaration de conformité
Télécharger l’ensemble complet (ZIP, 0,1 MB)
Données de commande
| N° de commande | 158407 |
| Désignation article | BETAETIGER-S-WQ-SN-C2498 |
| Poids brut | 0,023kg |
| Code douanier | 85389099990 |
| ECLASS | 27-27-26-06 Actuator for safety-related position switch |
