ES-HNAV-0 (N° de commande 157256)
Choisir le contenu
Plaquette arrêt d’urgence -sans inscription- pour boutons de 40 mm pour ES-XN
- Plaquette arrêt d’urgence -sans inscription- pour boutons de 40 mm pour ES-XN

Description

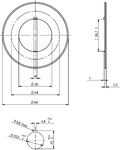
Dessins cotés

Caractéristiques techniques
Valeurs mécaniques et environnement
| Température de stockage | -25 ... 70 °C |
Divers
| Type de composant | Plaquette arrêt d’urgence pour boutons de 40 mm pour ES-XN sans inscription. |
Téléchargements
Ensemble complet
Télécharger tous les documents importants en un seul clic.
Contient :
- Le mode d’emploi et, le cas échéant, compléments du mode d’emploi ou brèves instructions
- Le cas échéant, fiches techniques en complément du mode d’emploi
- La déclaration de conformité
Télécharger l’ensemble complet (ZIP, 0,7 MB)
Données de commande
| N° de commande | 157256 |
| Désignation article | ES-HNAV-0 |
| Poids brut | 0,05kg |
| Code douanier | 85389099990 |
| ECLASS | 27-37-12-44 EMERGENCY-STOP pushbutton, complete device |
