RIEGEL CES-A-C/F (N° de commande 098357)
Verrou targette pour interrupteur de sécurité CES-A-.5...
- Verrou targette pour interrupteur CES-A-.5...
- Verrou-targette en acier
- Pour portes sur charnières à gauche ou à droite
- Verrou-targette avec levier de déverrouillage interne
- Bouton d’arrêt en position ouverte
- Loqueteau à billes en position fermée
- Convient pour un jeu de porte d’env. 15 mm

Description
Contenu de la livraison
- Pièces pour verrous-targettes
- Actionneur CES prémonté dans le pêne du verrou
À commander séparément :
- Interrupteur de sécurité
Verrouillage en position ouverte
Le verrouillage en position ouverte est destiné à empêcher que des personnes puissent s’enfermer à l’intérieur d’une machine.
Verrouillage en position fermée
Le verrou-targette est maintenu en position fermée, empêchant ainsi l’ouverture involontaire de celui-ci. Les verrouillages par bille ou ressort s’ouvrent en surmontant la force de tarage du ressort.
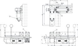
Types de porte et charnière de porte
Convient pour portes battantes et coulissantes Convient pour portes sur charnières à gauche et à droite Avec butée de porte : la porte ne peut pas s’ouvrir vers l’intérieur.
Dispositif de consignation intégré
À l’aide du dispositif de consignation intégré, le verrou-targette peut être verrouillé en position ouverte, par ex. avec des cadenas. Ceci permet d’éviter que des personnes ne se retrouvent enfermées accidentellement dans la zone de danger.

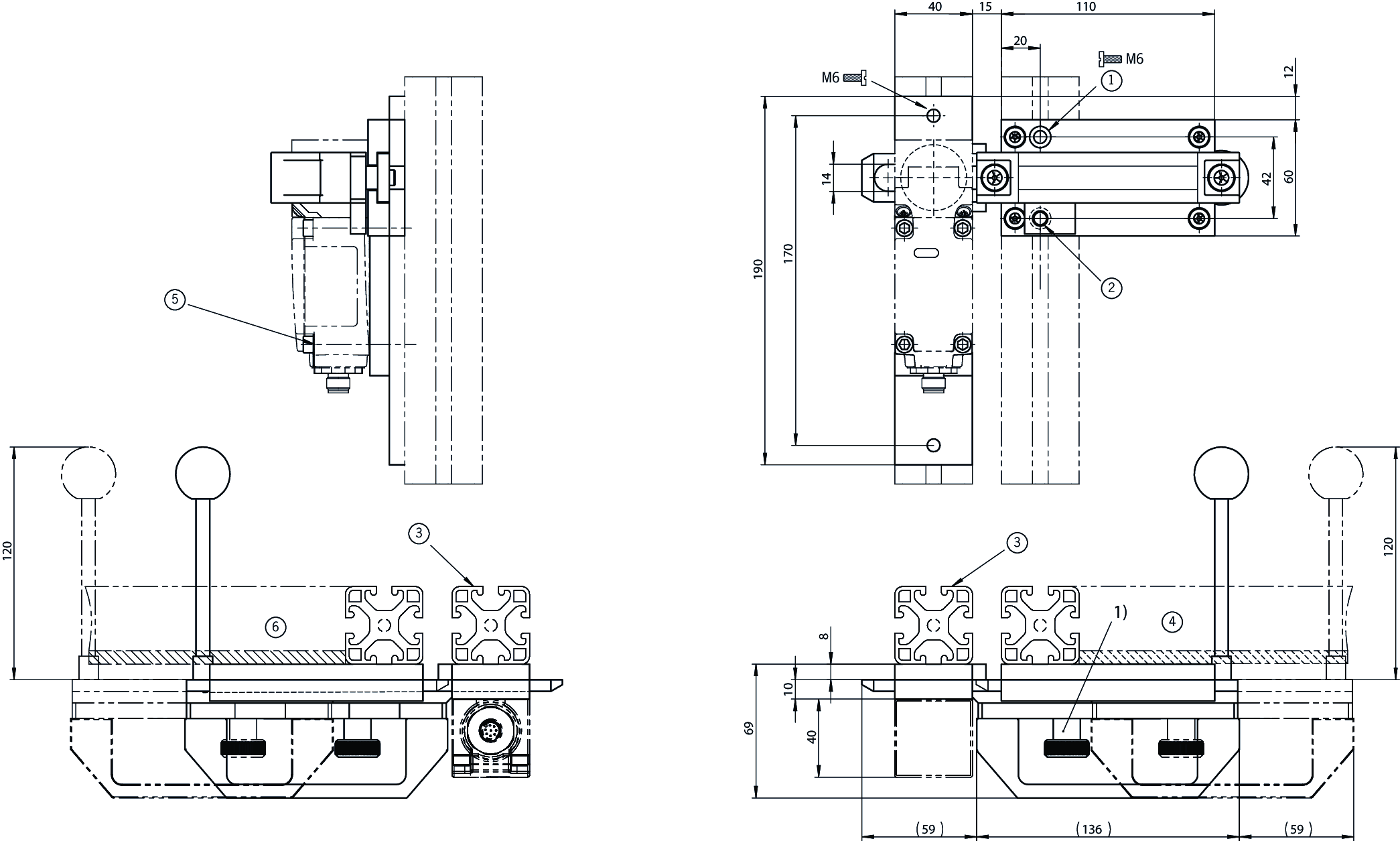
Dessins cotés

| 1 | (bilatérale) |
| 1) | Verrou-targette avec verrouillage mécanique. Est maintenu en position ouverte. (Empêche la fermeture involontaire du verrou-targette) Pour déverrouiller, lever le bouton d’arrêt. |
| 2 | Verrouillage mécanique prévenant l’ouverture involontaire (vibration) |
| 3 | Cadre de protection (40x40) |
| 4 | Porte sur charnières à droite |
| 5 | Montage avec les vis M5x45 fournies |
| 6 | Porte sur charnières à gauche |
Caractéristiques techniques
Valeurs mécaniques et environnement
| Direction d’attaque | A ou C |
| Nombre d’interrupteurs de sécurité montables | 1 |
| Déverrouillage interne | oui |
| Température de stockage | -25 ... 70 °C |
| Matériau | |
| Embase | Acier galvanisé |
| Poignée | Plastique |
| Support de l’interrupteur | Acier peint par poudrage |
| Guides | Plastique |
Divers
| Verrouillage position fermée | Loqueteau à billes |
| Verrouillage position ouverte | Verrouillage |
Accessoires
Téléchargements
Ensemble complet
Télécharger tous les documents importants en un seul clic.
Contient :
- Le mode d’emploi et, le cas échéant, compléments du mode d’emploi ou brèves instructions
- Le cas échéant, fiches techniques en complément du mode d’emploi
- La déclaration de conformité
Documents individuels
Safety Information for Bolts
Información de seguridad para cerrojos
Sicherheitsinformation für Riegel
Autres documents
Données de commande
| N° de commande | 098357 |
| Désignation article | RIEGEL CES-A-C/F |
| Poids brut | 1,96kg |
| Code douanier | 83014090000 |


