BETAETIGER-S-G-SN-C2115 (N° de commande 097861)
Languette S pour interrupteurs de sécurité SGA/SGP/STA/STP/STM
- Deux vis de sécurité fournies
- Dimensions compatibles avec la languette droite TP P-G

Description
Avis
Les languettes S-...-SN ne doivent pas être associées aux modules d’insertion. Les modules d’insertion doivent être utilisés avec des languettes S-...-LN.
Languette droite
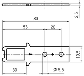
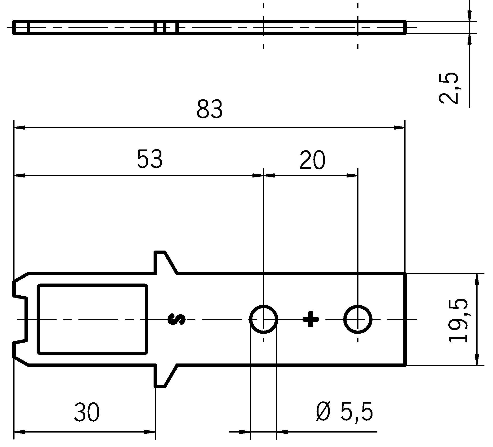
Conçue pour une force de traction maximale de 3000 N. La languette droite est utilisée sur des portes coulissantes ou pivotantes dont les rayons sont supérieurs à 300 mm. Les vis de sécurité empêchent les languettes d’être dévissées.
Vis en acier inoxydable
Les vis de sécurité fournies peuvent être serrées à l’aide d’un outil standard mais ne peuvent en revanche plus être dévissées par la suite.

Dessins cotés

Caractéristiques techniques
Autorisations

Valeurs mécaniques et environnement
| Température de stockage | -25 ... 70 °C |
| Surcourse | max. 5 mm |
| Rayon de porte | min. 300 mm |
| Matériau | |
| Actionneur | Acier, inoxydable |
| Vis | Acier, inoxydable |
Divers
| Numéro C | |
| C2115 | Languette avec les mêmes cotes de montage que la languette TP |
| Possibilité d’utilisation d’un module d’insertion | non |
Accessoires
Téléchargements
Données de commande
| N° de commande | 097861 |
| Désignation article | BETAETIGER-S-G-SN-C2115 |
| Poids brut | 0,03kg |
| Code douanier | 85389099990 |
| ECLASS | 27-27-26-06 Actuator for safety-related position switch |

