RIEGEL S-C (N° de commande 096385)
Choisir le contenu
Verrou-targette pour interrupteurs de sécurité STA, STP, SGP et SGA
- Verrou-targette pour interrupteurs de sécurité STA, STP, SGP et SGA
- Verrou-targette en acier
- Pour portes sur charnières à gauche
- Convient pour un jeu de porte d’env. 15 mm

Description
Contenu de la livraison
- Pièces pour verrous-targettes
- Actionneur
À commander séparément :
- Interrupteur de sécurité
Types de porte et charnière de porte
Convient pour portes battantes et coulissantes Convient pour portes sur charnières à gauche Avec butée de porte : la porte ne peut pas s’ouvrir vers l’intérieur.
Dispositif de consignation intégré
À l’aide du dispositif de consignation intégré, le verrou-targette peut être verrouillé en position ouverte, par ex. avec des cadenas. Ceci permet d’éviter que des personnes ne se retrouvent enfermées accidentellement dans la zone de danger.

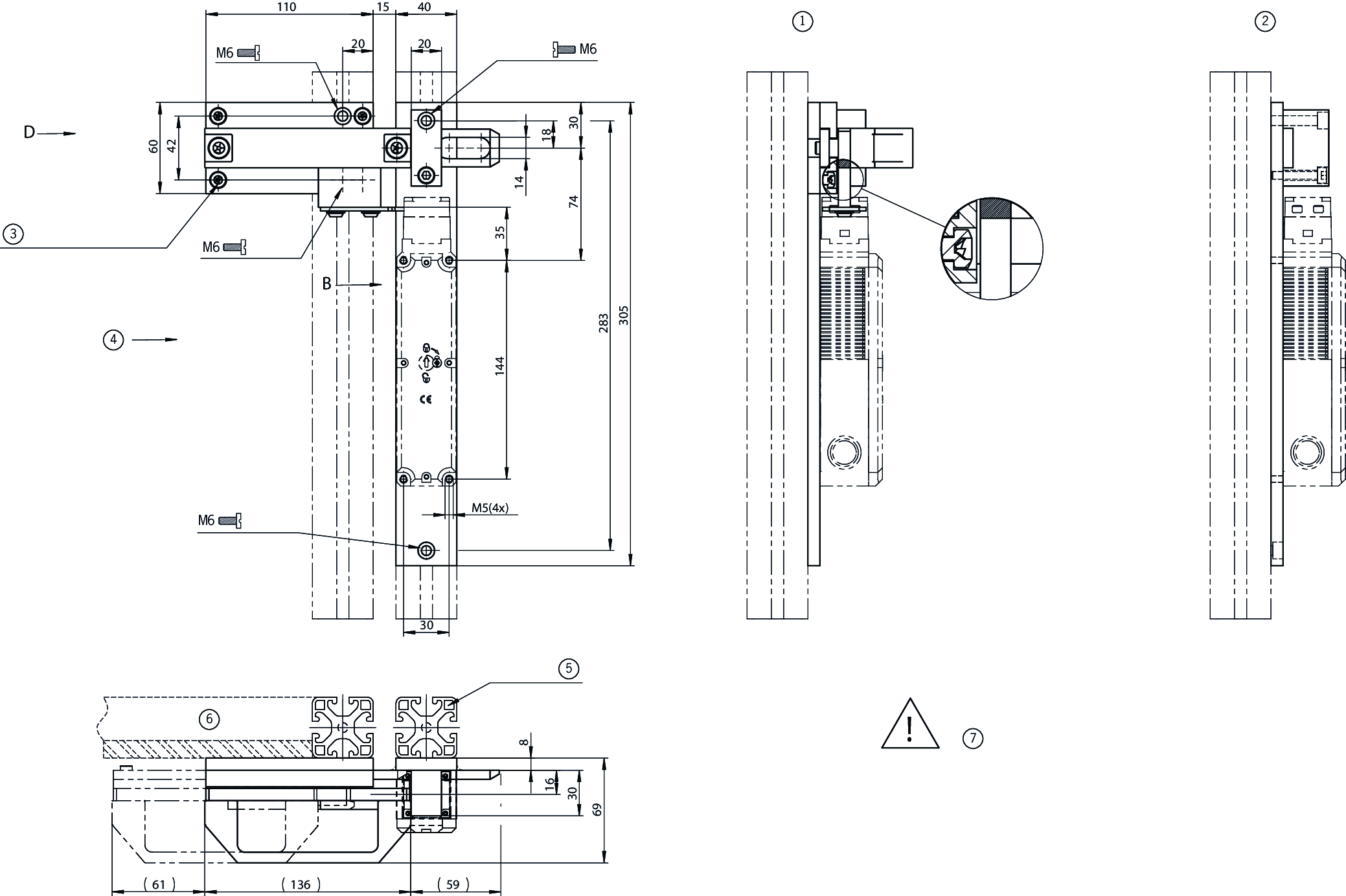
Dessins cotés

| 1 | Vue D |
| 2 | Vue B |
| 3 | Vis de butée freinée |
| 4 | Interrupteurs de sécurité STP, STA, SGP, SGA sens d’attaque C |
| 5 | Cadre de protection (40x40) |
| 6 | Porte sur charnières à gauche |
| 7 | Attention ! Le verrou-targette ne doit pas être utilisé en association avec un déverrouillage interne. |
Caractéristiques techniques
Valeurs mécaniques et environnement
| Direction d’attaque | C |
| Nombre d’interrupteurs de sécurité montables | 1 |
| Déverrouillage interne | néant |
| Température de stockage | -25 ... 70 °C |
| Matériau | |
| Support de l’interrupteur | Acier peint par poudrage |
| Embase | Acier galvanisé |
| Guides | Plastique |
| Poignée | Plastique |
Divers
| Verrouillage | néant |
Accessoires
Téléchargements
Ensemble complet
Télécharger tous les documents importants en un seul clic.
Contient :
- Le mode d’emploi et, le cas échéant, compléments du mode d’emploi ou brèves instructions
- Le cas échéant, fiches techniques en complément du mode d’emploi
- La déclaration de conformité
Télécharger l’ensemble complet (ZIP, 9,2 MB)
Documents individuels
Instructions
Information de sécurité pour verrous-targettes
N° doc.
Version
Langue
Taille
Information de sécurité pour verrous-targettes
Safety Information for Bolts
Información de seguridad para cerrojos
Sicherheitsinformation für Riegel
Safety Information for Bolts
Información de seguridad para cerrojos
Sicherheitsinformation für Riegel
N° doc.
2530033
Version
04-03/24
Langue
Taille
0,2 MB
Sicherheitsinformation für Riegel
N° doc.
2530033
Version
04-03/24
Langue
Taille
0,2 MB
Informação de segurança referente ao trinco
N° doc.
2530033
Version
04-03/24
Langue
Taille
0,4 MB
Informazioni sulla sicurezza per il chiavistello
N° doc.
2530033
Version
04-03/24
Langue
Taille
0,1 MB
Bezpečnostní informace pro petlice
N° doc.
2530033
Version
04-03/24
Langue
Taille
0,5 MB
Tolózár biztonsági információi
N° doc.
2530033
Version
04-03/24
Langue
Taille
0,5 MB
Информация за безопасност за ригели
N° doc.
2530033
Version
04-03/24
Langue
Taille
0,5 MB
Sikkerhedsinformation for bolte
N° doc.
2530033
Version
04-03/24
Langue
Taille
0,4 MB
Ohutusalane teave riivistuste kohta
N° doc.
2530033
Version
04-03/24
Langue
Taille
0,5 MB
Turvallisuustietoja salvalle
N° doc.
2530033
Version
04-03/24
Langue
Taille
0,4 MB
Πληροφορίες ασφαλείας για μάνδαλα
N° doc.
2530033
Version
04-03/24
Langue
Taille
0,5 MB
Sigurnosne informacije za brave
N° doc.
2530033
Version
04-03/24
Langue
Taille
0,5 MB
Aizbīdņu drošības informācija
N° doc.
2530033
Version
04-03/24
Langue
Taille
0,5 MB
Saugos informacija skląsčiui
N° doc.
2530033
Version
04-03/24
Langue
Taille
0,5 MB
Veiligheidsinformatie voor grendels
N° doc.
2530033
Version
04-03/24
Langue
Taille
0,4 MB
Sikkerhetsinformasjon for låser
N° doc.
2530033
Version
04-03/24
Langue
Taille
0,4 MB
Informacje o bezpieczeństwie dotyczące użytkowania zasuw
N° doc.
2530033
Version
04-03/24
Langue
Taille
0,5 MB
Säkerhetsinformation för regeln
N° doc.
2530033
Version
04-03/24
Langue
Taille
0,4 MB
Varnostne informacije o zapahu
N° doc.
2530033
Version
04-03/24
Langue
Taille
0,5 MB
Bezpečnostná informácia pre závory
N° doc.
2530033
Version
04-03/24
Langue
Taille
0,5 MB
Sürgüler için güvenlik bilgisi
N° doc.
2530033
Version
04-03/24
Langue
Taille
0,5 MB
Informații de siguranță privind zăvoarele
N° doc.
2530033
Version
04-03/24
Langue
Taille
0,5 MB
Autres documents
Documents de vente
Interrupteurs de sécurité avec boîtier métallique
N° doc.
Version
Langue
Taille
Interrupteurs de sécurité avec boîtier métallique
N° doc.
100676
Version
11-03/18
Langue
Taille
7,9 MB
Safety Switches with Metal Housing
N° doc.
100369
Version
11-03/18
Langue
Taille
7,8 MB
Interruptores de seguridad con carcasa metálica
N° doc.
104856
Version
11-03/18
Langue
Taille
14,0 MB
Sicherheitsschalter mit Metallgehäuse
N° doc.
100319
Version
11-03/18
Langue
Taille
7,9 MB
金属壳体 的安全开关
N° doc.
102453
Version
11-03/18
Langue
Taille
8,2 MB
Bezpečnostní spínače s kovovým pouzdrem
N° doc.
121650
Version
11-03/18
Langue
Taille
7,8 MB
Interrupteurs de sécurité avec boîtier plastique
N° doc.
Version
Langue
Taille
Interrupteurs de sécurité avec boîtier plastique
N° doc.
100677
Version
11-03/18
Langue
Taille
6,6 MB
Safety Switches with Plastic Housing
N° doc.
096956
Version
11-03/18
Langue
Taille
6,5 MB
Interruptores de seguridad con carcasa plástica
N° doc.
104855
Version
11-03/18
Langue
Taille
6,6 MB
Sicherheitsschalter mit Kunststoffgehäuse
N° doc.
096955
Version
11-03/18
Langue
Taille
6,6 MB
塑料壳体 的安全开关
N° doc.
116243
Version
11-03/18
Langue
Taille
6,1 MB
Bezpečnostní spínače s plastovým pouzdrem
N° doc.
121649
Version
11-03/18
Langue
Taille
6,5 MB
Données de commande
| N° de commande | 096385 |
| Désignation article | RIEGEL S-C |
| Poids brut | 2,117kg |
| Code douanier | 83014090000 |


