ADAPTER NP-K (N° de commande 074578)
Choisir le contenu
Adaptateur NP-K

Description
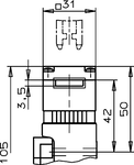
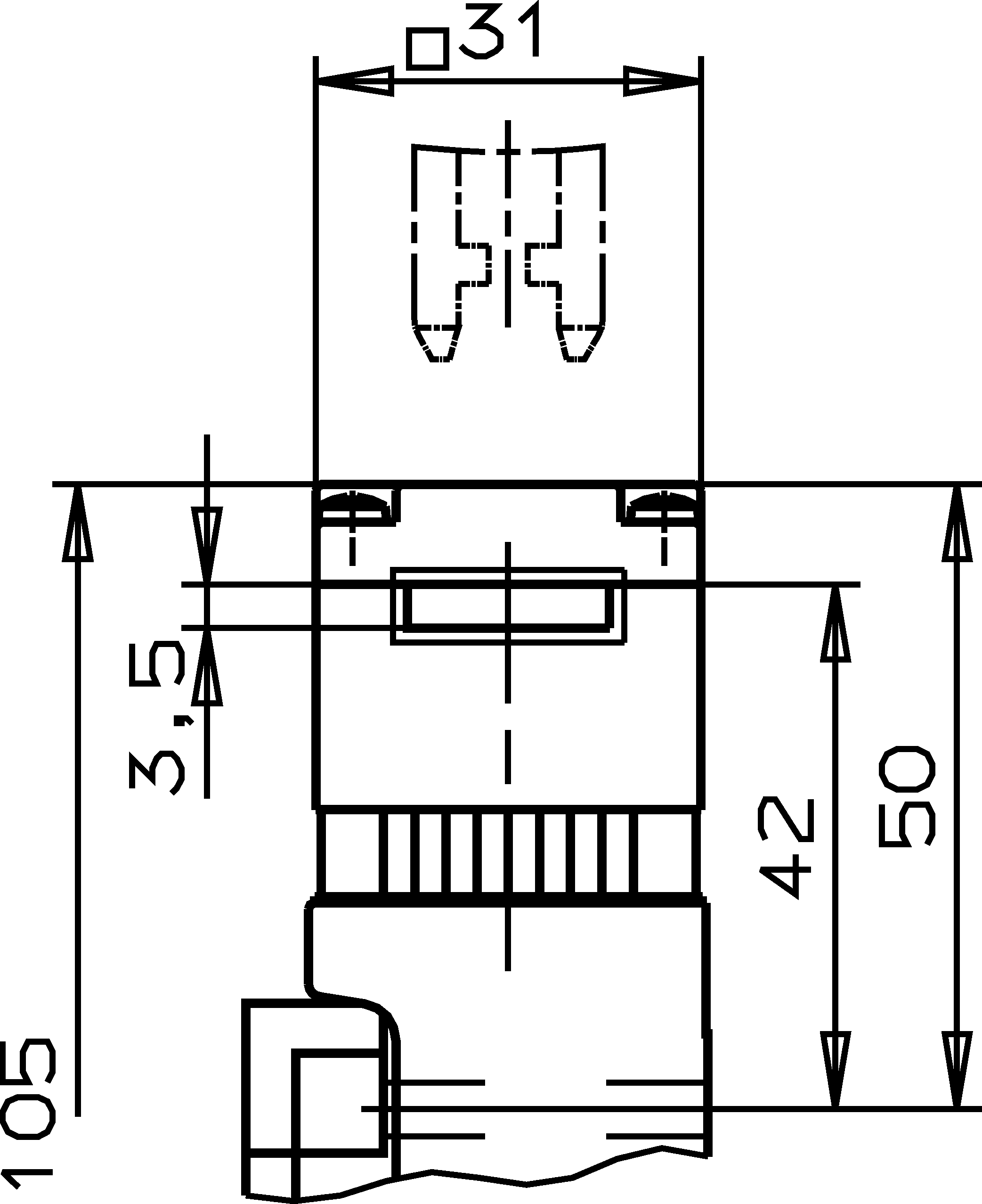
L’adaptateur NP-K a pour fonction d’augmenter la surcourse des interrupteurs de sécurité NP lors d’une attaque verticale.
- Cet adaptateur ne peut pas être utilisé avec les interrupteurs de sécurité de série GP/TP.
- 4 vis 3 x 38 (vis normales) fournies

Dessins cotés

Caractéristiques techniques
Valeurs mécaniques et environnement
| Température de stockage | -25 ... 70 °C |
| Matériau | |
| Vissage | Acier, inoxydable |
| Entretoise | Plastique |
| Rallonge | Acier, inoxydable |
Téléchargements
Documents de vente
Interrupteurs de sécurité avec boîtier plastique
N° doc.
Version
Langue
Taille
Interrupteurs de sécurité avec boîtier plastique
N° doc.
100677
Version
11-03/18
Langue
Taille
6,6 MB
Safety Switches with Plastic Housing
N° doc.
096956
Version
11-03/18
Langue
Taille
6,5 MB
Interruptores de seguridad con carcasa plástica
N° doc.
104855
Version
11-03/18
Langue
Taille
6,6 MB
Sicherheitsschalter mit Kunststoffgehäuse
N° doc.
096955
Version
11-03/18
Langue
Taille
6,6 MB
塑料壳体 的安全开关
N° doc.
116243
Version
11-03/18
Langue
Taille
6,1 MB
Bezpečnostní spínače s plastovým pouzdrem
N° doc.
121649
Version
11-03/18
Langue
Taille
6,5 MB
Données de commande
| N° de commande | 074578 |
| Désignation article | ADAPTER NP-K |
| Poids brut | 0,013kg |
| Code douanier | 85389099990 |

