ZSM2300-112803 (N.º de pedido 112803)
ZSM, LED, teclas + y −, motor vibratorio
- Funcionamiento en 3 niveles
- Señal de vibración
- Indicador LED
- Teclas + y −
- Cableado alternativo
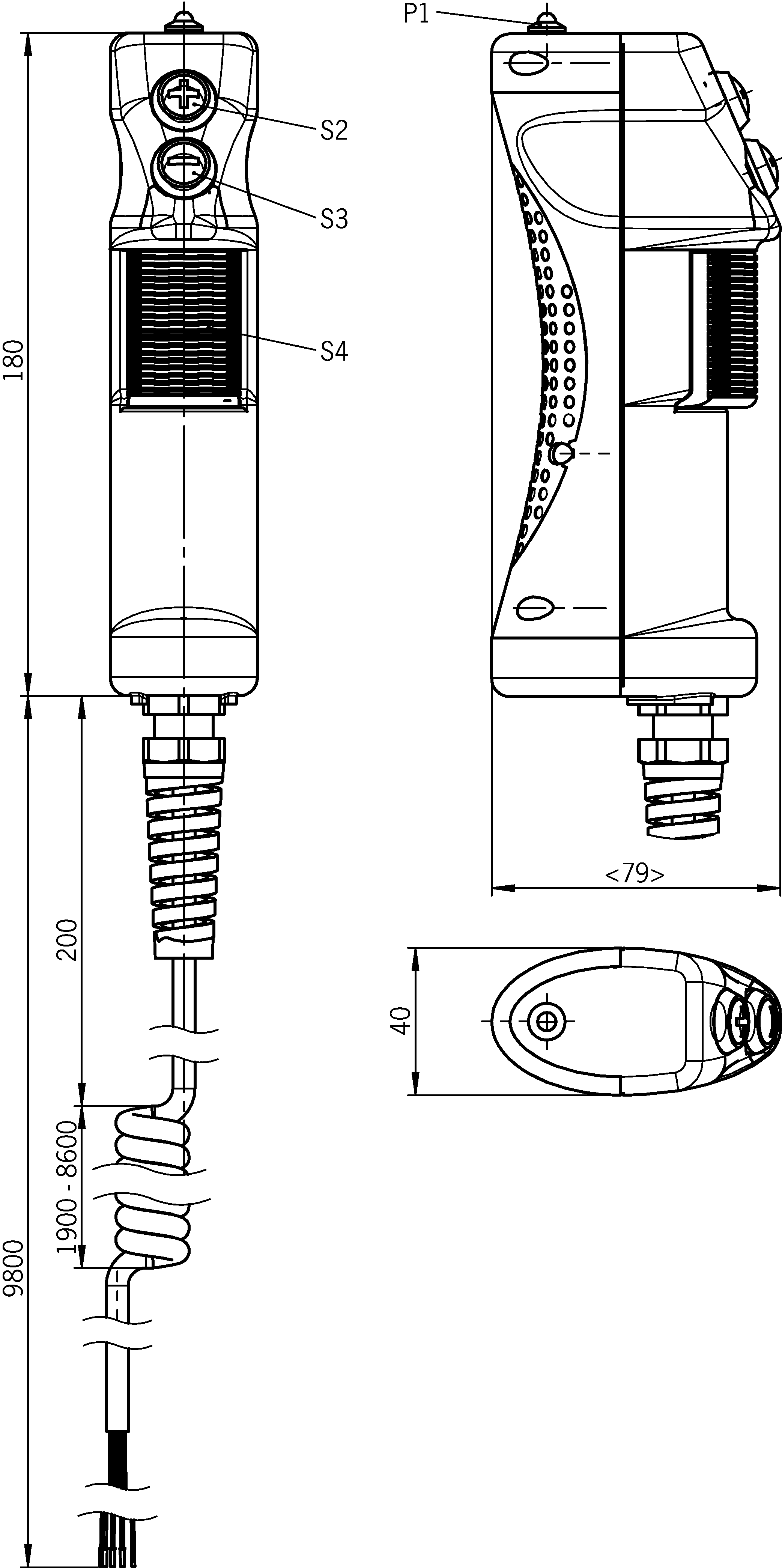
- Cable de conexión en espiral, 9,8 m

Descripción
Funcionamiento en 3 niveles
La función de validación solo está activa en el segundo nivel (posición central, punto de acción). Al soltar o presionar a fondo la tecla (función antipánico), la validación se anula (en función del cableado; véase el proceso de funcionamiento).
Señal de vibración
La señal de vibración sirve como respuesta táctil de la posición de validación.
Indicador LED
El indicador LED sirve como elemento de respuesta óptica directamente en el pulsador de validación.
Teclas + y −
La función de estas teclas puede personalizarse, por ejemplo para desplazar ejes en sentido positivo o negativo.
Cable
El cable de conexión de alta calidad está disponibles en versión en espiral.




Dibujos acotados

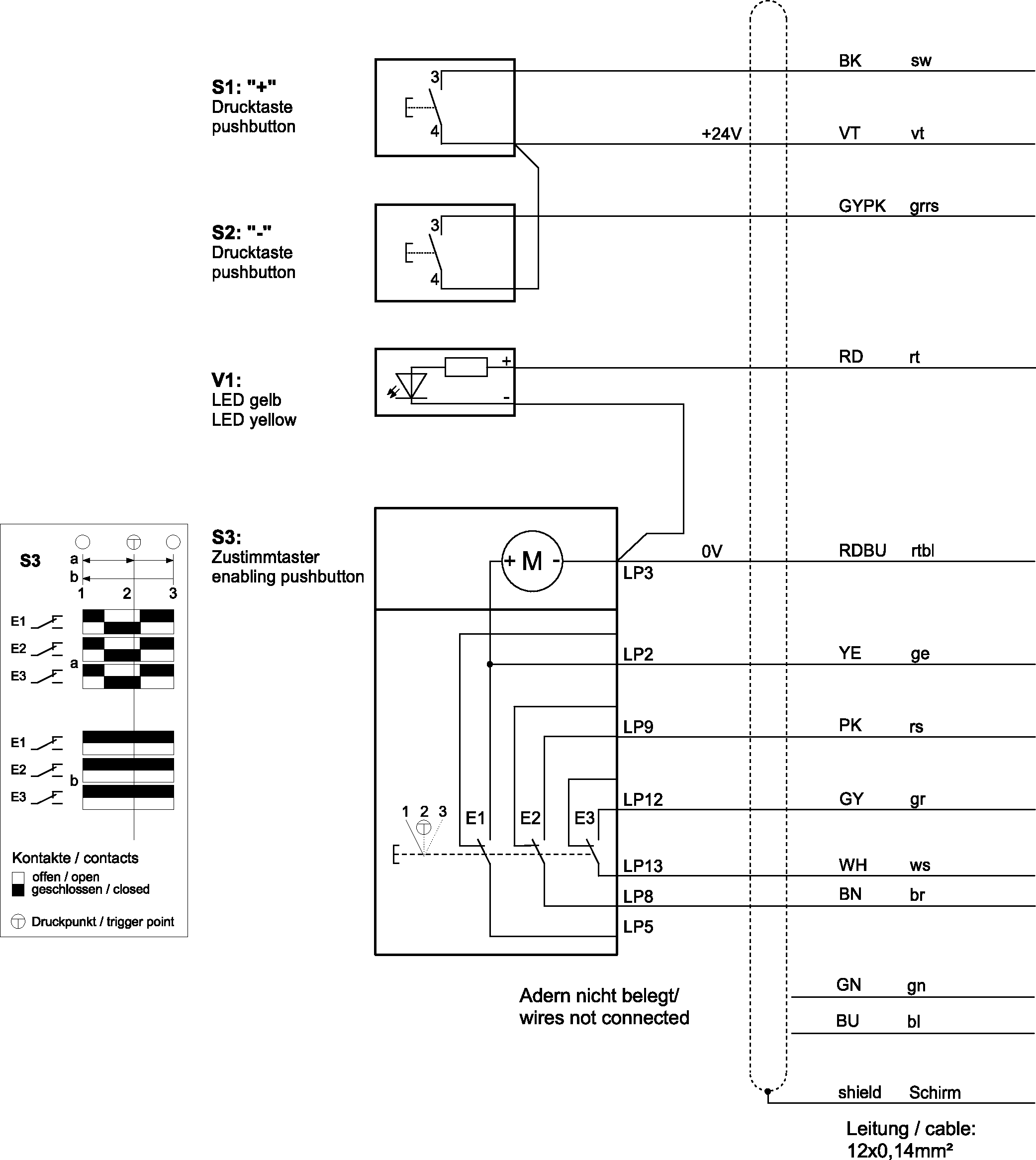
Ejemplos de conexión

Ejemplos de conexión

Ejemplos de conexión

Datos técnicos
Homologaciones


Elementos de mando y visualización
| Posición | Color | Extras | Elemento interruptor | Modelo | Observación rótulo insertable | Rótulo insertable | Cantidad | Denominación 1 | LED |
|---|---|---|---|---|---|---|---|---|---|
| Amarillo | LED | 1 | |||||||
| Motor vibratorio | 1 | ||||||||
| Tecla – | 1 | ||||||||
| Tecla + | 1 |
Valores de conexión eléctrica
| Cobertura | max. 2 A gG |
| Cable de conexión | 12 x 0,14 mm² (blindado) |
| Corriente de cortocircuito de referencia condicionada | 100 A |
| Tensión de aislamiento de referencia Ui | 50 V |
| Tensión nominal de impulso Uimp | 0.5 kV |
| Categoría de uso | |
| DC-13 | 24 V 0,01 A (Para indicadores adicionales) |
| DC-13 | 24 V 0,3 A (Para elementos de mando adicionales) |
| DC-13 | 30 V 0,1 A (Para pulsador de validación, atención: Las salidas deben protegerse con un diodo de indicación libre en caso de cargas inductivas.) |
| Comportamiento de conmutación | Pulsador de validación de 3 niveles |
| Grado de contaminación (externa, según EN 60947-1) | 3 |
Valores mecánicos y entorno
| Tipo de conexión | Extremo del cable libre |
| Número de inversores | 3 (Conexión según el diagrama de bloques) |
| Temperatura de almacenamiento | -25 ... 70 °C |
| Longitud del cable | |
| En espiral, trozo de cable recto corto en el ZS | 9.8 m |
| Vida mecánica | 1 x 10⁶ |
| Principio de conmutación | Interruptor de acción rápida |
| Clase de protección | IP54 |
| Temperatura ambiental | -5 ... 60 °C |
| Material | PA, CR, TPE (Pobre en HAP) |
Valores característicos según EN ISO 13849-1 y EN IEC 62061
| B10D | Tiempo de servicio | |
|---|---|---|
| Pulsador de validación | 0.1x106 | 20 y |
Varios
| De acuerdo a las Normas | 60947-5-8 |
Descargas
Paquete completo
Descargue todos los documentos importantes con un solo clic.
Incluye:
- El manual de instrucciones y, en su caso, la documentación adicional correspondiente o las guías breves.
- En su caso, las fichas de datos como complemento al manual de instrucciones.
- La declaración de conformidad.
Documentos sueltos
Data sheet
Fiche technique
Datenblatt
Ficha de dados
数据表
データ シート
데이터 시트
Datový list
Data sheet
Fiche technique
Datenblatt
Ficha de dados
数据表
データ シート
데이터 시트
Datový list
Otros documentos
Macros ePlan
Datos de pedido
| N.º de pedido | 112803 |
| Nombre de artículo | ZSM2300-112803 |
| Peso bruto | 1,435kg |
| Partida arancelaria | 85371098 |
| ECLASS | 27-37-12-38 Agreement switch |




