MGB2-H-BA1A5-R-157019 (N.º de pedido 157019)
Módulo con manilla MGB2-H… (pomo, con pieza de bloqueo automática, sujeción de puerta a la derecha)
- Pestillo del cerrojo inteligente
- Pieza de bloqueo desplegable
- Segunda pieza de bloqueo con despliegue automático
- Pomo de puerta
- Sujeción de puerta modificable, ajuste de fábrica a la derecha

Descripción
Pestillo del cerrojo
El pestillo del cerrojo se reconoce de forma segura mediante transponder en cuanto se introduce en el módulo de evaluación.
Pieza de bloqueo (con despliegue automático y desplegable)
Con la pieza de bloqueo desplegable, el pestillo del cerrojo puede bloquearse con un máximo de 3 candados para realizar tareas de limpieza y mantenimiento en la máquina. De esta forma, el estado seguro impide que se accione la manilla. Además, la pieza de bloqueo opcional, que se extrae automáticamente al accionar la manilla, puede utilizarse para otras 3 cerraduras.
Pomo de puerta
El sistema MGB2 dispone de un pomo de puerta estable que puede girarse en intervalos de 90°, por lo que es adecuado para cualquier situación de montaje. La dirección de accionamiento puede cambiarse muy fácilmente para puertas con sujeción a la izquierda y a la derecha.
Manilla de puerta
Como alternativa al pomo de puerta, el módulo con manilla también puede contar con una manilla o equiparse con ella posteriormente.

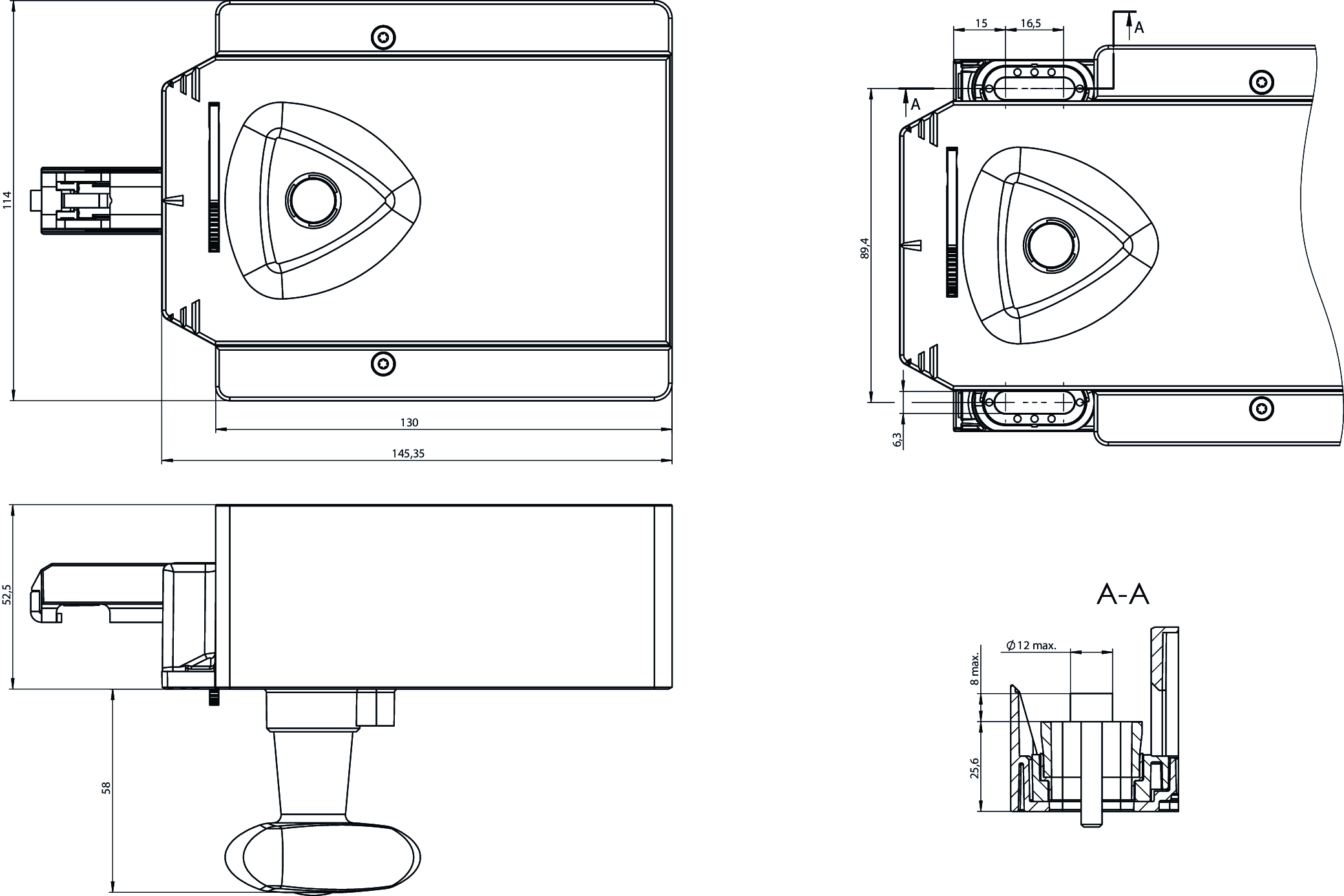
Dibujos acotados

Datos técnicos
Homologaciones

Valores mecánicos y entorno
| Posición de montaje | Sujeción de puerta DIN derecha |
| Temperatura de almacenamiento | -30 ... 70 °C |
| Clase de protección | IP65 |
| Temperatura ambiental | -30 ... 55 °C |
| Material | |
| Carcasa | Plástico reforzado con fibra de vidrio, fundición de cinc, niquelado, acero inoxidable |
Varios
| Característica adicional | |
| con pomo | |
| Con pieza de bloqueo automática |
Accesorios

AM-P-H-156683
- Para módulo con manilla MGB2-H
- Montaje fácil y rápido
- Cambio rápido de módulo
- Acero, con recubrimiento de polvo
- Adecuadas para puertas con sujeción a la derecha y a la izquierda
- Incluye set de tornillos

AM-P-H-173089
- Para módulo con manilla MGB2-H
- Montaje fácil y rápido
- Cambio rápido de módulo
- Acero, con recubrimiento de polvo
- Adecuadas para puertas con sujeción a la derecha y a la izquierda
- Incluye set de tornillos

MGB-E-A-100465
- Desbloqueo antipánico desde la zona de peligro
- Manilla de puerta rojo señales
- Diseñado para perfiles de puerta de hasta 40 mm
- Eje de accionamiento alargado para puertas más gruesas (opcional)

MGB-E-A4-163885
- Desbloqueo antipánico desde la zona de peligro
- Manilla de puerta rojo señales
- Diseñado para perfiles de puerta de hasta 45 mm
- Eje de accionamiento alargado para puertas más gruesas (opcional)

MGB-E-A2-106051
- Desbloqueo antipánico desde la zona de peligro
- Montado en placa de montaje
- Manilla de puerta rojo señales
- Diseñado para perfiles de puerta de hasta 40 mm
- Eje de accionamiento alargado para puertas más gruesas (opcional)

MGB-E-A8-126320
- Desbloqueo antipánico desde la zona de peligro
- Montado en placa de montaje
- Pomo de puerta rojo señales
- Diseñado para perfiles de puerta de hasta 40 mm
- Eje de accionamiento alargado para puertas más gruesas (opcional)
Descargas
Paquete completo
Descargue todos los documentos importantes con un solo clic.
Incluye:
- El manual de instrucciones y, en su caso, la documentación adicional correspondiente o las guías breves.
- En su caso, las fichas de datos como complemento al manual de instrucciones.
- La declaración de conformidad.
Documentos sueltos
Otros documentos
Macros ePlan
Datos de pedido
| N.º de pedido | 157019 |
| Nombre de artículo | MGB2-H-BA1A5-R-157019 |
| Peso bruto | 1,12kg |
| Partida arancelaria | 85389099990 |
| ECLASS | 27-27-24-04 Actuator for safety-related proximity switch |








