InicioProductosInterruptores de posición y finales de carrera múltiplesFinales de carrera múltiples, SN verticalSN04X16-772L-M
SN04X16-772L-M (N.º de pedido 088414)
Elija el contenido
Serie SN… 16 mm inductiva
- Distancia entre iniciadores: 16 mm
- Diseño de carcasa vertical, brida pequeña
- Grado de protección IP67 según IEC 60529
- Indicador de función LED

Descripción
Distancia de activación de referencia
Cuando la distancia entre iniciadores es de 16 mm, la distancia de activación de referencia es de 5 mm.
Indicador de función LED
Los elementos interruptores de corriente alterna y continua están equipados de manera estándar con un indicador de función en el elemento interruptor (amarillo). El indicador de función es visible desde fuera.


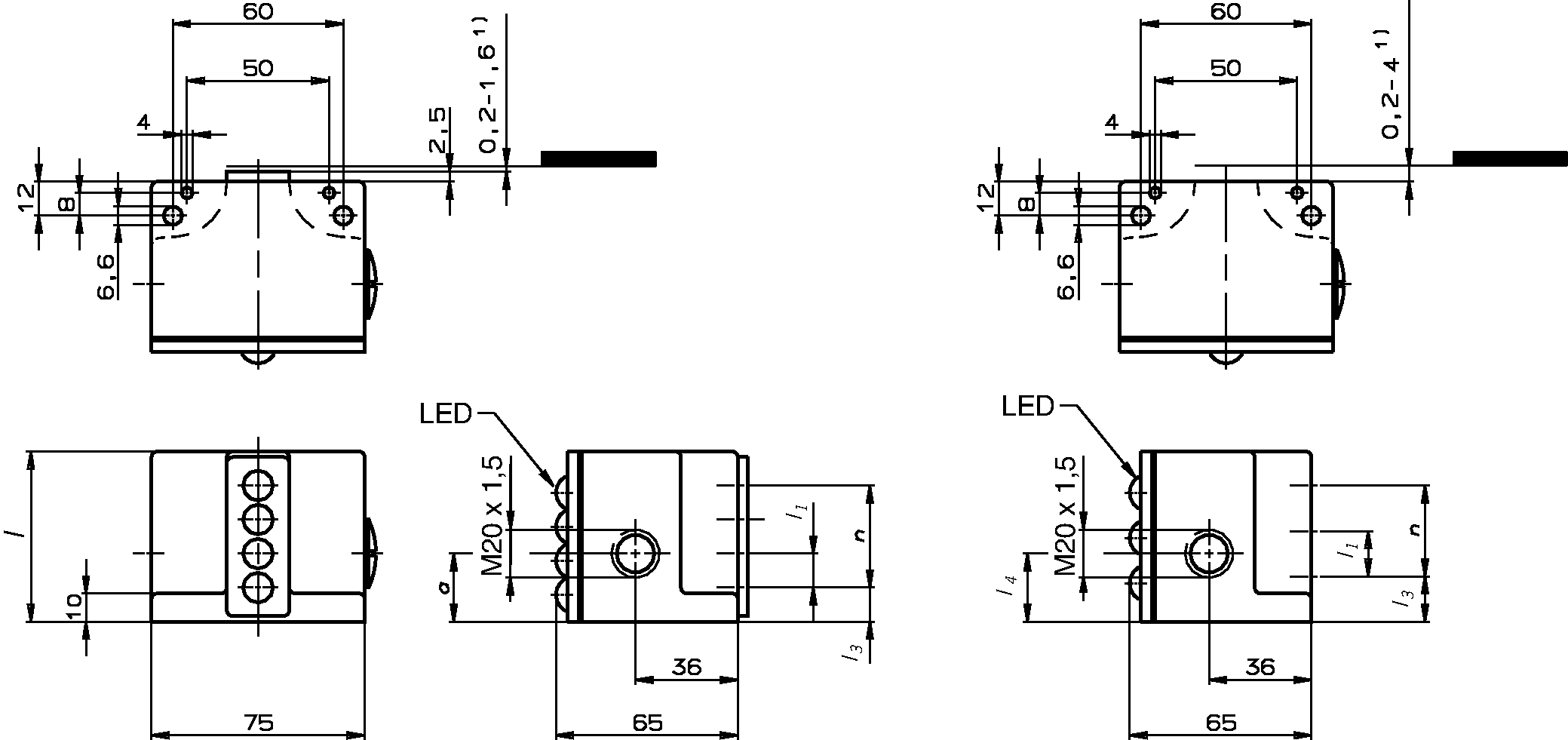
Dibujos acotados

Ejemplos de conexión

Datos técnicos
Homologaciones


Espacio de trabajo
| Distancia de activación de referencia Sn | 5 mm |
| Distancia de activación segura Sa | 0 ... 4 mm (Las medidas son válidas únicamente para acero (ST37) o para levas de mando EUCHNER de la serie UX… / GX…) |
| Histéresis de conmutación | max. 0.5 mm |
| Precisión de repetición R | 5 % |
Elementos de mando y visualización
| Pantalla LED | Sí |
Valores de conexión eléctrica
| Sección transversal de conexión | 0.34 ... 1.5 mm² (Bornes roscados) |
| Tipo de salida | PNP |
| Corriente de servicio de referencia Ie | 250 mA |
| Tensión de aislamiento de referencia Ui | 60 V |
| Tensión de servicio | |
| DC | 10 ... 55 V |
| Normas de protección de compatibilidad electromagnética (CEM) | EN IEC 60947-5-2 |
| Categoría de uso | |
| DC-12 | DC-13 (La salida debe protegerse con un diodo de indicación libre en caso de cargas inductivas.) |
| Protección contra cortocircuitos y sobrecargas, sincronizada | Sí |
| Corriente en vacío I0 | 15 |
| Corriente residual Ir | max. 0.001 mA |
| Ondulación residual | max. 10 % |
| Caída de tensión Ud | max. 2.5 V |
| Protección contra inversión de la polaridad | Sí |
Valores mecánicos y entorno
| Tipo de conexión | |
| 2 x | M20 x 1,5 |
| Número de contactos NC/NO (antivalente) | 4 |
| Número de elementos interruptores | 4 |
| Modelo | Vertical |
| Frecuencia de conmutación | max. 500 Hz |
| Distancia entre iniciadores | 16 mm |
| Temperatura de almacenamiento | -25 ... 70 °C |
| Principio de conmutación | Antivalente |
| Clase de protección | IP67 |
| Temperatura ambiental | -25 ... 70 °C |
| Material | |
| Carcasa | Fundición de aluminio a presión |
| Superficie activa | PBT |
Varios
| Información complementaria | (Se suministran elementos interruptores con una distancia de activación de 5 mm (distancia entre iniciadores: 16 mm) para evitar la influencia recíproca con dos frecuencias de oscilación diferentes. Por este motivo es necesario equipar los finales de carrera múltiples con estos elementos interruptores de forma alterna.) |
Descargas
Paquete completo
Descargue todos los documentos importantes con un solo clic.
Incluye:
- El manual de instrucciones y, en su caso, la documentación adicional correspondiente o las guías breves.
- En su caso, las fichas de datos como complemento al manual de instrucciones.
- La declaración de conformidad.
Descargar el paquete completo (ZIP, 0,4 MB)
Documentos sueltos
Otros documentos
Documentos de venta
Position Switches and Multiple Limit Switches
N.º doc.
Versión
Idioma
Tamaño
Position Switches and Multiple Limit Switches
N.º doc.
157836
Versión
01-03/18
Idioma
Tamaño
4,1 MB
Interrupteurs de position et boîtiers multipistes
N.º doc.
157837
Versión
01-03/18
Idioma
Tamaño
4,1 MB
Positionsschalter und Reihengrenztaster
N.º doc.
157835
Versión
01-03/18
Idioma
Tamaño
4,1 MB
Homologaciones y certificados
CCC
N.º doc.
Versión
Idioma
Tamaño
CCC
N.º doc.
20001849
Versión
Idioma
Tamaño
0,0 MB
WEEE
N.º doc.
Versión
Idioma
Tamaño
WEEE
N.º doc.
ECO20001806
Versión
Idioma
Tamaño
0,1 MB
c UL us
N.º doc.
Versión
Idioma
Tamaño
c UL us
N.º doc.
Versión
Idioma
Tamaño
0,3 MB
CAD/eCAD
Datos de pedido
| N.º de pedido | 088414 |
| Nombre de artículo | SN04X16-772L-M |
| Peso bruto | 0,5kg |
| Partida arancelaria | 85365019000 |
| ECLASS | 27-27-06-02 Multi-position switch |

