InicioProductosDispositivos de parada de emergenciaInterruptores de accionamiento por cable RPS-CRPS-C-538SR95M-174757
RPS-C-538SR95M-174757 (N.º de pedido 174757)
Elija el contenido
Interruptor de accionamiento por cable con desbloqueo por extracción para dispositivo de parada de emergencia
- Carcasa plástica
- Dispositivo de parada de emergencia con retén conforme a las normas EN ISO 13850 y EN 60947-5-5
- Ojal de tracción para cable de tracción
- Entrada de cable M20 x 1,5
- Elementos interruptores con 2 contactos de conmutación

Descripción
Elemento interruptor
538H | Contacto de conmutación de acción lenta 2 contactos de apertura positiva |



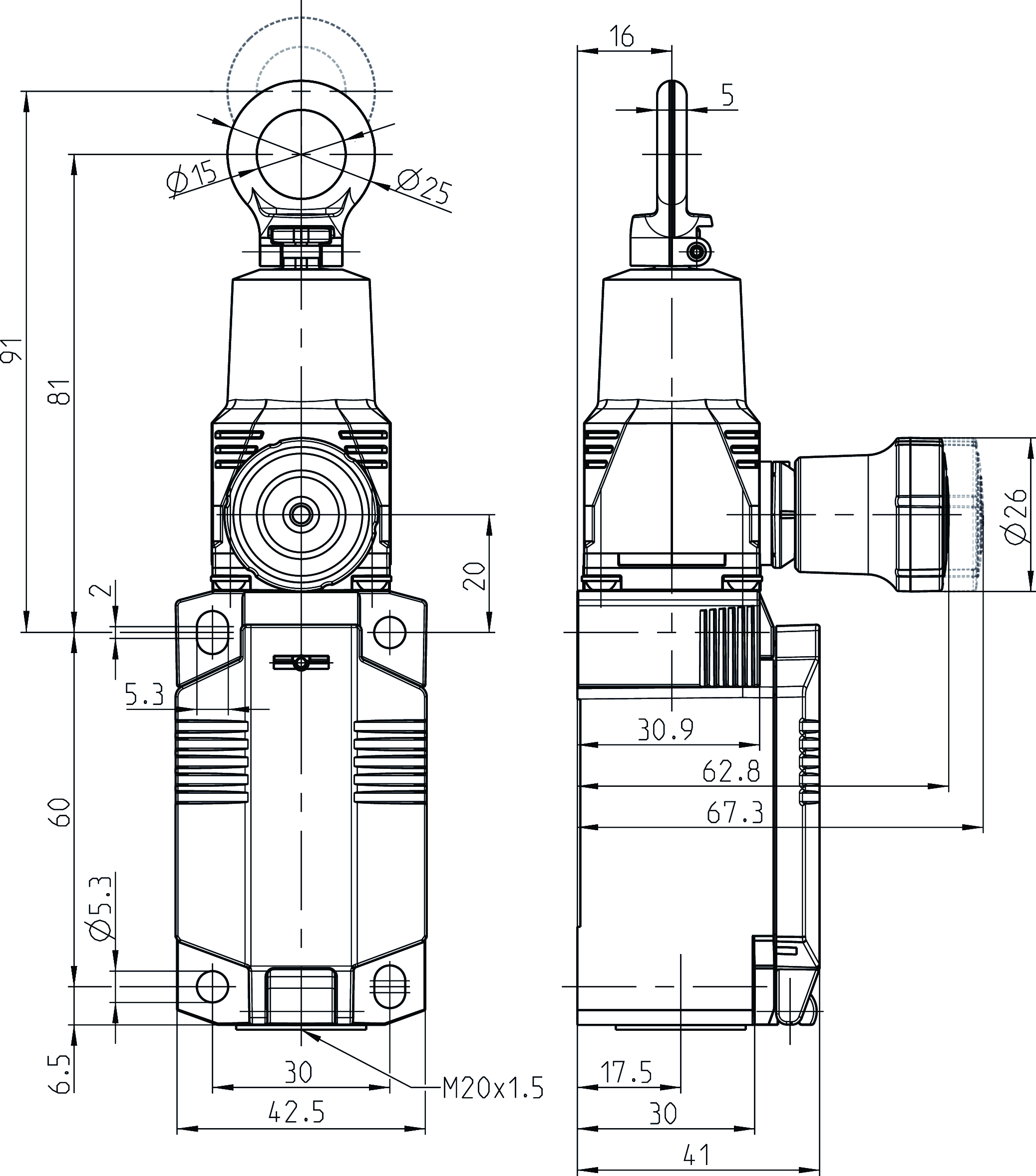
Dibujos acotados

Ejemplos de conexión

Diagramas de desplazamiento por turnos

| * | Tolerancia: Punto de conexión ±0,5 mm, fuerza de actuación ±15 % |
Datos técnicos
Homologaciones

Valores de conexión eléctrica
| Cobertura | max. 4 A gG |
| Sección transversal de conexión | 0.34 ... 1.5 mm² |
| Corriente de cortocircuito de referencia condicionada | 400 A |
| Tensión de aislamiento de referencia Ui | 400 V |
| Tensión nominal de impulso Uimp | 4 kV |
| Categoría de uso | |
| DC-13 | 24 V 1,5 A |
| AC-15 | 240 V 3 A |
| Clase de protección | II |
| Corriente térmica de referencia Ith | 5 A |
| Grado de contaminación (externa, según EN 60947-1) | 3 |
Valores mecánicos y entorno
| Tipo de conexión | |
| 1 x | M20 x 1,5 |
| Número de contactos de apertura positiva | 2 |
| Fuerza de actuación | 95 N |
| Posición de montaje | Cualquiera |
| Temperatura de almacenamiento | -40 ... 80 °C |
| Vida mecánica | 0.1 x 10⁶ |
| Clase de protección | IP66/IP67 |
| Diámetro de cable | 2 ... 5 mm |
| Temperatura ambiental | -30 ... 75 °C |
| Material | |
| Parada de emergencia | Termoplástico reforzado con fibra de vidrio |
| Carcasa/cubierta | Termoplástico reforzado con fibra de vidrio |
| Material de contacto | Plata |
Valores característicos según EN ISO 13849-1 y EN IEC 62061
| B10D | Tiempo de servicio | |
|---|---|---|
| Parada de emergencia | 0.2x106 | 20 y |
Accesorios
Accesorios de montaje
Descargas
Paquete completo
Descargue todos los documentos importantes con un solo clic.
Incluye:
- El manual de instrucciones y, en su caso, la documentación adicional correspondiente o las guías breves.
- En su caso, las fichas de datos como complemento al manual de instrucciones.
- La declaración de conformidad.
Descargar el paquete completo (ZIP, 16,5 MB)
Documentos sueltos
Declaraciones de conformidad
EU-Konformitätserklärung
N.º doc.
Versión
Idioma
Tamaño
EU-Konformitätserklärung
N.º doc.
EDC2091952
Versión
Idioma
Tamaño
0,5 MB
UKCA-Konformitätserklärung
N.º doc.
Versión
Idioma
Tamaño
UKCA-Konformitätserklärung
N.º doc.
EDC20001495
Versión
Idioma
Tamaño
0,4 MB
Instrucciones
Manual de instrucciones Interruptor de accionamiento por cable RPS-C…
N.º doc.
Versión
Idioma
Tamaño
Manual de instrucciones Interruptor de accionamiento por cable RPS-C…
N.º doc.
MAN20001761
Versión
08/25
Idioma
Tamaño
5,2 MB
Operating instructions Rope Pull Switches RPS-C…
N.º doc.
MAN20001761
Versión
08/25
Idioma
Tamaño
5,2 MB
Mode d’emploi Interrupteurs à câble RPS-C…
N.º doc.
MAN20001761
Versión
08/25
Idioma
Tamaño
5,2 MB
Betriebsanleitung Seilzugschalter RPS-C…
N.º doc.
MAN20001761
Versión
08/25
Idioma
Tamaño
5,0 MB
Otros documentos
Documentos de venta
Clever and compact – the RPS-C Serie
N.º doc.
Versión
Idioma
Tamaño
Clever and compact – the RPS-C Serie
N.º doc.
175655
Versión
01-04/25
Idioma
Tamaño
0,5 MB
Clever und compact – die RPS-C Serie
N.º doc.
Versión
Idioma
Tamaño
Clever und compact – die RPS-C Serie
N.º doc.
175654
Versión
01-04/25
Idioma
Tamaño
0,5 MB
Dispositivos de parada de emergencia / Interruptores de accionamiento por cable
N.º doc.
Versión
Idioma
Tamaño
Dispositivos de parada de emergencia / Interruptores de accionamiento por cable
N.º doc.
116530
Versión
06-06/16
Idioma
Tamaño
1,8 MB
Emergency Stop Devices/Rope Pull Switches
N.º doc.
116448
Versión
06-06/16
Idioma
Tamaño
1,8 MB
Dispositifs d‘arrêt d‘urgence/interrupteurs à câble
N.º doc.
116529
Versión
06-06/16
Idioma
Tamaño
1,8 MB
Not-Halt-Geräte/Seilzugschalter
N.º doc.
106210
Versión
06-06/16
Idioma
Tamaño
1,8 MB
Homologaciones y certificados
WEEE
N.º doc.
Versión
Idioma
Tamaño
WEEE
N.º doc.
ECO20001806
Versión
Idioma
Tamaño
0,1 MB
c_UL_us
N.º doc.
Versión
Idioma
Tamaño
c_UL_us
N.º doc.
20001777
Versión
Idioma
Tamaño
0,2 MB
CAD/eCAD
Datos de pedido
| N.º de pedido | 174757 |
| Nombre de artículo | RPS-C-538SR95M-174757 |
| Peso bruto | 0,312kg |
| Partida arancelaria | 85365019000 |
| ECLASS | 27-37-12-01 Emergency stop pull cord switch |








