CES-FD-AP-U-01-USI-119865 (N.º de pedido 119865)

Unidad de evaluación de campo CES-FD-AP-…

  • Conexión de una cabeza de lectura CES/CKS
  • Evaluación de las señales sobre el terreno
  • Conexión a dispositivos ET200s y ET200pro
  • Interfaz EUCHNER AP ya conocida
  • Unicode
CES-FD-AP-U-01-USI-119865 (N.º de pedido 119865)

Descripción

Control de cortocircuito transversal

El interruptor genera una señal de reloj propia en las líneas de salida FO1A/FO1B. Tenga esto en cuenta al conectar el dispositivo a controladores y relés.

Categoría según EN ISO 13849-1

Gracias a las dos salidas de semiconductor redundantes (salidas de seguridad) con control interno, es adecuado para:

  • Categoría 4/PL e según EN ISO 13849-1.

Importante:Para llegar a la categoría indicada según EN ISO 13849-1, deben evaluarse siempre las dos salidas de seguridad (F01A y F01B).

Indicador LED

STATE

LED de estado

DIA

LED de diagnóstico

Conexión para sistema de control

Conector (visto desde el lado de conexión)PINDenominaciónFunciónColor de conductor del cable de conexión

1UBAlimentación de tensión, 24 V CCBN
2FO1ASalida de seguridad del canal 1WH
30 VMasa, 0 V CCBU
4FO1BSalida de seguridad del canal 2BK
5-No conectadoGY

Conexión para cabeza de lectura

Conector (visto desde el lado de conexión)PINDenominaciónFunciónColor de conductor del cable de conexión

1H1Cable de datosBN
3H2Cable de datosWH
4SHBlindaje-
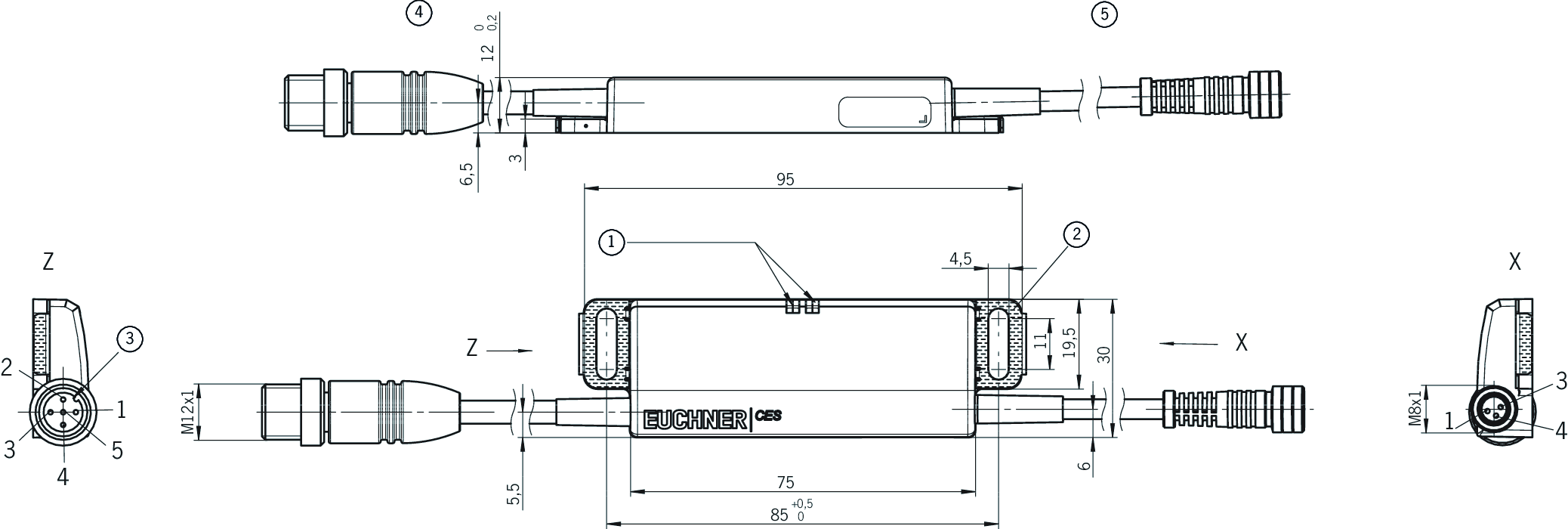
Plano de dimensiones
Plano de dimensiones
Esquema de conexiones
Esquema de conexiones

Dibujos acotados

Dibujos acotados
1Indicador de estado LED
2Lengüeta de fijación con chapa de refuerzo
3Pestaña de codificación
4Longitud del cable: 1000 mm
5Longitud del cable: 200 mm

Ejemplos de conexión

Ejemplos de conexión

Datos técnicos

Homologaciones

c_UL_us_E346349_1/1

Espacio de trabajo

Precisión de repetición R
Según EN 60947-5-2 10 %

Valores de conexión eléctrica

Cobertura
Externo (tensión de servicio) 0.25 ... 8 A
Tensión de aislamiento de referencia Ui 75 V
Tensión nominal de impulso Uimp 1.5 kV
Tensión de servicio CC
UB (PELV, véase el manual de instrucciones) (protegida contra inversiones de polaridad, regulada, ondulación residual<5 %) 24 V DC -15% ... +15% (El dispositivo tolera interrupciones de la tensión de servicio (por ejemplo, pulsos de prueba) de hasta 5 ms. Estas interrupciones de tensión también se transmiten por las salidas de seguridad.)
Tiempo de conexión
Salidas de seguridad max. 400 ms
Normas de protección de compatibilidad electromagnética (CEM) Según EN IEC 60947-5-3
Periodo de riesgo según EN 60947-5-3 max. 260 ms
Clase de protección III
Consumo de corriente max. 45 mA
Grado de contaminación (externa, según EN 60947-1) 3
Salidas de seguridad FO1A/FO1B
Tipo de salida Salidas de semiconductor, conmutación p, protección contra cortocircuitos
Tensión de salida
HIGH U(FO1A) / U(FO1B) UB-1.5V ... UB V DC (Valores para una corriente de activación de 50mA independiente de la longitud del cable.)
LOW U(FO1A)/U(FO1B) 0 ... 1 V DC
Corriente de cortocircuito de referencia condicionada 100 A
Tiempo de discrepancia max. 10 ms
Categoría de uso
DC-13 24 V 150 mA (Atención: Las salidas deben protegerse con un diodo de indicación libre en caso de cargas inductivas.)
Corriente residual Ir max. 0.25 mA
Corriente de conmutación
Por salida de seguridad 1 ... 150 mA
Duración del impulso de prueba max. 0.3 ms (Válido para una carga con C<= 30 nF y R<= 20 kOhm)
Intervalo entre impulsos de prueba min. 100 ms

Valores mecánicos y entorno

Tipo de conexión Cable de conexión de PUR con conector M12, 5 polos, pin 5 no asignado
Par de apriete
Tornillos de fijación max. 1 Nm
Demora de operatividad 1 s
Posición de montaje Cualquiera
Frecuencia de conmutación max. 1 Hz
Temperatura de almacenamiento -25 ... 70 °C
Resistencia al choque y a la vibración Según EN IEC 60947-5-3
Clase de protección IP65/IP67
Temperatura ambiental cable (dinámica) -5 ... 65 °C
Temperatura ambiental cable (estática) -20 ... 65 °C
Material
Carcasa Plástico, PBT

Valores característicos según EN ISO 13849-1 y EN IEC 62061

PLSIL máx.PFHDCategoríaTiempo de servicio
Supervisión de la posición del resguardoPL e-4.5x10-9420 y


Varios

Aviso para Homologaciones UL Servicio solo con alimentación de tensión de la clase 2 según UL o medidas equivalentes

En combinación con la cabeza de lectura CES-A-LMN-SC y el actuador CES-A-BMB

Distancia de activación 5 mm (con cabeza de lectura CES-A-LMN-SC y actuador CES-A-BMB)
Distancia de desconexión asegurada sar 10 mm (con cabeza de lectura CES-A-LMN-SC y actuador CES-A-BMB)
Distancia de conmutación segura sao min. 3.4 mm (con cabeza de lectura CES-A-LMN-SC y actuador CES-A-BMB)
Histéresis de conmutación 0.05 ... 0.2 mm (con cabeza de lectura CES-A-LMN-SC y actuador CES-A-BMB)

Accesorios

Descargas

Paquete completo

Descargue todos los documentos importantes con un solo clic.

Incluye:

  • El manual de instrucciones y, en su caso, la documentación adicional correspondiente o las guías breves.
  • En su caso, las fichas de datos como complemento al manual de instrucciones.
  • La declaración de conformidad.
Descargar el paquete completo (ZIP, 4,1 MB)

Documentos sueltos

Otros documentos

Datos de pedido

N.º de pedido 119865
Nombre de artículo CES-FD-AP-U-01-USI-119865
Peso bruto 0,156kg
Partida arancelaria 85365019000
ECLASS 27-27-24-03 Safety-related transponder switch