C-M12F05-05X034PU10,0-GA-136963 (N.º de pedido 136963)
Elija el contenido
Cable de conexión con conector M12 acodado, 5 polos, 10 m
- Para alta temperatura hasta +150 °C
- Conector hembra M12, 5 polos
- Conector acodado
- Cable de PUR
- Longitud del cable: 10 m
- Con extremo del cable abierto

Descripción

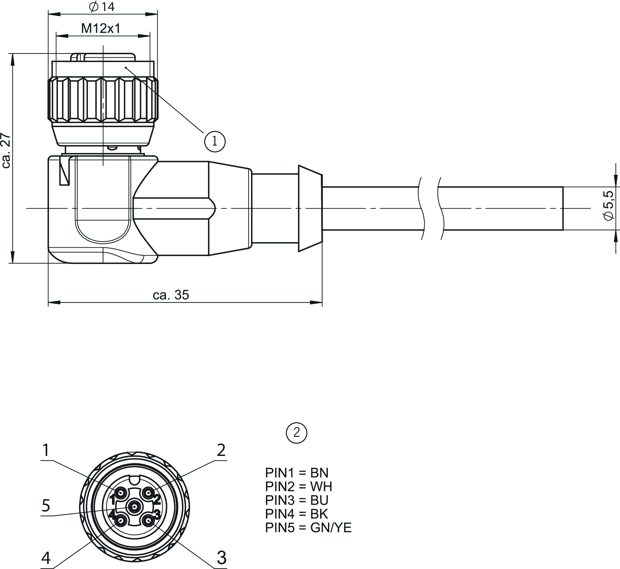
Dibujos acotados

| 1 | Conector hembra M12x1, 5 polos; codificación: codificación A |
| 2 | Asignación de contactos vista desde el lado de conexión |
Datos técnicos
Homologaciones

Valores de conexión eléctrica
| Nivel de tensión | 60 V |
| Corriente nominal | |
| A 40 °C | 4 A |
Valores mecánicos y entorno
| Identificación del conductor | Código de colores |
| Sección del conductor | 0,34 mm² |
| Número de conductores | 5 |
| Radio de flexión dinámico | Mín. 30 mm |
| Radio de flexión estático | Mín. 15 mm |
| Temperatura de almacenamiento | -30 ... 150 °C |
| Tipo de cable | Recto |
| Diámetro del cable | |
| Aprox. | 5.5 mm |
| Longitud del cable | 10 m |
| Adecuado para cadenas portacables | No |
| Temperatura ambiental cable (dinámica) | -30 ... 150 °C |
| Temperatura ambiental cable (estática) | -30 ... 150 °C |
| Material | |
| Recubrimiento | TPE (PUR, alta temperatura) |
| Conexión 2 | |
| Extremo del conductor | Corte liso |
| Tipo de conexión | Extremo del cable abierto |
| Conexión 1 | |
| Tipo de conexión | Conector M12 x 1 |
| Tipo de conexión | Conector hembra |
| Par de apriete | 0.5 Nm |
| Salida de cable | Acodado |
| Número de polos | 5 |
| Clase de protección | IP65 (Cuando está enchufado y asegurado) |
| Enclavamiento del conector | Cierre roscado |
| Material | |
| Caja de conexiones | TPE |
Descargas
Paquete completo
Descargue todos los documentos importantes con un solo clic.
Incluye:
- El manual de instrucciones y, en su caso, la documentación adicional correspondiente o las guías breves.
- En su caso, las fichas de datos como complemento al manual de instrucciones.
- La declaración de conformidad.
Descargar el paquete completo (ZIP, 1,0 MB)
Documentos sueltos
Declaraciones de conformidad
EU-Konformitätserklärung
N.º doc.
Versión
Idioma
Tamaño
EU-Konformitätserklärung
N.º doc.
EDC20001578
Versión
Idioma
Tamaño
0,2 MB
Instrucciones
Información de seguridad
N.º doc.
Versión
Idioma
Tamaño
Información de seguridad
Safety information
Information de sécurité
Sicherheitsinformation
Informação de segurança
Informazioni sulla sicurezza
Bezpečnostní informace
Biztonsági információ
Информация за безопасност
Sikkerhedsinformation
Ohutusalane teave
Turvallisuustiedot
Πληροφορία ασφαλείας
Sigurnosne informacije
Informācija par drošību
Saugos informacija
Veiligheidsinformatie
Sikkerhetsinformasjon
Informacje o bezpieczeństwie
Säkerhetsinformation
Varnostne informacije
Bezpečnostné informácie
Güvenlik bilgisi
Informații privind siguranța
Safety information
Information de sécurité
Sicherheitsinformation
Informação de segurança
Informazioni sulla sicurezza
Bezpečnostní informace
Biztonsági információ
Информация за безопасност
Sikkerhedsinformation
Ohutusalane teave
Turvallisuustiedot
Πληροφορία ασφαλείας
Sigurnosne informacije
Informācija par drošību
Saugos informacija
Veiligheidsinformatie
Sikkerhetsinformasjon
Informacje o bezpieczeństwie
Säkerhetsinformation
Varnostne informacije
Bezpečnostné informácie
Güvenlik bilgisi
Informații privind siguranța
N.º doc.
MAN20001593
Versión
01-10/22
Idioma
Tamaño
0,6 MB
Sicherheitsinformation
N.º doc.
MAN20001593
Versión
01-10/22
Idioma
Tamaño
0,2 MB
Otros documentos
Documentos de venta
Position Switches and Multiple Limit Switches
N.º doc.
Versión
Idioma
Tamaño
Position Switches and Multiple Limit Switches
N.º doc.
157836
Versión
01-03/18
Idioma
Tamaño
4,1 MB
Interrupteurs de position et boîtiers multipistes
N.º doc.
157837
Versión
01-03/18
Idioma
Tamaño
4,1 MB
Positionsschalter und Reihengrenztaster
N.º doc.
157835
Versión
01-03/18
Idioma
Tamaño
4,1 MB
Homologaciones y certificados
WEEE
N.º doc.
Versión
Idioma
Tamaño
WEEE
N.º doc.
ECO20001806
Versión
Idioma
Tamaño
0,1 MB
c UL us
N.º doc.
Versión
Idioma
Tamaño
c UL us
N.º doc.
Versión
Idioma
Tamaño
0,2 MB
Datos de pedido
| N.º de pedido | 136963 |
| Nombre de artículo | C-M12F05-05X034PU10,0-GA-136963 |
| Peso bruto | 0,45kg |
| Partida arancelaria | 85389099990 |
| ECLASS | 27-06-03-04 Appliance cord (data cable) |
