MGB-L0C-ARA-L-110260 (N.º de pedido 110260)
Módulo de enclavamiento MGB-L0-ARA… con 3 pulsadores, 2 indicadores de parada de emergencia, con portarrótulos, RC26
- Enclavamiento (sin bloqueo)
- Posibilidad de conexión en serie con otros dispositivos AR (por ejemplo, CES-AR y CET-AR)
- Con módulo de mando MGB-C
- Parada de emergencia conforme a ISO 13850
- 3 pulsadores (iluminados, wh, wh, bu)
- 2 indicadores (iluminados, gn, rd)
- Incluye rótulos adhesivos
- Con conector RC26
- Unicode

Descripción
Tipo de bloqueo
MGB-L0… | El pestillo del cerrojo del módulo con manilla entra y sale del módulo de enclavamiento al accionar la manilla de la puerta. El trinquete de la puerta no se bloquea cuando se encuentra en la posición de enclavamiento. |
Sujeción de puerta
El módulo de evaluación del sistema MGB lleva integrado un tope de puerta mecánico. En la superficie del batiente hay una marca que facilita el ajuste.
Indicador LED
El LED facilita toda la información importante de estado y del sistema.
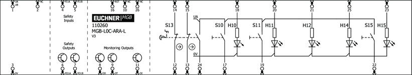
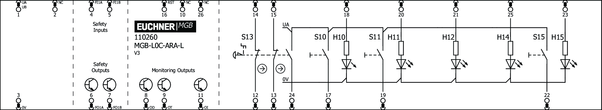
Salidas de monitorización
OD | Activada cuando la puerta está cerrada |
OT | Pestillo del cerrojo dentro del módulo de evaluación |
OI | Diagnóstico, detección de error |
Dispositivo de parada de emergencia
S1 | 2 contactos de apertura positiva y 1 contacto NO (por ejemplo, contacto de monitorización), parada de emergencia con desbloqueo por giro, sin iluminación |
Pulsador
S10 | 1 contacto NO, blanco, iluminado |
S11 | 1 contacto NO, blanco, iluminado |
S15 | 1 contacto NO, azul, iluminado |
Indicadores
H12 | Led, verde |
H14 | Led, rojo |
Rótulos adhesivos
Los dispositivos con rótulos adhesivos tienen huecos preparados para pegar los rótulos adhesivos que se adjuntan (medidas estándares 12,5 x 27 mm).



Dibujos acotados

Dibujos acotados

Ejemplos de conexión

Datos técnicos
Homologaciones


Elementos de mando y visualización
| Diagrama de ocupación | |
| C2 | |
| L0 |
| Posición | Color | Extras | Elemento interruptor | Rótulo insertable | Modelo | Observación rótulo insertable | Cantidad | Denominación 1 | LED |
|---|---|---|---|---|---|---|---|---|---|
| 10 | Blanco | 1 NO | Pulsadores con iluminación | ||||||
| 11 | Blanco | 1 NO | Pulsadores con iluminación | ||||||
| 12 | Verde | Cubierta para indicadores luminosos | |||||||
| 13 | Con contacto de monitorización | 2 contactos de apertura positiva + 1 contacto NO | Klebeschild D40mm | Parada de emergencia | |||||
| 14 | Rojo | Cubierta para indicadores luminosos | |||||||
| 15 | azul | 1 NO | Pulsadores con iluminación |
Valores de conexión eléctrica
| Tensión de aislamiento de referencia Ui | 30 V |
| Tensión nominal de impulso Uimp | 1.5 kV |
| Tiempo de discrepancia | |
| entre FO1A y FO1B | max. 10 ms |
| Categoría de uso | |
| DC-13 | 24 V 200 mA (Atención: Las salidas deben protegerse con un diodo de indicación libre en caso de cargas inductivas.) |
| Periodo de riesgo según EN 60947-5-3 | max. 350 ms |
| Periodo de riesgo según EN 60947-5-3, ampliación por cada unidad adicional | max. 5 ms |
| Clase de protección | III |
| Codificación del transponder | Unicode |
| Grado de contaminación (externa, según EN 60947-1) | 3 |
| Elementos de mando e indicadores | |
| Potencia de conmutación | max. 0.25 W |
| Tensión de conmutación | UA V |
| Corriente de conmutación | 1 ... 10 mA |
| Alimentación de tensión LED | 24 V DC |
| Parada de emergencia | |
| Potencia de conmutación | max. 0.25 W |
| Tensión de conmutación | 5 ... 24 V |
| Corriente de conmutación | 1 ... 100 mA |
| Alimentación de tensión LED | 24 V DC |
| Salidas de monitorización OD, OT, OL, OI | |
| Tipo de salida | Salidas de semiconductor, conmutación p, protección contra cortocircuitos |
| Tensión de salida | UA-2V ... UA V DC (Valor para una corriente de activación de 50 mA independiente de la longitud del cable) |
| Corriente de salida | max. 50 mA |
| Salidas de seguridad FO1A, FO1B | |
| Tipo de salida | Salidas de semiconductor, conmutación p, protección contra cortocircuitos |
| Tensión de salida | |
| UFO1A /UFO1B LOW | 0 ... 1 V DC |
| UFO1A /UFO1B HIGH | UB-2V ... UB V DC (Valor para una corriente de activación de 50 mA independiente de la longitud del cable) |
| Corriente de salida | |
| Por salida de seguridad FO1A/FO1B | 1 ... 200 mA |
| Duración del impulso de prueba | max. 1 ms |
| Intervalo entre impulsos de prueba | min. 100 ms |
| Alimentación de tensión UA | |
| Tensión de servicio CC | |
| UA | 24 V DC -15% ... +10% ((protegida contra inversiones de polaridad, regulada, ondulación residual<5 %, PELV)) |
| Consumo de corriente | |
| IUA | max. 10 mA ((con salidas OD, OT, OL y OI sin carga)) |
| Alimentación de tensión UB | |
| Tensión de servicio CC | |
| UB | 24 V DC -15% ... +10% ((protegida contra inversiones de polaridad, regulada, ondulación residual<5 %, PELV)) |
| Consumo de corriente | |
| IUB | max. 80 mA ((todas las salidas sin carga)) |
Valores mecánicos y entorno
| Tipo de conexión | Conector RC26 (X6) |
| Posición de montaje | Sujeción de puerta DIN izquierda |
| Frecuencia de conmutación | 0.25 Hz |
| Temperatura de almacenamiento | -25 ... 70 °C |
| Vida mecánica | |
| Si se utiliza como tope de puerta con una energía de impacto de 1 julio | 0.1 x 10⁶ |
| 1 x 10⁶ | |
| Clase de protección | IP65 |
| Temperatura ambiental | |
| Con UB = 24 V CC | -20 ... 55 °C |
| Material | |
| Carcasa | Plástico reforzado con fibra de vidrio; fundición de cinc, niquelada; acero inoxidable |
Valores característicos según EN ISO 13849-1 y EN IEC 62061
| PL | SIL máx. | PFHD | Categoría | Tiempo de servicio | |
|---|---|---|---|---|---|
| Supervisión de la posición del resguardo | PL e | - | 3.7x10-9 | 4 | 20 y |
| B10D | Tiempo de servicio | |
|---|---|---|
| Parada de emergencia | 0.13x106 | 20 y |
Varios
| Rótulo insertable | |||||||
| |||||||
Accesorios
Descargas
Paquete completo
Descargue todos los documentos importantes con un solo clic.
Incluye:
- El manual de instrucciones y, en su caso, la documentación adicional correspondiente o las guías breves.
- En su caso, las fichas de datos como complemento al manual de instrucciones.
- La declaración de conformidad.
Documentos sueltos
Otros documentos
Macros ePlan
CAD/eCAD
Datos de pedido
| N.º de pedido | 110260 |
| Nombre de artículo | MGB-L0C-ARA-L-110260 |
| Peso bruto | 1,467kg |
| Partida arancelaria | 85365019000 |
| ECLASS | 27-27-24-03 Safety-related transponder switch |










