STP3A-4131A024-10C-DCX (N.º de pedido 098418)
Elija el contenido
Interruptor de seguridad STP con contacto de monitorización de puerta, conector MR10
- Cabezal actuador de metal
- Con contacto de monitorización de puerta
- Conector MR10

Descripción
Tensión de servicio del solenoide
- 24 V CA/CC +10 %, -15 %
Tipo de bloqueo
STP3 | Principio del bloqueo sin tensión, bloqueo mediante fuerza de resorte. Desbloqueo aplicando tensión en el solenoide de bloqueo. |
Elemento interruptor
4131 | Contacto de conmutación de acción lenta 2 NC |





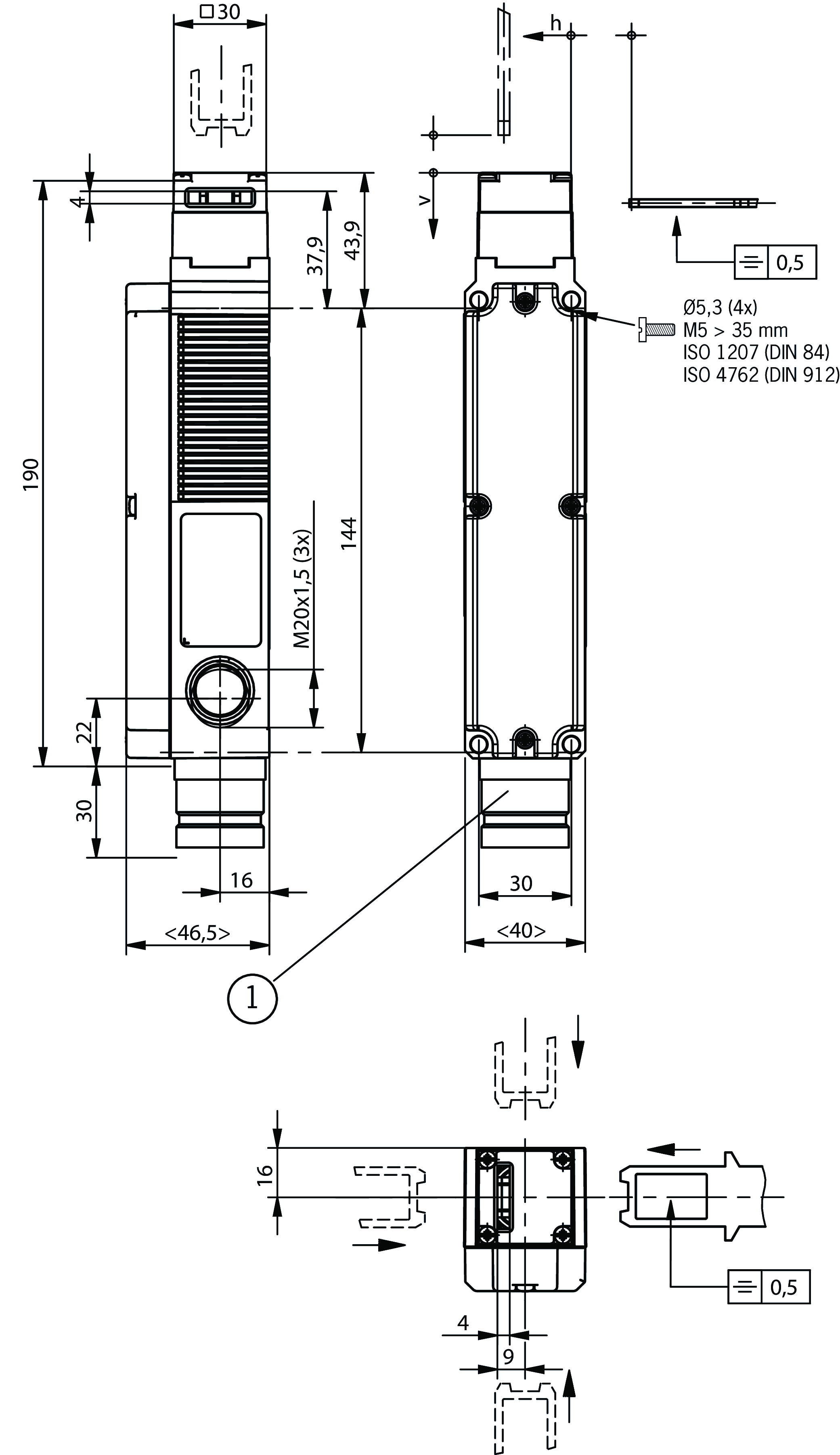
Dibujos funcionales

Dibujos acotados

| 1 | Conector no alineado |
Ejemplos de conexión

| 1 | Conector no alineado |
Ejemplos de conexión

![]() | Control de la puerta |
![]() | Control del solenoide |
Datos técnicos
Homologaciones

Valores de conexión eléctrica
| Cobertura | max. 4 A gG |
| Potencia de conexión | 8 W |
| Tensión de aislamiento de referencia Ui | 50 V |
| Tensión nominal de impulso Uimp | 2.5 kV |
| Categoría de uso | |
| DC-13 | 4 A 24 V |
| AC-15 | 4 A 50 V |
| Tensión de servicio del solenoide | |
| AC/DC | 24 V -15% ... +10% |
| Ciclo de trabajo del solenoide ED | 100 % |
| Tensión de conmutación | |
| Mín. a 10 mA | 12 V |
| Corriente de conmutación | |
| Mín. a 24 V | 1 mA |
| Corriente térmica de referencia Ith | 4 A |
Valores mecánicos y entorno
| Anfahrgeschwindigkeit | max. 20 m/min |
| Dirección de ataque | A |
| Tipo de conexión | |
| 1 x | Conector BHA10 (9 polos + PE (no conectado)) |
| Número de contactos NO de posición de la puerta | 1 |
| Número de contactos NO de monitorización de bloqueo | 1 |
| Número de contactos de apertura positiva de monitorización de bloqueo | 2 |
| Fuerza de extracción | 30 N |
| Frecuencia de accionamiento | max. 1200 1/h |
| Fuerza de actuación | 35 N |
| Posición de montaje | Cualquiera |
| Profundidad de inserción | 24.5 mm |
| Temperatura de almacenamiento | -25 ... 70 °C |
| Vida mecánica | 1 x 10⁶ |
| Fuerza de retención | 20 N |
| Principio de conmutación | Contacto de conmutación de acción lenta |
| Clase de protección | IP65 |
| Temperatura ambiental | -20 ... 55 °C |
| Material | |
| Contacto | Aleación de plata dorada |
| Carcasa | Termoplástico reforzado con fibra de vidrio |
| Fuerza de bloqueo Fmáx. | 2500 N |
| Fuerza de bloqueo FZh | 2000 N |
| Principio de bloqueo | Principio del bloqueo sin tensión |
Valores característicos según EN ISO 13849-1 y EN IEC 62061
| B10D | Tiempo de servicio | |
|---|---|---|
| Supervisión del bloqueo | 5x106 | 20 y |
| ¡Importante! Valores válidos a CC-13 100 mA/24V | ||
| PL | SIL máx. | Categoría | Tiempo de servicio | |
|---|---|---|---|---|
| Accionamiento del bloqueo | Dependiente del accionamiento externo del bloqueo | 20 y | ||
En combinación con el actuador ACTUADOR-S-GT-SN
| Recorrido por inercia | 5 mm |
Accesorios
Accesorios de montaje
Actuador
Actuador S acodado para interruptores de seguridad SGA/SGP/STA/STP/STM

115073
BETAETIGER-S-W-SN-C2115
BETAETIGER-S-W-SN-C2115
- Dos tornillos de seguridad de acero inoxidable por actuador
- Radio de puerta mínimo: 300 mm

095740
BETAETIGER-S-WQT-SN
BETAETIGER-S-WQT-SN
- Dos tornillos de seguridad incluidos

105808
BETAETIGER-S-WT-SN-C2115
BETAETIGER-S-WT-SN-C2115
- Dos tornillos de seguridad de acero inoxidable por actuador
- Actuadores con arandela de goma
- Radio de puerta mínimo: 300 mm
Ampliación de funciones
Cerrojo de metal
Cerrojo para interruptores de seguridad STA, STP, SGP y SGA
096384
RIEGEL S-A
RIEGEL S-A
- Cerrojo para interruptores de seguridad STA, STP, SGP y SGA
- Cerrojo de acero
- Para puertas con sujeción a la derecha
- Adecuado para una apertura de puerta de aprox. 15 mm
096385
RIEGEL S-C
RIEGEL S-C
- Cerrojo para interruptores de seguridad STA, STP, SGP y SGA
- Cerrojo de acero
- Para puertas con sujeción a la izquierda
- Adecuado para una apertura de puerta de aprox. 15 mm
Material de conexión
Descargas
Paquete completo
Descargue todos los documentos importantes con un solo clic.
Incluye:
- El manual de instrucciones y, en su caso, la documentación adicional correspondiente o las guías breves.
- En su caso, las fichas de datos como complemento al manual de instrucciones.
- La declaración de conformidad.
Descargar el paquete completo (ZIP, 6,6 MB)
Documentos sueltos
Declaraciones de conformidad
EU-Konformitätserklärung
N.º doc.
Versión
Idioma
Tamaño
EU-Konformitätserklärung
N.º doc.
EDC2539628
Versión
Idioma
Tamaño
0,2 MB
UKCA-Konformitätserklärung
N.º doc.
Versión
Idioma
Tamaño
UKCA-Konformitätserklärung
N.º doc.
EDC20001551
Versión
Idioma
Tamaño
0,1 MB
Instrucciones
Manual de instrucciones Interruptor de seguridad STP…
N.º doc.
Versión
Idioma
Tamaño
Manual de instrucciones Interruptor de seguridad STP…
N.º doc.
2095803
Versión
04/25
Idioma
Tamaño
1,9 MB
Operating Instructions Safety Switch STP…
N.º doc.
2095803
Versión
04/25
Idioma
Tamaño
1,9 MB
Mode d’emploi Interrupteur de sécurité STP…
N.º doc.
2095803
Versión
04/25
Idioma
Tamaño
1,9 MB
Betriebsanleitung Sicherheitsschalter STP…
N.º doc.
2095803
Versión
04/25
Idioma
Tamaño
1,9 MB
Istruzioni di impiego Finecorsa di sicurezza STP…
N.º doc.
2095803
Versión
04/25
Idioma
Tamaño
1,9 MB
Инструкция по эксплуатации Предохранительный выключатель STP…
N.º doc.
2095803
Versión
04/25
Idioma
Tamaño
2,4 MB
İşletim kılavuzu Emniyet şalteri STP…
N.º doc.
2095803
Versión
04/25
Idioma
Tamaño
2,3 MB
Otros documentos
Homologaciones y certificados
CCC
N.º doc.
Versión
Idioma
Tamaño
CCC
N.º doc.
20001753
Versión
Idioma
Tamaño
0,0 MB
WEEE
N.º doc.
Versión
Idioma
Tamaño
WEEE
N.º doc.
ECO20001806
Versión
Idioma
Tamaño
0,1 MB
CAD/eCAD
Datos de pedido
| N.º de pedido | 098418 |
| Nombre de artículo | STP3A-4131A024-10C-DCX |
| Peso bruto | 0,608kg |
| Partida arancelaria | 85365019000 |
| ECLASS | 27-27-26-03 Safety switch with guard control |
+ 1 NO + 1 NO (contacto de monitorización de puerta)


















