TP3-4141A024MC1844 (N.º de pedido 096893)
Interruptor de seguridad TP, entrada de cable M20 x 1,5, contactos para posición de puerta, Cerradura
- 3 entradas de cable M20x1,5
- Contactos para la posición de la puerta
- Desbloqueo auxiliar
- Con cerradura (universal)
- Principio del bloqueo sin tensión

Descripción
Dirección de ataque
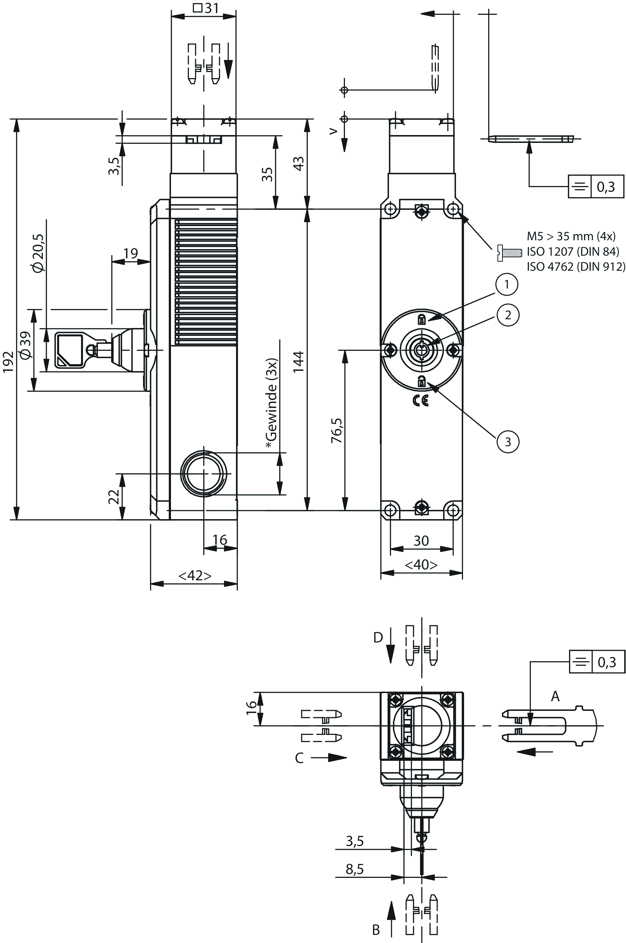
Horizontal y vertical
Regulable en intervalos de 90°
Recorrido prolongado en caso de dirección de ataque horizontal
Si se necesita que la puerta tenga más juego cuando está cerrada, hay disponible un actuador con recorrido por inercia. Con este actuador, la puerta puede moverse ligeramente en la dirección del actuador estando cerrada. Esto es importante, p. ej., cuando las puertas de protección disponen de un tope de goma. Mediante un actuador con recorrido es posible reducir la presión permanente del tope de goma comprimido. De esta forma se descarga tanto a la cabeza del interruptor como al mecanismo de la puerta.
Principio de bloqueo
Bloqueo sin tensión (power to unlock): en un resguardo con bloqueo según el principio del bloqueo sin tensión, el resguardo permanece bloqueado mediante fuerza de resorte hasta que se energiza el solenoide de bloqueo. El desbloqueo se produce mediante fuerza de solenoide. También se conoce como bloqueo mecánico.
Elemento interruptor
4141 | Contacto de conmutación de acción lenta |
Contactos para el bloqueo: 2 contactos de apertura positiva | |
Contactos para monitorizar la puerta: 2 contactos de apertura positiva |
Desbloqueo auxiliar
El dispositivo de desbloqueo auxiliar en la parte frontal permite acceder a la máquina si se produce un fallo de funcionamiento (por ejemplo, si hay un corte de tensión). El desbloqueo se efectúa con una herramienta o una llave. El desbloqueo auxiliar debe estar protegido contra el uso indebido (precinto, sellado).
Accesorios necesarios
El actuador no está incluido.




Dibujos funcionales

Dibujos acotados

| 1 | Bloqueada |
| 2 | Marca |
| 3 | Desbloqueada |
Ejemplos de conexión

![]() | Control de la puerta |
![]() | Control del solenoide |
Datos técnicos
Homologaciones



Valores de conexión eléctrica
| Cobertura | max. 4 A gG |
| Potencia de conexión | 8 W |
| Tensión de aislamiento de referencia Ui | 250 V |
| Tensión nominal de impulso Uimp | 2.5 kV |
| Categoría de uso | |
| DC-13 | 4 A 24 V |
| AC-15 | 4 A 230 V |
| Tensión de servicio del solenoide | |
| AC/DC | 24 V -15% ... +10% |
| Ciclo de trabajo del solenoide ED | 100 % |
| Tensión de conmutación | |
| Mín. a 10 mA | 12 V |
| Corriente de conmutación | |
| Mín. a 24 V | 1 mA |
| Corriente térmica de referencia Ith | 4 A |
Valores mecánicos y entorno
| Anfahrgeschwindigkeit | max. 20 m/min |
| Tipo de conexión | |
| 3 x | M20 x 1,5 |
| Número de contactos de apertura positiva de posición de la puerta | 2 |
| Número de contactos de apertura positiva de monitorización de bloqueo | 2 |
| Fuerza de extracción | 20 N |
| Frecuencia de accionamiento | max. 1200 1/h |
| Fuerza de actuación | 10 N |
| Posición de montaje | Cualquiera |
| Temperatura de almacenamiento | -25 ... 70 °C |
| Vida mecánica | 1 x 10⁶ |
| Fuerza de retención | 10 N |
| Principio de conmutación | Contacto de conmutación de acción lenta |
| Clase de protección | IP67 |
| Temperatura ambiental | -20 ... 55 °C |
| Material | |
| Carcasa | Termoplástico reforzado con fibra de vidrio |
| Contacto | Aleación de plata dorada |
| Fuerza de bloqueo Fmáx. | 1300 N |
| Fuerza de bloqueo FZh | 1000 N |
| Principio de bloqueo | Principio del bloqueo sin tensión |
Valores característicos según EN ISO 13849-1 y EN IEC 62061
| B10D | Tiempo de servicio | |
|---|---|---|
| Supervisión de la posición del resguardo | 3x106 | 20 y |
| ¡Importante! Valores válidos a CC-13 100 mA/24V | ||
| Supervisión del bloqueo | 3x106 | 20 y |
| ¡Importante! Valores válidos a CC-13 100 mA/24V | ||
| PL | SIL máx. | Categoría | Tiempo de servicio | |
|---|---|---|---|---|
| Accionamiento del bloqueo | Dependiente del accionamiento externo del bloqueo | 20 y | ||
Varios
| Número C | |
| C1844 | Con cerradura universal |
En combinación con el actuador ACTUADOR-P-GT
| Recorrido por inercia horizontal | 2 mm |
En combinación con el actuador ACTUADOR-P-GNT
| Recorrido por inercia horizontal | 7 mm |
Accesorios

AE-K-A1-DULK1-84177
- Cerradura con cierre diverso
- La llave puede extraerse en la posición de bloqueo y de desbloqueo.

AE-K-A1-ILK1-121917
- Cerradura universal
- La llave puede extraerse en la posición de bloqueo.

AE-K-A1-IUK2-109212
- Cerradura universal
- La llave solo puede extraerse en la posición de desbloqueo.

AE-K-A1-IULK1-86236
- Cerradura universal
- La llave puede extraerse en la posición de bloqueo y de desbloqueo.
AE-B-A1-02,0-096230
- Uso como desbloqueo antipánico o desbloqueo de emergencia
- Sin reposicionamiento automático
- Longitud del revestimiento 2 m (longitud del cable 6 m)
AE-B-A1-02,0-F-097747
- Uso como desbloqueo antipánico o desbloqueo de emergencia
- Reposicionamiento automático
- Longitud del revestimiento 2 m (longitud del cable 6 m)
AE-B-A1-03,0-098313
- Uso como desbloqueo antipánico o desbloqueo de emergencia
- Sin reposicionamiento automático
- Longitud del revestimiento 3 m (longitud del cable 6 m)
AE-B-A1-03,0-F-111233
- Uso como desbloqueo antipánico o desbloqueo de emergencia
- Reposicionamiento automático
- Longitud del revestimiento 3 m (longitud del cable 6 m)
AE-B-A1-04,0-098314
- Uso como desbloqueo antipánico o desbloqueo de emergencia
- Sin reposicionamiento automático
- Longitud del revestimiento 4 m (longitud del cable 6 m)
AE-B-A1-06,0-125582
- Uso como desbloqueo antipánico o desbloqueo de emergencia
- Sin reposicionamiento automático
- Longitud del cable 6 m (sin revestimiento)
AE-B-A1-06,0-F-124770
- Uso como desbloqueo antipánico o desbloqueo de emergencia
- Reposicionamiento automático
- Longitud del cable 6 m (sin revestimiento)
RIEGEL TP-A
- Cerrojo para interruptores de seguridad GP y TP
- Cerrojo de acero
- Para puertas con sujeción a la derecha
- Adecuado para una apertura de puerta de aprox. 15 mm
RIEGEL TP-C
- Cerrojo para interruptores de seguridad GP y TP...A
- Cerrojo de acero
- Para puertas con sujeción a la izquierda
- Adecuado para una apertura de puerta de aprox. 15 mm
RIEGEL 0 NP/TP OHNE RASTUNG
- Cerrojo para interruptores de seguridad NP... y TP...A
- Cerrojo de acero
- Para puertas con sujeción a la derecha o a la izquierda
- Adecuado para una apertura de puerta de aprox. 6 mm

RIEGEL 1 NP/TP 1X RASTUNG ZU
- Cerrojo para interruptores de seguridad NP...AS, TP...A y GP
- Cerrojo de acero
- Para puertas con sujeción a la derecha o a la izquierda
- Adecuado para una apertura de puerta de aprox. 15 mm
Descargas
Paquete completo
Descargue todos los documentos importantes con un solo clic.
Incluye:
- El manual de instrucciones y, en su caso, la documentación adicional correspondiente o las guías breves.
- En su caso, las fichas de datos como complemento al manual de instrucciones.
- La declaración de conformidad.
Documentos sueltos
Otros documentos
Datos de pedido
| N.º de pedido | 096893 |
| Nombre de artículo | TP3-4141A024MC1844 |
| Peso bruto | 0,641kg |
| Partida arancelaria | 85365019000 |
| ECLASS | 27-27-26-03 Safety switch with guard control |




























