TX1B-A110M (N.º de pedido 085383)
Interruptor de seguridad TX, entrada de cable M20 x 1,5
- 3 entradas de cable M20x1,5
- Contactos para la posición de la puerta
- Desbloqueo auxiliar
- Indicador LED
- Principio del bloqueo sin tensión

Descripción
Indicador LED
El interruptor dispone de dos indicadores LED (rojo y verde) que pueden asignarse libremente.
Principio de bloqueo
Bloqueo sin tensión (power to unlock): en un resguardo con bloqueo según el principio del bloqueo sin tensión, el resguardo permanece bloqueado mediante fuerza de resorte hasta que se energiza el solenoide de bloqueo. El desbloqueo se produce mediante fuerza de solenoide. También se conoce como bloqueo mecánico.
Elemento interruptor
ETX B | Contacto de conmutación de acción lenta |
Contactos para el bloqueo: 2 contactos de apertura positiva | |
Contactos para monitorizar la puerta: 1 contacto NC |
Desbloqueo auxiliar
El dispositivo de desbloqueo auxiliar en la parte frontal permite acceder a la máquina si se produce un fallo de funcionamiento (por ejemplo, si hay un corte de tensión). El desbloqueo se efectúa con una herramienta o una llave. El desbloqueo auxiliar debe estar protegido contra el uso indebido (precinto, sellado).
Accesorios necesarios
El actuador no está incluido.




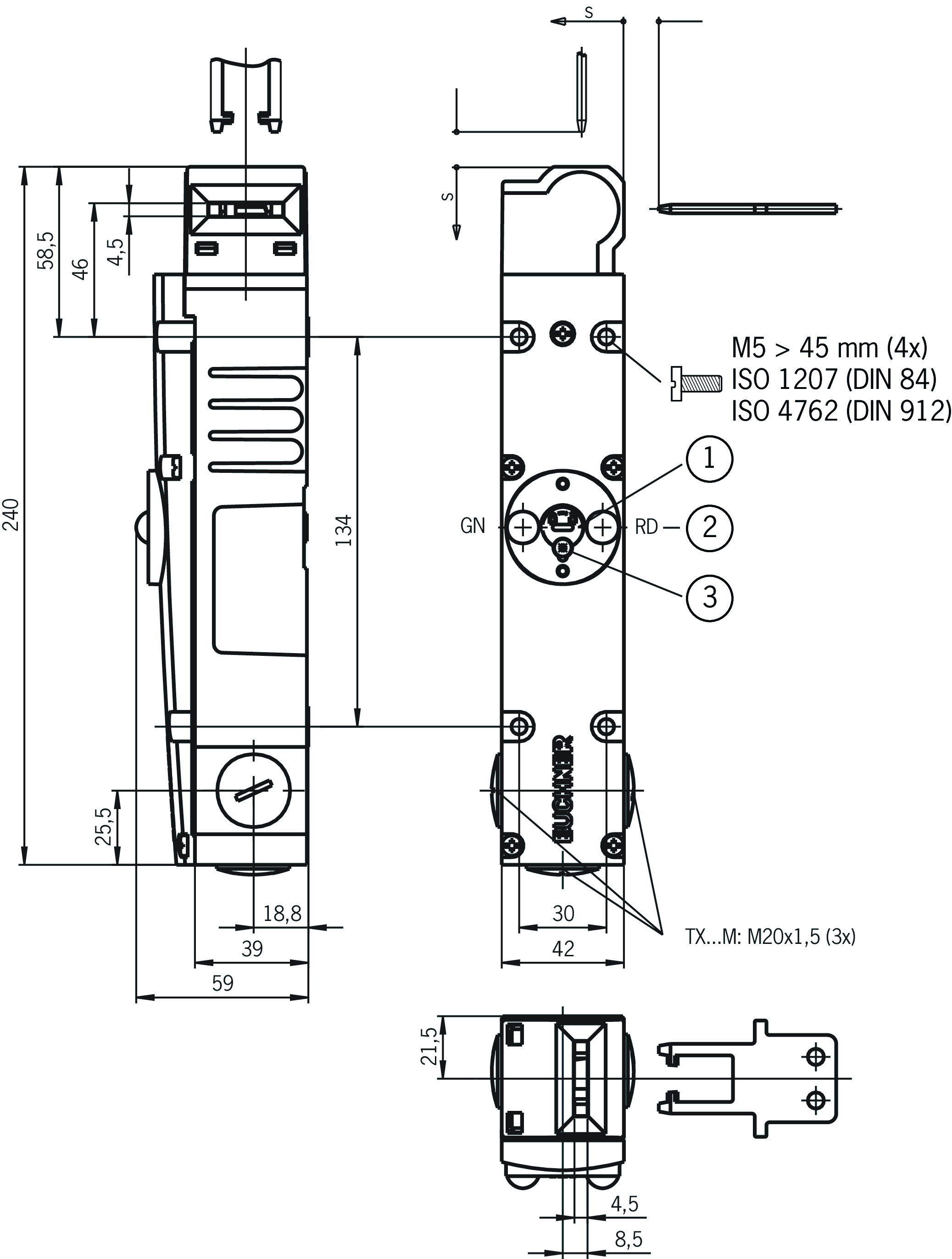
Dibujos funcionales

Dibujos acotados

| 1 | Desbloqueo auxiliar |
| 2 | Indicador LED |
| 3 | Tornillo de protección |
| s | Profundidad de inserción |
Ejemplos de conexión

Datos técnicos
Homologaciones




Elementos de mando y visualización
| Pantalla LED | La tensión de servicio coincide con la tensión del solenoide (2 LED; verde, rojo) |
Valores de conexión eléctrica
| Cobertura | max. 4 A gG |
| Potencia de conexión | 10 W |
| Sección transversal de conexión | 0.34 ... 1.5 mm² |
| Tensión de aislamiento de referencia Ui | 250 V |
| Tensión nominal de impulso Uimp | 2.5 kV |
| Categoría de uso | |
| AC-15 | 4 A 230 V |
| DC-13 | 4 A 24 V |
| Tensión de servicio del solenoide | |
| AC | 110 V -15% ... +10% |
| Ciclo de trabajo del solenoide ED | 100 % |
| Tensión de conmutación | |
| Mín. a 10 mA | 12 V |
| Corriente de conmutación | |
| Mín. a 24 V | 1 mA |
| Corriente térmica de referencia Ith | 4 A |
Valores mecánicos y entorno
| Anfahrgeschwindigkeit | max. 20 m/min |
| Dirección de ataque | A |
| Tipo de conexión | |
| 3 x | M20 x 1,5 |
| Número de contactos NC de posición de la puerta | 1 |
| Número de contactos NO de monitorización de bloqueo | 1 |
| Número de contactos de apertura positiva de monitorización de bloqueo | 2 |
| Fuerza de extracción | 35 N |
| Frecuencia de accionamiento | max. 1200 1/h |
| Fuerza de actuación | 35 N |
| Posición de montaje | Cualquiera |
| Profundidad de inserción | 32 mm |
| Temperatura de almacenamiento | -25 ... 80 °C |
| Vida mecánica | 1 x 10⁶ |
| Fuerza de retención | 20 N |
| Principio de conmutación | Contacto de conmutación de acción lenta |
| Clase de protección | IP67 |
| Temperatura ambiental | -20 ... 80 °C |
| Material | |
| Contacto | Aleación de plata dorada |
| Carcasa | Fundición de metal ligero anodizado, galvanizado por electrólisis |
| Fuerza de bloqueo Fmáx. | 1700 N |
| Fuerza de bloqueo FZh | 1300 N |
| Principio de bloqueo | Principio del bloqueo sin tensión |
Valores característicos según EN ISO 13849-1 y EN IEC 62061
| B10D | Tiempo de servicio | |
|---|---|---|
| Supervisión del bloqueo | 5x106 | 20 y |
| ¡Importante! Valores válidos a CC-13 100 mA/24V | ||
| PL | SIL máx. | Categoría | Tiempo de servicio | |
|---|---|---|---|---|
| Accionamiento del bloqueo | Dependiente del accionamiento externo del bloqueo | 20 y | ||
En combinación con el actuador ACTUADOR-X-GQ
| Recorrido por inercia | 1 mm |
En combinación con el actuador ACTUADOR-X-GNQ
| Recorrido por inercia | 8 mm |
Accesorios

RIEGEL TX-A
- Cerrojo para interruptores de seguridad TX y NX
- Cerrojo de acero
- Para puertas con sujeción a la derecha
- Adecuado para una apertura de puerta de aprox. 15 mm

RIEGEL TX-C
- Cerrojo para interruptores de seguridad TX y NX
- Cerrojo de acero
- Para puertas con sujeción a la izquierda
- Adecuado para una apertura de puerta de aprox. 15 mm
Descargas
Paquete completo
Descargue todos los documentos importantes con un solo clic.
Incluye:
- El manual de instrucciones y, en su caso, la documentación adicional correspondiente o las guías breves.
- En su caso, las fichas de datos como complemento al manual de instrucciones.
- La declaración de conformidad.
Documentos sueltos
Otros documentos
CAD/eCAD
Datos de pedido
| N.º de pedido | 085383 |
| Nombre de artículo | TX1B-A110M |
| Peso bruto | 0,857kg |
| Partida arancelaria | 85365019000 |
| ECLASS | 27-27-26-03 Safety switch with guard control |
+ 1 contacto NO















