C-M08F03-02X025PU50,0-ES-084767 (N.º de pedido 084767)
Elija el contenido
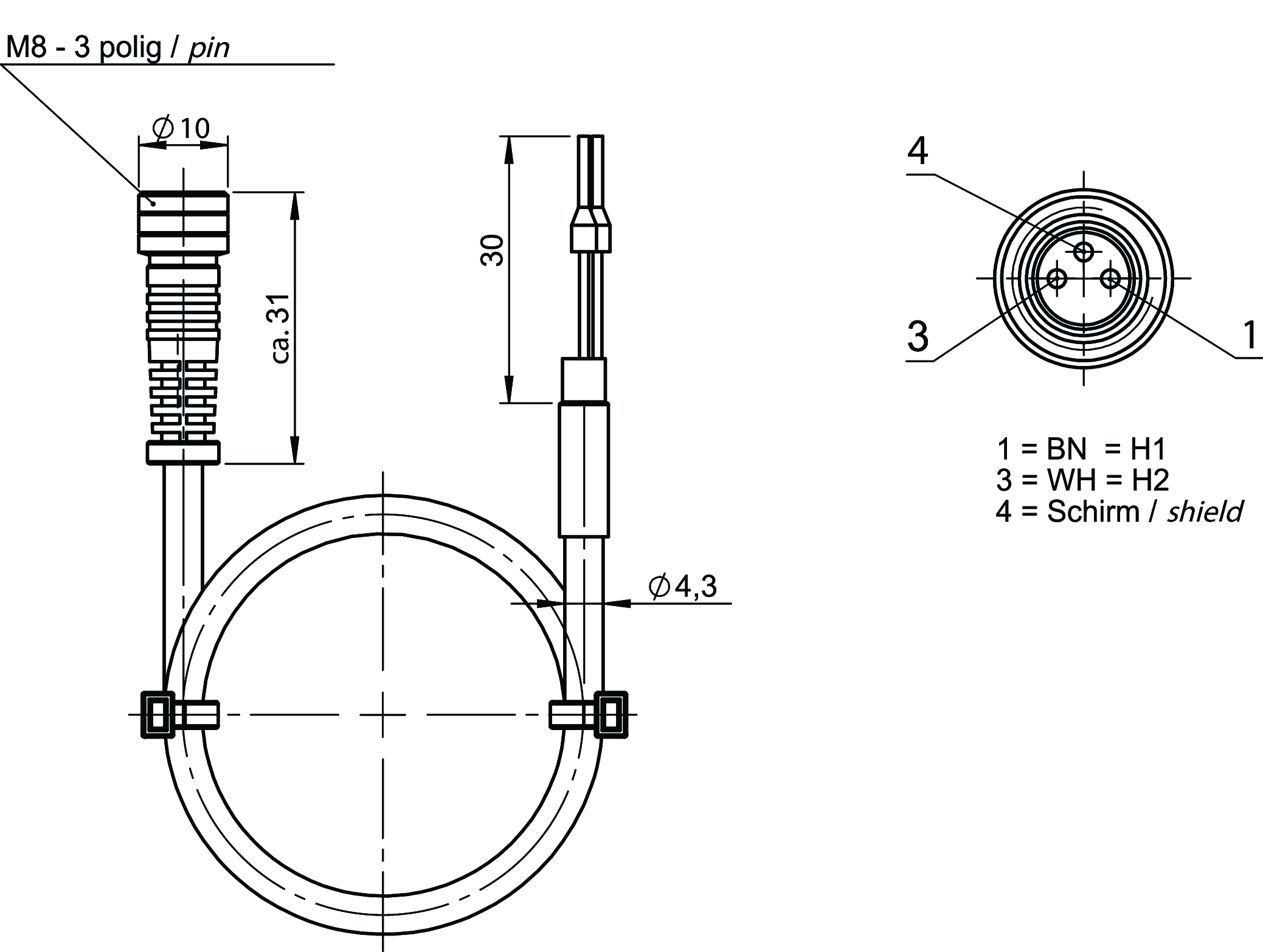
Cable de conexión con conector M8, 3 polos, 50 m
- Conector hembra M8, 3 polos
- Conector recto
- Cable de PUR
- Longitud del cable: 50 m
- Con extremo del cable abierto

Descripción

Dibujos acotados

Datos técnicos
Homologaciones


Valores de conexión eléctrica
| Nivel de tensión | |
| DC | 60 V |
| Tensión nominal de impulso Uimp | 1.5 kV |
| Corriente nominal | |
| A 25 °C | 4 A |
| Tensión de prueba | |
| Pin/Pin | 0.5 kV |
| Blindaje del cable | Sí (Cubierta 85 %) |
| Inductividad específica | 0.45 mH/km |
| Capacidad específica conductor/conductor | 60 nF/km |
| Capacidad específica conductor/blindaje | 120 nF/km |
| Resistencia específica | |
| A 20 °C | 78 Ω/km |
| Grado de contaminación según EN 60664-1 | 3 |
Valores mecánicos y entorno
| Identificación del conductor | Código de colores |
| Sección del conductor | 0,25 mm² |
| Número de conductores | 2 |
| Par de apriete | 0.4 Nm |
| Radio de flexión dinámico | 7,5 veces el diámetro del cable |
| Radio de flexión estático | 5 veces el diámetro del cable |
| Comportamiento en caso de incendio | Pirorretardante según DIN EN 60332-2-1 o VDE 0482-332-2-1 |
| Sin halógenos | Sí |
| Temperatura de almacenamiento | -25 ... 80 °C |
| Tipo de cable | Recto |
| Diámetro del cable | |
| Aprox. | 4.3 mm |
| Longitud del cable | 50 m |
| Color del revestimiento | Negro |
| Resistencia a los fluidos | Alta resistencia a grasas, refrigerantes y lubricantes. Resistencia al aceite conforme a DIN VDE 0473 parte 811. |
| Adecuado para cadenas portacables | Sí |
| Temperatura ambiental cable (dinámica) | -25 ... 70 °C |
| Temperatura ambiental cable (estática) | -25 ... 80 °C |
| Material | |
| Aislamiento del conductor | TPE-V |
| Recubrimiento | PUR |
| Conductor | Cable conductor de Cu desnudo |
| Conexión 2 | |
| Extremo del conductor | Terminal |
| Tipo de conexión | Extremo del cable abierto |
| Conexión 1 | |
| Tipo de conexión | Conector M8 x 1 |
| Tipo de conexión | Conector hembra |
| Denominación del conector | M8 x 1 |
| Grupo de aislantes | II |
| Salida de cable | Recto |
| Número de polos | 3 |
| Clase de protección | IP67/IP69/IP69K |
| Enclavamiento del conector | Cierre roscado |
| Ciclos de enchufe | 100 |
| Material | |
| Caja de conexiones | PUR |
| Enclavamiento del conector | CuZn niquelado |
Descargas
Paquete completo
Descargue todos los documentos importantes con un solo clic.
Incluye:
- El manual de instrucciones y, en su caso, la documentación adicional correspondiente o las guías breves.
- En su caso, las fichas de datos como complemento al manual de instrucciones.
- La declaración de conformidad.
Descargar el paquete completo (ZIP, 1,0 MB)
Documentos sueltos
Declaraciones de conformidad
EU-Konformitätserklärung
N.º doc.
Versión
Idioma
Tamaño
EU-Konformitätserklärung
N.º doc.
EDC20001578
Versión
Idioma
Tamaño
0,2 MB
Instrucciones
Información de seguridad
N.º doc.
Versión
Idioma
Tamaño
Información de seguridad
Safety information
Information de sécurité
Sicherheitsinformation
Informação de segurança
Informazioni sulla sicurezza
Bezpečnostní informace
Biztonsági információ
Информация за безопасност
Sikkerhedsinformation
Ohutusalane teave
Turvallisuustiedot
Πληροφορία ασφαλείας
Sigurnosne informacije
Informācija par drošību
Saugos informacija
Veiligheidsinformatie
Sikkerhetsinformasjon
Informacje o bezpieczeństwie
Säkerhetsinformation
Varnostne informacije
Bezpečnostné informácie
Güvenlik bilgisi
Informații privind siguranța
Safety information
Information de sécurité
Sicherheitsinformation
Informação de segurança
Informazioni sulla sicurezza
Bezpečnostní informace
Biztonsági információ
Информация за безопасност
Sikkerhedsinformation
Ohutusalane teave
Turvallisuustiedot
Πληροφορία ασφαλείας
Sigurnosne informacije
Informācija par drošību
Saugos informacija
Veiligheidsinformatie
Sikkerhetsinformasjon
Informacje o bezpieczeństwie
Säkerhetsinformation
Varnostne informacije
Bezpečnostné informácie
Güvenlik bilgisi
Informații privind siguranța
N.º doc.
MAN20001593
Versión
01-10/22
Idioma
Tamaño
0,6 MB
Sicherheitsinformation
N.º doc.
MAN20001593
Versión
01-10/22
Idioma
Tamaño
0,2 MB
Otros documentos
Homologaciones y certificados
WEEE
N.º doc.
Versión
Idioma
Tamaño
WEEE
N.º doc.
ECO20001806
Versión
Idioma
Tamaño
0,1 MB
c UL us
N.º doc.
Versión
Idioma
Tamaño
c UL us
N.º doc.
Versión
Idioma
Tamaño
0,4 MB
c UL us
N.º doc.
Versión
Idioma
Tamaño
0,2 MB
CAD/eCAD
Datos de pedido
| N.º de pedido | 084767 |
| Nombre de artículo | C-M08F03-02X025PU50,0-ES-084767 |
| Peso bruto | 1,274kg |
| Global Trade Item Number (GTIN) | 4047048000865 |
| Partida arancelaria | 85444290900 |
| ECLASS | 27-06-03-04 Appliance cord (data cable) |

