CES-I-AR-U-C04-SG-119469 (Order no. 119469)
Safety switch CES-I-AR-.-C04-…, RFID, plug connector M8
- Unicode
- Door position monitoring output OD
- Plug connector M8, 8-pin

Description
Typical operating distance
(only in combination with actuator CES-A-BBN-C04)
For a side approach direction for the actuator and safety switch, a minimum distance of s = 6 mm must be maintained so that the actuating range of the side lobes is not entered.
Attention:
The actuating range may vary depending on the actuator, substrate material and installation situation. You can find additional actuating ranges in the operating instructions.
Unicode evaluation
Each actuator is highly coded (unicode). The switch detects only taught-in actuators. Additional actuators can be taught-in.
Only the last actuator taught-in is detected.
Safety characteristics
Due to two redundantly designed safety outputs (semiconductor outputs) with internal monitoring, the device is suitable for:
- Category 4 /PL e according to EN 13849-1
- SIL 3 according to EN IEC 62061 Table 4
The OSSD outputs used check their function for short circuits using test pulses.
LED indicator
STATE | Status LED |
DIA | Diagnostics LED |
Terminal assignment
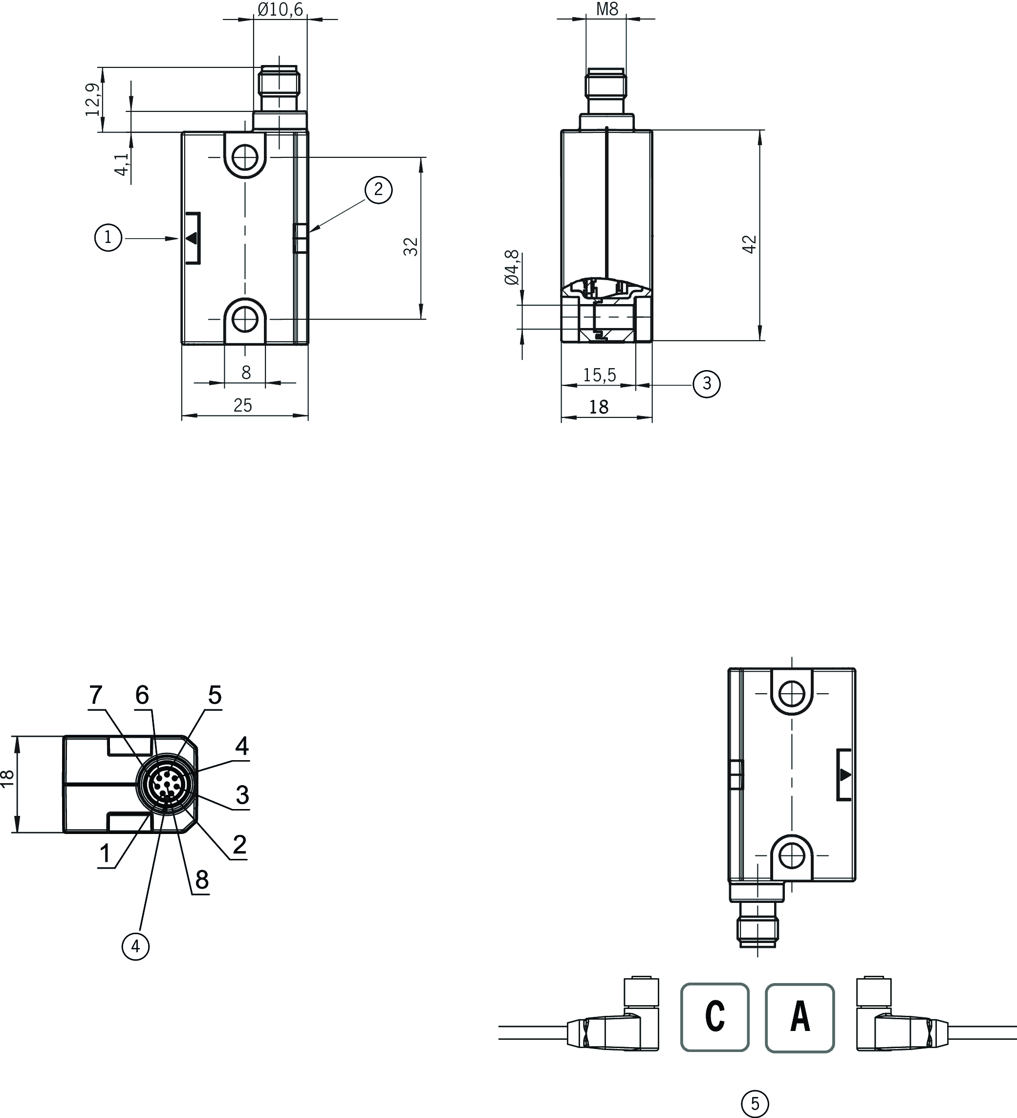
Plug connector aligned C04
The following applies to the device installation position shown: cable outlet C (left), cable outlet A (right).
Accessories required
Actuator is not included.
Dimensional drawings

| 1 | Active face |
| 2 | LED status indication |
| 3 | With rubber support |
| 4 | Coding lug |
| 5 | With the installation orientation shown: cable outlet on left or right |
Connection examples

Technical data
Approvals


Workspace
| Switching hysteresis | |
| Installation position A + C | 1 ... 2 mm |
| Repeat accuracy R | |
| according to EN 60947-5-2 | 10 % |
Electrical connection values
| Fuse | |
| external (operating voltage) | 0.25 ... 8 A |
| Rated insulation voltage Ui | 30 V |
| Rated impulse voltage Uimp | 0.5 kV |
| Operating voltage DC | |
| UB | 24 V DC -15% ... +15% regulated, residual ripple<5%, PELV |
| Turn-on time | |
| Safety outputs | max. 400 ms |
| EMC protection requirements | Acc. to EN IEC 60947-5-3 |
| Risk time according to EN 60947-5-3 | max. 260 ms |
| Risk time according to EN 60947-5-3, extension for each additional device | max. 5 ms |
| Safety class | III |
| Current consumption | max. 35 mA (without taking into account the load currents on the monitoring output and the safety outputs) |
| Degree of contamination (external, according to EN 60947-1) | 3 |
| Monitoring output OD | |
| Output type | Semiconductor output, p-switching, short circuit-proof |
| Output voltage | 0.8 x UB ... UB V DC |
| Switching current | max. 50 mA |
| Safety outputs FO1A/FO1B | |
| Output type | Semiconductor outputs, p-switching, short circuit-proof |
| Output voltage | |
| HIGH U(FO1A) / U(FO1B) | UB-1.5V ... UB V DC (Values at a switching current of 50 mA without taking into account the cable lengths.) |
| LOW U(FO1A) / U(FO1B) | 0 ... 1 V DC |
| rated conditional short-circuit current | 100 A |
| Discrepancy time | max. 10 ms |
| Utilization category | |
| DC-13 | 24V 200mA (Caution: outputs must be protected with a free-wheeling diode in case of inductive loads.) |
| Off-state current Ir | max. 0.25 mA |
| Switching current | |
| per safety output | 1 ... 200 mA |
| Test pulse duration | max. 1.0 ms (Applies to a load with C<= 30nF and R<= 20kOhm) |
| Test pulse interval | min. 140 ms |
Mechanical values and environment
| Connection type | M8 plug connector, 8-pin |
| Tightening torque | |
| Fixing screws | max. 0.8 Nm |
| Ready delay | 10 s |
| Installation orientation | any |
| Switching frequency | max. 1 Hz |
| Storage temperature | -25 ... 70 °C |
| Mounting distance | |
| between switches | min. 80 mm |
| Mounting type | Surface mounting on metal |
| Shock and vibration resistance | Acc. to EN IEC 60947-5-3 |
| Degree of protection | IP67/IP69K |
| Ambient temperature | -25 ... 65 °C |
| Material | |
| Rubber support | NBR 80 ±5 Shore |
| Housing | Plastic, PBT |
Characteristic values according to EN ISO 13849-1 and EN IEC 62061
| PL | Maximum SIL | PFHD | Category | Mission time | |
|---|---|---|---|---|---|
| Monitoring of the guard position | PL e | - | 4.1x10-9 | 4 | 20 y |
Miscellaneous
| Notices for UL approval | Operation only with UL Class 2 power supply or equivalent measures |
| Additional feature | Rubber support included |
In combination with actuator CES-A-BBN-C04-115271, CES-A-BBN-C04-EX-137527
| Switch-on distance | |
| Installation position A or B (front side) | 15 mm |
| Installation position C or D (broad side) | 11 mm |
| Secured switch-off distance sar | |
| in x/z direction | 40 mm |
| in y direction | 60 mm |
| Secured switching distance sao | |
| Installation position A or B (front side) | 10 mm |
| Installation position C or D (broad side) | 6 mm |
| Switching hysteresis | 1 ... 2 mm |
In combination with actuator CES-A-BDN-06-161742
| Switch-on distance | |
| Installation position C | 20 mm |
| Installation position A | 25 mm |
| Secured switch-off distance sar | |
| Installation position C | 72 mm |
| Installation position A | 77 mm |
| Secured switching distance sao | |
| Installation position A | min. 15 mm |
| Installation position C | min. 10 mm |
| Switching hysteresis | |
| Installation position A + C | 1 ... 2 mm |
In combination with actuator CES-A-BDN-06-104730
| Switch-on distance | |
| Installation position C or D (broad side) | 15 mm |
| Installation position A or B (front side) | 19 mm |
| Secured switch-off distance sar | |
| in y direction | 60 mm |
| in x/z direction | 40 mm |
| Secured switching distance sao | |
| Installation position A or B (front side) | min. 14 mm |
| Installation position C or D (broad side) | min. 10 mm |
| Switching hysteresis | 1 ... 2 mm |
In combination with actuator CES-A-BBN-161502
| Switch-on distance | |
| Installation position A + B | 25 mm |
| Installation position C + D | 20 mm |
| Secured switch-off distance sar | |
| in x-/z direction / installation position C + D | 64 mm |
| in x/z direction / installation position A + B | 69 mm |
| in y direction / installation position C + D | 72 mm |
| in y direction / installation position A + B | 77 mm |
| Secured switching distance sao | |
| Installation position A + B | min. 15 mm |
| Installation position C + D | min. 10 mm |
| Switching hysteresis | |
| Installation position A + B | 1 ... 2 mm |
| Installation position C + D | 1 ... 2 mm |
Accessories

CES-A-BBN-161502
- Cube-shaped design 42 x 25 mm, height 12 mm
- Transponder with large actuating range
- Mounting compatible with actuators: CES-A-BBA-071840, CES-BBN-106600, CES-A-BBN-C04-115271
- Two safety screws M4x14 included

CES-A-BBN-C04-115271
- Cube-shaped design 42 x 25 mm
- Two safety screws M4x20 and rubber support included
Downloads
Complete package
Download all important documents with a single click.
Content:
- The operating instructions and any additions to the operating instructions or brief instructions
- Any data sheets to supplement the operating instructions
- The declaration of conformity
Single Documents
Other Documents
ePlan macros
Ordering data
| Ordernumber | 119469 |
| Item designation | CES-I-AR-U-C04-SG-119469 |
| Gross weight | 0,067kg |
| Customs tariff number | 85365019000 |
| ECLASS | 27-27-24-03 Safety-related transponder switch |














