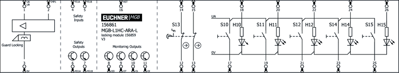
MGB-L1HC-ARA-L-156861 (Order no. 156861)
Locking set MGB-L1H-ARA..., (guard locking by spring force) with 5 pushbuttons, emergency stop, incl. label carrier, RC26
- Guard locking with guard lock monitoring
- Can be connected in series with other AR devices (e.g. CES-AR and CET-AR)
- With control module MGB-C
- Emergency stop according to ISO 13850
- 5 pushbuttons (illuminated)
- incl. adhesive labels
- With plug connector RC26
- Unicode

Description
Guard locking type
MGB-L1... | The locking arm is held in the locked position by spring force and is unlocked by solenoid force (closed-circuit current principle, mechanically locked). |
Door hinge
A mechanical door stop is permanently integrated into the evaluation module of the MGB. A marking on the stop makes adjustment easier.
LED indicator
The LED indicator indicates all important system and status information.
Monitoring outputs
OD | ON when the door is closed |
OT | Bolt tongue inserted into the evaluation module |
OL | Guard locking solenoid in locked position |
OI | Diagnostics; there is a fault |
Emergency stop device
S1 | 2 positively driven contacts, emergency stop with turn-to-reset, not illuminated |
Pushbuttons
S10 | 1 NO contact, illuminated |
S11 | 1 NO contact, illuminated |
S12 | 1 NO contact, illuminated |
S14 | 1 NO contact, illuminated |
S15 | 1 NO contact, illuminated |
Adhesive labels
Devices with adhesive labels have pre-formed recesses. The adhesive labels enclosed (standard size 12.5 x 27 mm) can be affixed in these recesses.










Dimensional drawings

Dimensional drawings

Connection examples

Technical data
Approvals



Handle modules MGB-H-AA1A1-L-106619 (Order no. 106619)
Mechanical values and environment
| Installation orientation | Door hinge DIN left |
| Storage temperature | -25 ... 70 °C |
| Degree of protection | IP65 |
| Ambient temperature | -20 ... 55 °C |
| Material | |
| Housing | Fiber glass reinforced plastic, nickel-plated die-cast zinc, stainless steel |
Locking modules MGB-L1C-ARA-L-156859 (Order no. 156859)
Operating and display elements
| Occupancy diagram | |
| C2 | |
| L0 |
| Item | Color | Extras | Version | Switching element | Note slide-in label | Slide-in label | Number | Designation1 | LED |
|---|---|---|---|---|---|---|---|---|---|
| 10 | Illuminated pushbutton | 1NO | |||||||
| 11 | Illuminated pushbutton | 1NO | |||||||
| 12 | Illuminated pushbutton | 1NO | |||||||
| 13 | Emergency stop | 2 PD | Klebeschild D40mm | ||||||
| 14 | Illuminated pushbutton | 1NO | |||||||
| 15 | Illuminated pushbutton | 1NO |
Electrical connection values
| Rated insulation voltage Ui | 30 V |
| Rated impulse voltage Uimp | 1.5 kV |
| Discrepancy time | |
| between FO1A and FO1B | max. 10 ms |
| Utilization category | |
| DC-13 | 24V 200mA (Caution: outputs must be protected with a free-wheeling diode in case of inductive loads.) |
| Risk time according to EN 60947-5-3 | max. 350 ms |
| Risk time according to EN 60947-5-3, extension for each additional device | max. 5 ms |
| Safety class | III |
| Transponder coding | Unicode |
| Degree of contamination (external, according to EN 60947-1) | 3 |
| Solenoid control input IMP1, IMP2, IMM | |
| Turn-on time | min. 750 ms |
| Test pulse duration | max. 5 ms |
| Test pulse interval | min. 100 ms |
| Controls and indicators | |
| Breaking capacity | max. 0.25 W |
| Switching voltage | UA V |
| Switching current | 1 ... 10 mA |
| LED power supply | 24 V DC |
| Emergency stop | |
| Breaking capacity | max. 0.25 W |
| Switching voltage | 5 ... 24 V |
| Switching current | 1 ... 100 mA |
| LED power supply | 24 V DC |
| Monitoring outputs OD, OT, OL, OI | |
| Output type | Semiconductor outputs, p-switching, short circuit-proof |
| Output voltage | UA-2V ... UA V DC (Value at a switching current of 50mA without taking into account the cable lengths) |
| Output current | max. 50 mA |
| Safety outputs FO1A, FO1B | |
| Output type | Semiconductor outputs, p-switching, short circuit-proof |
| Output voltage | |
| UFO1A /UFO1B LOW | 0 ... 1 V DC |
| UFO1A /UFO1B HIGH | UB-2V ... UB V DC (Value at a switching current of 50mA without taking into account the cable lengths) |
| Output current | |
| per safety output FO1A / FO1B | 1 ... 200 mA |
| Test pulse duration | max. 1 ms |
| Test pulse interval | min. 100 ms |
| Power supply UA | |
| Operating voltage DC | |
| UA | 24 V DC -15% ... +10% ((reverse polarity protected, regulated, residual ripple<5%, PELV)) |
| Current consumption | |
| IUA | max. 375 mA ((with energized guard locking solenoid and unloaded outputs OD, OT, OL, OI, +20 °C, 24V)) |
| Power supply UB | |
| Operating voltage DC | |
| UB | 24 V DC -15% ... +10% ((reverse polarity protected, regulated, residual ripple<5%, PELV)) |
| Current consumption | |
| IUB | max. 80 mA ((no load on outputs)) |
Mechanical values and environment
| Connection type | Plug connector RC26 (X6) |
| Installation orientation | Door hinge DIN left |
| Switching frequency | 0.25 Hz |
| Storage temperature | -25 ... 70 °C |
| Mechanical life | |
| in case of use as door stop, and 1 Joule impact energy | 0.1 x 10⁶ |
| 1 x 10⁶ | |
| Degree of protection | IP65 |
| Ambient temperature | |
| at UB = 24 V DC | -20 ... 55 °C |
| Material | |
| Housing | Fiber glass reinforced plastic; nickel-plated die-cast zinc; stainless steel |
| Locking force FZh | 2000 N |
| Guard locking principle | Closed-circuit current principle |
Characteristic values according to EN ISO 13849-1 and EN IEC 62061
| PL | Maximum SIL | PFHD | Category | Mission time | |
|---|---|---|---|---|---|
| Control of guard locking | PL e | - | 2.8x10-9 | 4 | 20 y |
| Monitoring of the guard position | PL e | - | 3.7x10-9 | 4 | 20 y |
| Guard lock monitoring | PL e | - | 3.7x10-9 | 4 | 20 y |
| B10D | Mission time | |
|---|---|---|
| Emergency stop | 0.13x106 | 20 y |
Miscellaneous
| Slide-in label | |||||||
| |||||||
| Additional feature | incl. lens set, ID no. 120344 | ||||||
Components
MGB-H-AA1A1-L-106619
Handle module MGB-H-...
- Intelligent bolt tongue
- Lockout mechanism
- Door handle
MGB-L1C-ARA-L-156859
Locking module MGB-L1-ARA..., (guard locking by spring force) with 5 pushbuttons, emergency stop, incl. label carrier, RC26
- Guard locking with guard lock monitoring
- Can be connected in series with other AR devices (e.g. CES-AR and CET-AR)
- With control module MGB-C
- Emergency stop according to ISO 13850
- 5 pushbuttons (illuminated)
- incl. adhesive labels
- With plug connector RC26
- Unicode
Accessories
Downloads
Complete package
Download all important documents with a single click.
Content:
- The operating instructions and any additions to the operating instructions or brief instructions
- Any data sheets to supplement the operating instructions
- The declaration of conformity
Single Documents
Other Documents
ePlan macros
CAD/eCAD
Ordering data
| Ordernumber | 156861 |
| Item designation | MGB-L1HC-ARA-L-156861 |
| Gross weight | 2,73kg |
| Customs tariff number | 85371098 |
| ECLASS | 27-27-24-05 Safety-related transponder switch with guardlocking |


















