CIT3ASX1N12ST (Order no. 077940)
Choose content
Read-write head CIT3A Mini
- Use with interface adapter CIA3...
- Cylindrical design M12
- M8 plug connector
- Axial connection

Description
Notice
The read head CIT3ASX1N12ST has
- Read-only functionality in combination with the read-only interface adapter with parallel interface
- Read/write functionality in combination with the read/write interface adapter with serial interface
Attention:
On the use of a screened cable the connecting cable to the interface adapter is allowed to be max. 15 m long.


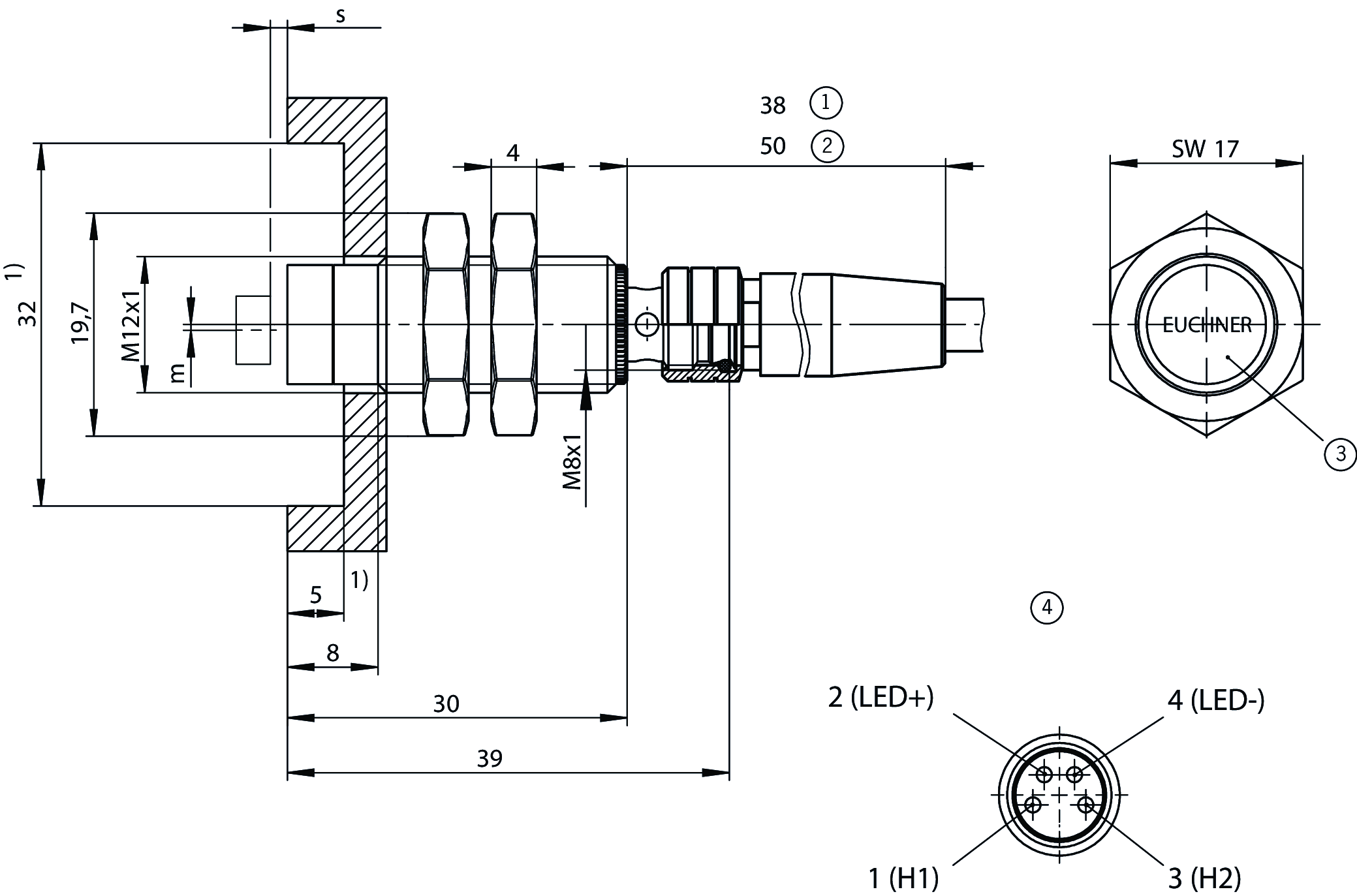
Dimensional drawings

| 1 | In the inserted and screwed tight state |
| 1) | Clear zone |
| 2 | To insert |
| 3 | Active face |
| 4 | Terminal assignment |
| m | Center offset |
| s | Read distance |
Connection examples

Technical data
Operating and display elements
| LED display | Yellow: data carrier active |
Mechanical values and environment
| Connection type | M8 plug connector, 4-pin, axial connection |
| Tightening torque | 5 ... 9 Nm |
| Storage temperature | -25 ... 70 °C |
| Mounting type | surface |
| Degree of protection | IP65 |
| Ambient temperature | 0 ... 50 °C |
| Material | |
| Housing sleeve | CuZn, nickel plated |
Accessories
Downloads
Complete package
Download all important documents with a single click.
Content:
- The operating instructions and any additions to the operating instructions or brief instructions
- Any data sheets to supplement the operating instructions
- The declaration of conformity
Download Complete Package (ZIP, 1,2 MB)
Single Documents
Declarations of conformity
EU-Konformitätserklärung
Doc. no.
Version
Language
Size
EU-Konformitätserklärung
Doc. no.
EDC2077155
Version
Language
Size
0,2 MB
UKCA-Konformitätserklärung
Doc. no.
Version
Language
Size
UKCA-Konformitätserklärung
Doc. no.
EDC20001517
Version
Language
Size
0,1 MB
Other Documents
Approvals and certificates
WEEE
Doc. no.
Version
Language
Size
WEEE
Doc. no.
ECO20001806
Version
Language
Size
0,1 MB
Ordering data
| Ordernumber | 077940 |
| Item designation | CIT3ASX1N12ST |
| Gross weight | 0,037kg |
| Customs tariff number | 85389099990 |
| ECLASS | 27-28-04-01 Identification, RFID Reader |


