ZXE-104833 (Order no. 104833)
Choose content
ZXE, 3-stage, with click
- 3-stage function
- Dual-channel version
- 22.5 mm installation dimension
- Snap-action switching contact
- With click
- Screw terminals

Description
Notes
- Enabling switch ZXE-104833 for use in housing HBA/HBM
- A click sounds during the change from stage 1 to stage 2 and during the return from stage 2 to stage 1.
Switching element
2202 | 2 NO/NC 1) From position 1 to position 2 –>NO contact; from position 2 to position 3 –>NC contact. |
3-stage function
Enabling function is active only in the second stage (center position, actuating point). If the pushbutton is released or pushed further (panic function), the enabling is removed (dependent on the wiring, see function sequence).



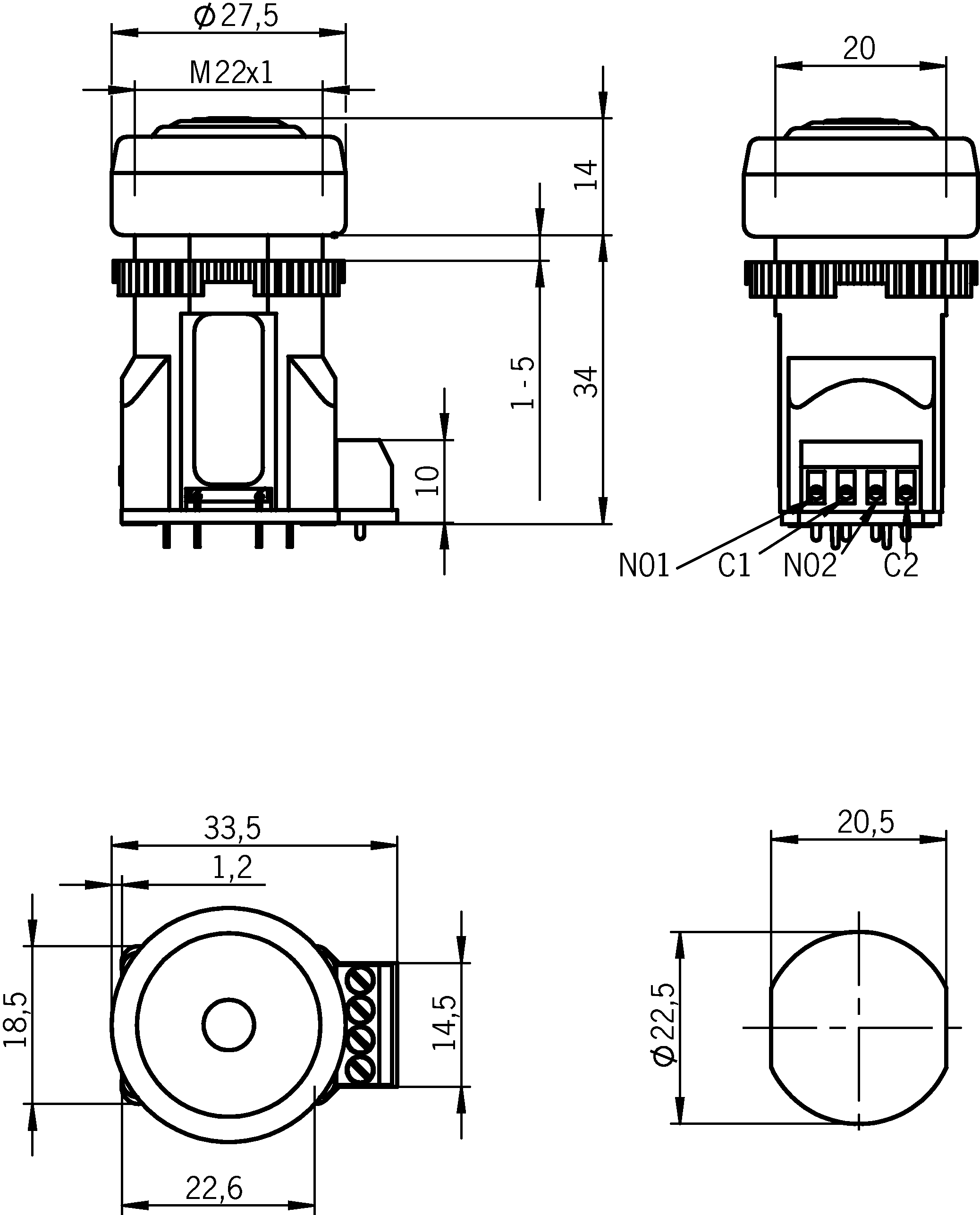
Dimensional drawings

Connection examples

Shift travel diagrams

![]() | closed, enabling |
![]() | closed |
![]() | open |
Technical data
Approvals

Electrical connection values
| Fuse | |
| external | 0.1 A medium slow-blow |
| Connection cross section | |
| multiple conductor | 0.33 ... 0.75 mm² |
| single conductor | 0.33 ... 1.5 mm² |
| Connection cross section AWG | |
| single conductor | 22 ... 16 AWG |
| multiple conductor | 22 ... 18 AWG |
| rated conditional short-circuit current | 100 A |
| Rated insulation voltage Ui | 30 V |
| Rated impulse voltage Uimp | 1.5 kV |
| Utilization category | |
| DC-13 | 0.1 A 24 V |
| Breaking capacity | max. 0.25 W |
| Switching current | 5 ... 100 mA |
| Degree of contamination (external, according to EN 60947-1) | 3 |
Mechanical values and environment
| Stripping length | 5 mm |
| Connection type | Screw terminal, 4-pin |
| Number of switching elements | 2 Normally open contact |
| Tightening torque | |
| Screw terminal | max. 0.15 Nm |
| Rated actuating force according to EN 60947-5-8 | 100 |
| Actuating force | max. 50 N (from stage 2 to 3) |
| Installation orientation | any |
| Storage temperature | -25 ... 70 °C |
| Mechanical life | |
| Position 1-2-3-1 | 0.1 x 10⁶ |
| Position 1-2-1 | 0.1 x 10⁶ |
| Degree of protection | |
| IP65 (in the installed state) | |
| IP00 (Connections) | |
| Ambient temperature | -5 ... 60 °C |
| Material | |
| Protective cap | CR |
| Housing | Polyamide |
Characteristic values according to EN ISO 13849-1 and EN IEC 62061
| B10D | Mission time | |
|---|---|---|
| Enabling switch | 0.1x106 | 20 y |
Miscellaneous
| in compliance with | DIN EN 60947-5-8 |
| Color | |
| Housing | black |
| Protective cap | black |
| Additional feature | Click |
Downloads
Complete package
Download all important documents with a single click.
Content:
- The operating instructions and any additions to the operating instructions or brief instructions
- Any data sheets to supplement the operating instructions
- The declaration of conformity
Download Complete Package (ZIP, 1,6 MB)
Single Documents
Declarations of conformity
EU-Konformitätserklärung
Doc. no.
Version
Language
Size
EU-Konformitätserklärung
Doc. no.
EDC2109392
Version
Language
Size
0,2 MB
UKCA-Konformitätserklärung
Doc. no.
Version
Language
Size
UKCA-Konformitätserklärung
Doc. no.
EDC20001579
Version
Language
Size
0,1 MB
Instructions
Operating Instructions Enabling Switch ZXE
Doc. no.
Version
Language
Size
Operating Instructions Enabling Switch ZXE
Mode d’emploi Commande d’assentiment ZXE
Betriebsanleitung Zustimmtaster ZXE
Istruzioni di impiego Pulsanti di consenso ZXE
Mode d’emploi Commande d’assentiment ZXE
Betriebsanleitung Zustimmtaster ZXE
Istruzioni di impiego Pulsanti di consenso ZXE
Doc. no.
2091418
Version
07-10/24
Language
Size
1,5 MB
Manual de instrucciones Pulsador de validación ZXE
Doc. no.
2091418
Version
07-10/24
Language
Size
0,4 MB
Betriebsanleitung Zustimmtaster ZXE
Doc. no.
2091418
Version
07-10/24
Language
Size
0,4 MB
Other Documents
Approvals and certificates
WEEE
Doc. no.
Version
Language
Size
WEEE
Doc. no.
ECO20001806
Version
Language
Size
0,1 MB
c UL us
Doc. no.
Version
Language
Size
c UL us
Doc. no.
Version
Language
Size
0,3 MB
Sales documents
Commandes d’Assentiment ZS
Doc. no.
Version
Language
Size
Commandes d’Assentiment ZS
Doc. no.
097367
Version
09-02/21
Language
Size
10,2 MB
Enabling switches ZS
Doc. no.
Version
Language
Size
Enabling switches ZS
Doc. no.
095690
Version
09-02/21
Language
Size
10,1 MB
Zustimmtaster ZS
Doc. no.
Version
Language
Size
Zustimmtaster ZS
Doc. no.
095689
Version
09-02/21
Language
Size
10,2 MB
ePlan macros
EUC.104833
Doc. no.
Version
Language
Size
EUC.104833
Doc. no.
Version
Language
Size
0,3 MB
CAD/eCAD
Ordering data
| Ordernumber | 104833 |
| Item designation | ZXE-104833 |
| Gross weight | 0,053kg |
| Customs tariff number | 85365019000 |
| ECLASS | 27-37-12-38 Agreement switch |




