ZSG1-2 (Order no. 070793)
Choose content
ZSG, 2-stage
- 2-stage function
- Button for enabling function
- Dual-channel version
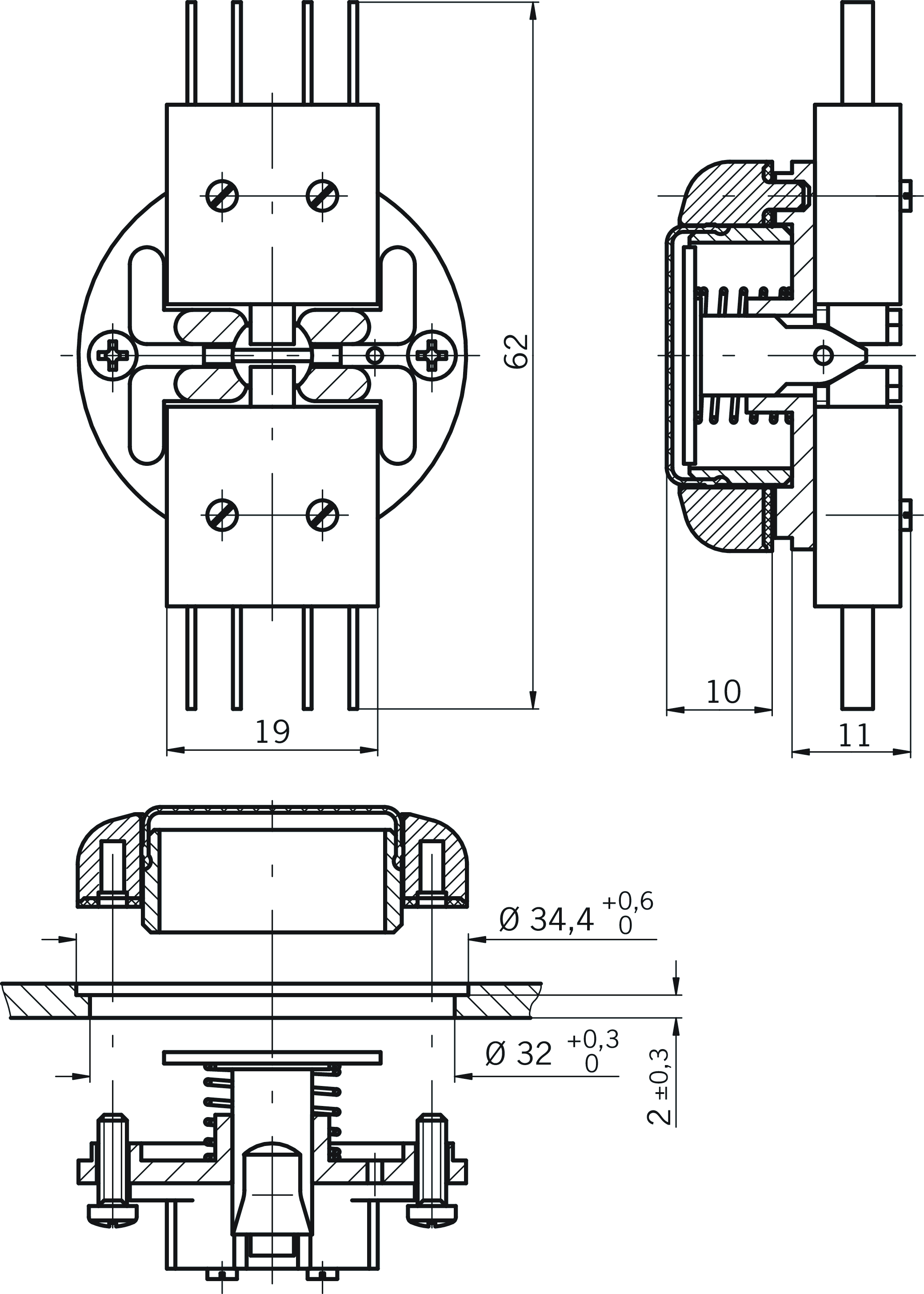
- 34.4 mm installation dimension
- Suitable for installation in hand-held pendant stations HBL or housing G2 or G3, for example

Description
Switching elements
20 | 2NO 2) As per VDI 2854, a device comparable to an emergency stop device must be fitted! |
2-stage function
Enabling function is active in the second stage (pressed position). When the button is released, the enabling is removed (see function sequence).



Dimensional drawings

Connection examples

Shift travel diagrams

![]() | closed, enabling |
![]() | closed |
![]() | open |
Technical data
Electrical connection values
| Fuse | max. 4 A gG |
| rated conditional short-circuit current | 100 A |
| Rated insulation voltage Ui | 250 V |
| Rated impulse voltage Uimp | 2.5 kV |
| Utilization category | |
| DC-13 | 3 A 24 V |
| AC-15 | 3.3 A 24 V |
| Switching voltage | |
| min. at 10 mA | 12 V |
| Switching current | |
| min. at 24 V | 1 mA |
| Switching characteristics | 2-stage pushbutton |
| Degree of contamination (external, according to EN 60947-1) | 3 |
Mechanical values and environment
| Connection type | Tab connector 2.8 x 0.8 IEC 760 |
| Number of NO contacts | 2 |
| Storage temperature | -25 ... 70 °C |
| Mechanical life | |
| Position 1-2-1 | 0.1 x 10⁶ |
| Switching principle | Slow-action contact element |
| Degree of protection | IP65 |
| Ambient temperature | -5 ... 50 °C |
| Material | Plastic |
Miscellaneous
| in compliance with | 60947-5-1 |
Downloads
Complete package
Download all important documents with a single click.
Content:
- The operating instructions and any additions to the operating instructions or brief instructions
- Any data sheets to supplement the operating instructions
- The declaration of conformity
Download Complete Package (ZIP, 0,8 MB)
Single Documents
Declarations of conformity
EU-Konformitätserklärung
Doc. no.
Version
Language
Size
EU-Konformitätserklärung
Doc. no.
EDC2109392
Version
Language
Size
0,2 MB
UKCA-Konformitätserklärung
Doc. no.
Version
Language
Size
UKCA-Konformitätserklärung
Doc. no.
EDC20001579
Version
Language
Size
0,1 MB
Other Documents
Approvals and certificates
WEEE
Doc. no.
Version
Language
Size
WEEE
Doc. no.
ECO20001806
Version
Language
Size
0,1 MB
Sales documents
Commandes d’Assentiment ZS
Doc. no.
Version
Language
Size
Commandes d’Assentiment ZS
Doc. no.
097367
Version
09-02/21
Language
Size
10,2 MB
Enabling switches ZS
Doc. no.
Version
Language
Size
Enabling switches ZS
Doc. no.
095690
Version
09-02/21
Language
Size
10,1 MB
Zustimmtaster ZS
Doc. no.
Version
Language
Size
Zustimmtaster ZS
Doc. no.
095689
Version
09-02/21
Language
Size
10,2 MB
CAD/eCAD
Ordering data
| Ordernumber | 070793 |
| Item designation | ZSG1-2 |
| Gross weight | 0,036kg |
| Customs tariff number | 85365019000 |
| ECLASS | 27-37-12-38 Agreement switch |




