ZSE2-2C1692 (Order no. 070752)
Choose content
ZSE, 3-stage
- 3-stage function
- 30.5 mm installation dimension
- Suitable for installation in hand-held pendant stations HBL or housing G2 or G3, for example

Description
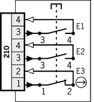
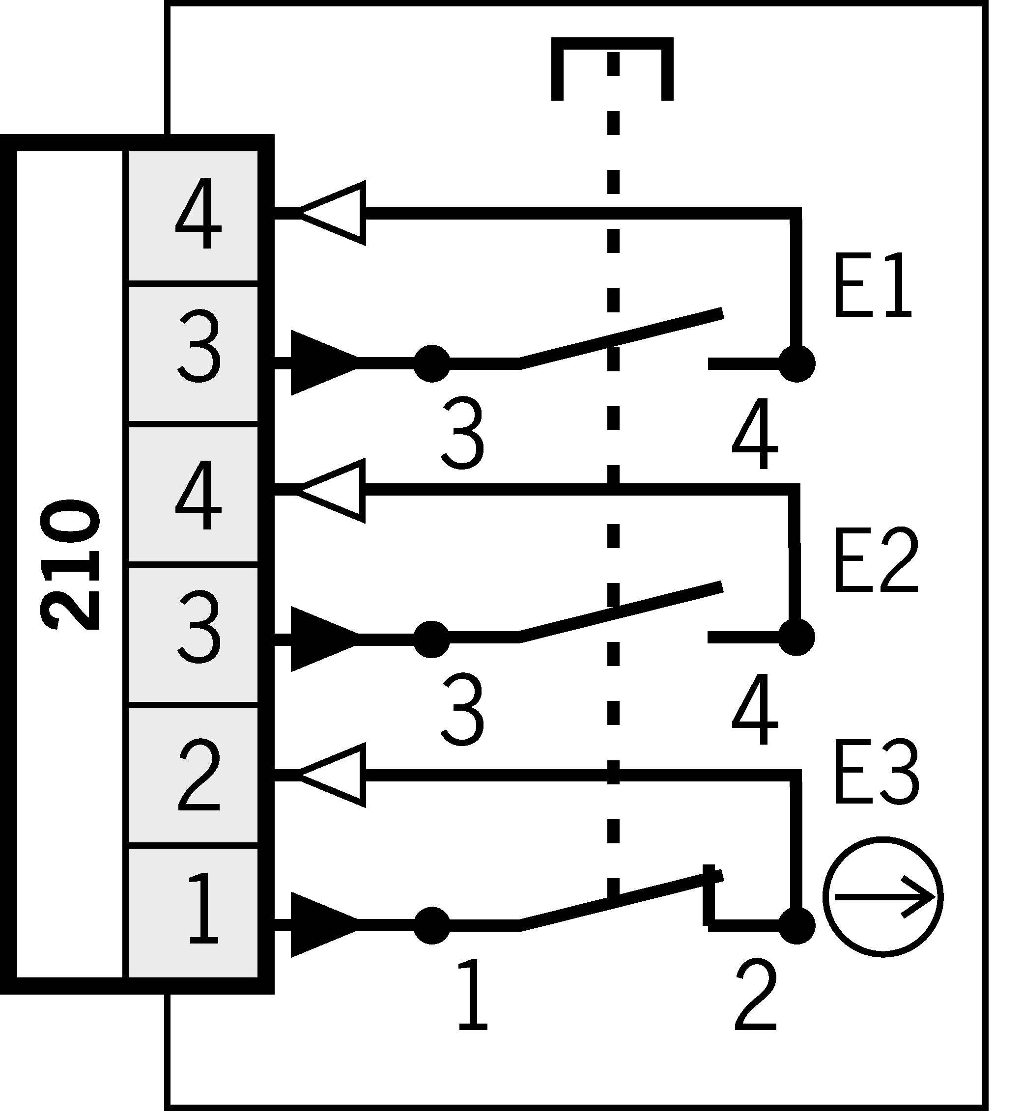
Switching element
210 | 2 NO + 1 NC |
3-stage function
Enabling function is active only in the second stage (center position, actuating point). If the pushbutton is released or pushed further (panic function), the enabling is removed (dependent on the wiring, see function sequence).




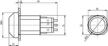
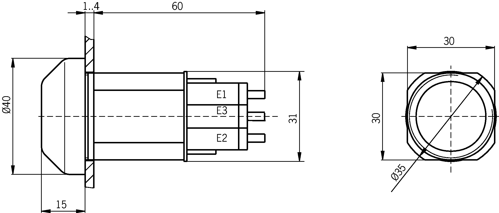
Dimensional drawings

Dimensional drawings

Connection examples

Shift travel diagrams

![]() | closed, enabling |
![]() | closed |
![]() | open |
Technical data
Approvals

Electrical connection values
| Fuse | max. 4 A gG |
| rated conditional short-circuit current | 100 A |
| Rated insulation voltage Ui | 250 V |
| Rated impulse voltage Uimp | 2.5 kV |
| Utilization category | |
| DC-13 | 3 A 24 V |
| AC-15 | 4 A 230 V |
| Switching voltage | |
| at 10mA | min. 12 V |
| Switching current | |
| at 24V | min. 1 mA |
| Degree of contamination (external, according to EN 60947-1) | 3 |
Mechanical values and environment
| Connection type | Tab connector 2.8 x 0.8 IEC 760 |
| Number of NO contacts | 2 |
| Number of positively driven contacts | 1 |
| Installation orientation | any |
| Storage temperature | -25 ... 70 °C |
| Mechanical life | |
| Position 1-2-3-1 | 0.1 x 10⁶ |
| Position 1-2-1 | 0.1 x 10⁶ |
| Switching principle | Slow-action contact element |
| Degree of protection | |
| IP00 (Connections) | |
| IP65 (in the installed state) | |
| Ambient temperature | -5 ... 60 °C |
| Material | |
| Cap | Elastomer, low PAH, black |
| Housing | Plastic, color black |
Characteristic values according to EN ISO 13849-1 and EN IEC 62061
| B10D | Mission time | |
|---|---|---|
| Enabling switch | 0.39x106 | 20 y |
Miscellaneous
| C number | |
| C1692 | for installation in HBL, fastening hole Ø30.5 +0.5, without pin for protection against twisting, total length shortened by 3 mm |
| in compliance with | 60947-5-8 |
Downloads
Complete package
Download all important documents with a single click.
Content:
- The operating instructions and any additions to the operating instructions or brief instructions
- Any data sheets to supplement the operating instructions
- The declaration of conformity
Download Complete Package (ZIP, 1,7 MB)
Single Documents
Declarations of conformity
EU-Konformitätserklärung
Doc. no.
Version
Language
Size
EU-Konformitätserklärung
Doc. no.
EDC2109392
Version
Language
Size
0,2 MB
UKCA-Konformitätserklärung
Doc. no.
Version
Language
Size
UKCA-Konformitätserklärung
Doc. no.
EDC20001579
Version
Language
Size
0,1 MB
Instructions
Operating Instructions Enabling Switch ZSE
Doc. no.
Version
Language
Size
Operating Instructions Enabling Switch ZSE
Mode d’emploi de la commande d’assentiment ZSE
Manual de instrucciones del pulsador de validación ZSE
Betriebsanleitung Zustimmtaster ZSE
Istruzioni di impiego del pulsante di consenso ZSE
Mode d’emploi de la commande d’assentiment ZSE
Manual de instrucciones del pulsador de validación ZSE
Betriebsanleitung Zustimmtaster ZSE
Istruzioni di impiego del pulsante di consenso ZSE
Doc. no.
2092780
Version
03-12/13
Language
Size
0,4 MB
Návod k použití potvrzovacího tlačítka ZSE
Doc. no.
2092780
Version
03-12/13
Language
Size
0,1 MB
Other Documents
Approvals and certificates
CCC
Doc. no.
Version
Language
Size
CCC
Doc. no.
20001849
Version
Language
Size
0,0 MB
WEEE
Doc. no.
Version
Language
Size
WEEE
Doc. no.
ECO20001806
Version
Language
Size
0,1 MB
Sales documents
Commandes d’Assentiment ZS
Doc. no.
Version
Language
Size
Commandes d’Assentiment ZS
Doc. no.
097367
Version
09-02/21
Language
Size
10,2 MB
Enabling switches ZS
Doc. no.
Version
Language
Size
Enabling switches ZS
Doc. no.
095690
Version
09-02/21
Language
Size
10,1 MB
Zustimmtaster ZS
Doc. no.
Version
Language
Size
Zustimmtaster ZS
Doc. no.
095689
Version
09-02/21
Language
Size
10,2 MB
CAD/eCAD
Ordering data
| Ordernumber | 070752 |
| Item designation | ZSE2-2C1692 |
| Gross weight | 0,11kg |
| Global Trade Item Number (GTIN) | 4047048000520 |
| Customs tariff number | 85365019000 |
| ECLASS | 27-37-12-38 Agreement switch |





