GP3-2131A-C2307 (Order no. 109621)

Safety switch GP, plug connector M12

  • Plug connector M12, 8-pin
  • 3 pos. driven contact
  • 1 NO contacts
GP3-2131A-C2307 (Order no. 109621)

Description

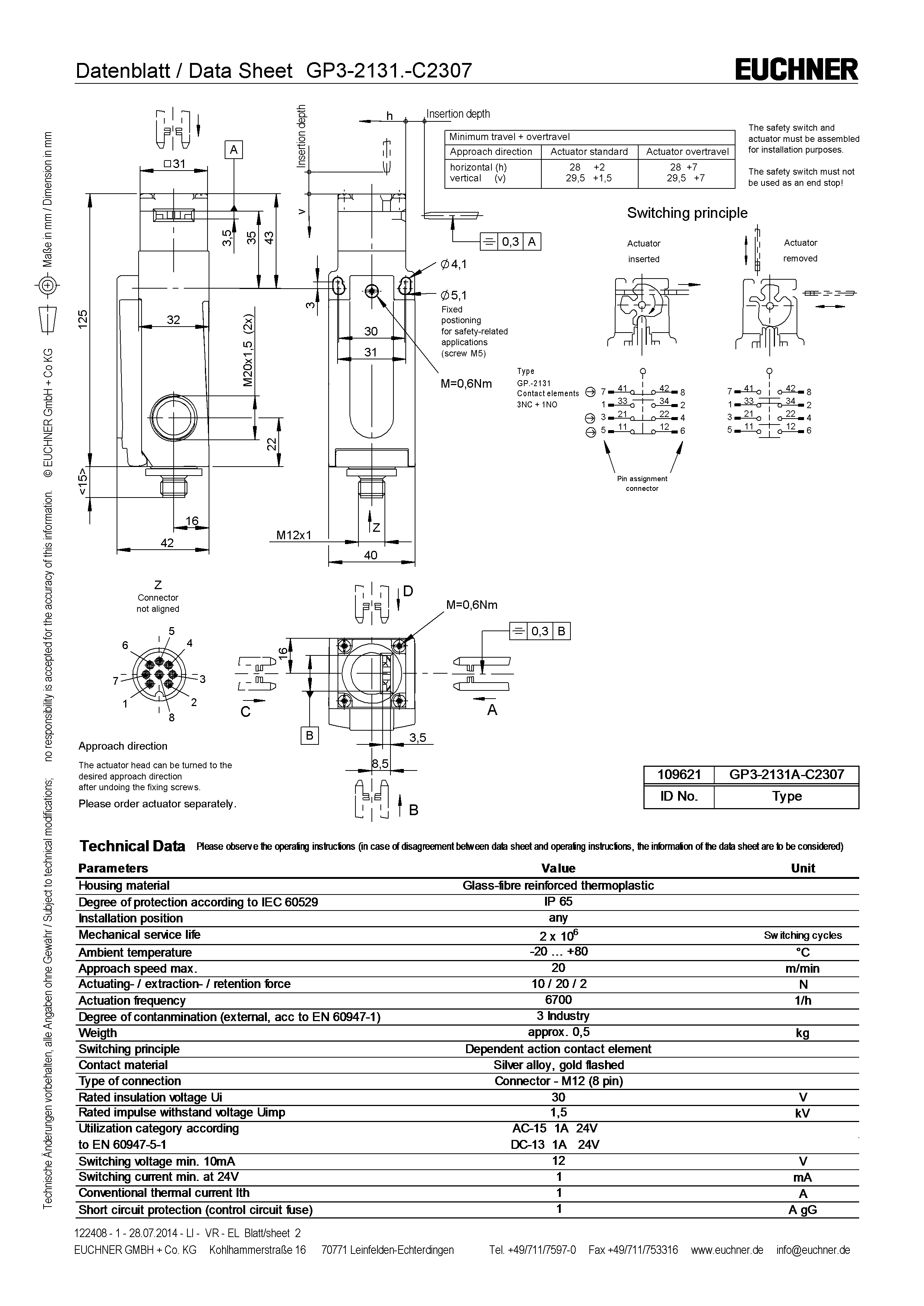
Approach direction

Horizontal and vertical

Can be adjusted in 90° steps

Switching element

2131

Slow-action switching contact 3 positively driven contacts + 1 NO contact

Accessories required

Actuator is not included.

Dimension drawing
Dimension drawing
2131 C2307
2131 C2307
Electromechanical safety switches in use

Dimensional drawings

Dimensional drawings
1Insertion depth
2Fixed positioning for safety applications (screw M5)
ZBuilt-in connector not aligned

Connection examples

Connection examples

Technical data

Approvals

CCC2024010305643681_GP_SGP_SGAc_UL_us_E155795_2/4

Electrical connection values

Fuse max. 1 A gG
Rated insulation voltage Ui 30 V
Rated impulse voltage Uimp 1.5 kV
Utilization category
DC-13 1 A 24 V
AC-15 1 A 24 V
Switching voltage
min. at 10 mA 12 V
Switching current
min. at 24 V 1 mA
thermal rated current Ith 1 A

Mechanical values and environment

Anfahrgeschwindigkeit max. 20 m/min
Approach direction A
Connection type
1 x Plug connector M12 (8-pin without PE)
Number of door position NO contacts 1
Number of door position positively driven contacts 3
Extraction force 20 N
Actuation frequency max. 6700 1/h
Actuating force 10 N
Installation orientation any
Horizontal insertion depth 28 mm
Vertical insertion depth 29.5 mm
Storage temperature -25 ... 80 °C
Mechanical life 2 x 10⁶
Retention force 2 N
Switching principle Slow-action switching contact
Degree of protection IP65
Ambient temperature -20 ... 80 °C
Material
Contact Silver alloy, gold flashed
Housing Reinforced thermoplastic

Characteristic values according to EN ISO 13849-1 and EN IEC 62061

B10DMission time
Monitoring of the guard position3x10620 y
Important! Values valid at DC-13 100 mA/24V


Miscellaneous

C number
C2307 Plug connector M12 (8-pin) with special wiring

In combination with actuator ACTUATOR-P-GT

Horizontal overtravel 2 mm
Vertical overtravel 1.5 mm

In combination with actuator ACTUATOR-P-GNT

Horizontal overtravel 7 mm
Vertical overtravel 7 mm

Accessories

Downloads

Complete package

Download all important documents with a single click.

Content:

  • The operating instructions and any additions to the operating instructions or brief instructions
  • Any data sheets to supplement the operating instructions
  • The declaration of conformity
Download Complete Package (ZIP, 3,1 MB)

Single Documents

Other Documents

Ordering data

Ordernumber 109621
Item designation GP3-2131A-C2307
Gross weight 0,216kg
Customs tariff number 85365019000
ECLASS 27-27-26-02 Safety switch with separate actuator (Type 2)