HomeProductsElectromechanical safety switches without guard lockingN1A / NB01 Single Limit Switch, NZ position switch and EGZ single fixing limit switchNZ2RS-511SVM5L060GEC2273
NZ2RS-511SVM5L060GEC2273 (Order no. 105856)
Choose content
Safety switch NZ.RS, roller plunger, steel roller ø 12 mm, plug connector M12
- Roller plunger, steel roller ø 12 mm
- Version C according to EN 50041
- Plug connector M12, 5-pin
- 1 pos. driven contact
- 1 NO contacts
- LED indicator: AC/DC 12-60 V yellow

Description
LED indicator
The switch has one freely assignable LED indicator.
Switching element
511 | Snap-action switching contact, 1 positively driven contact |
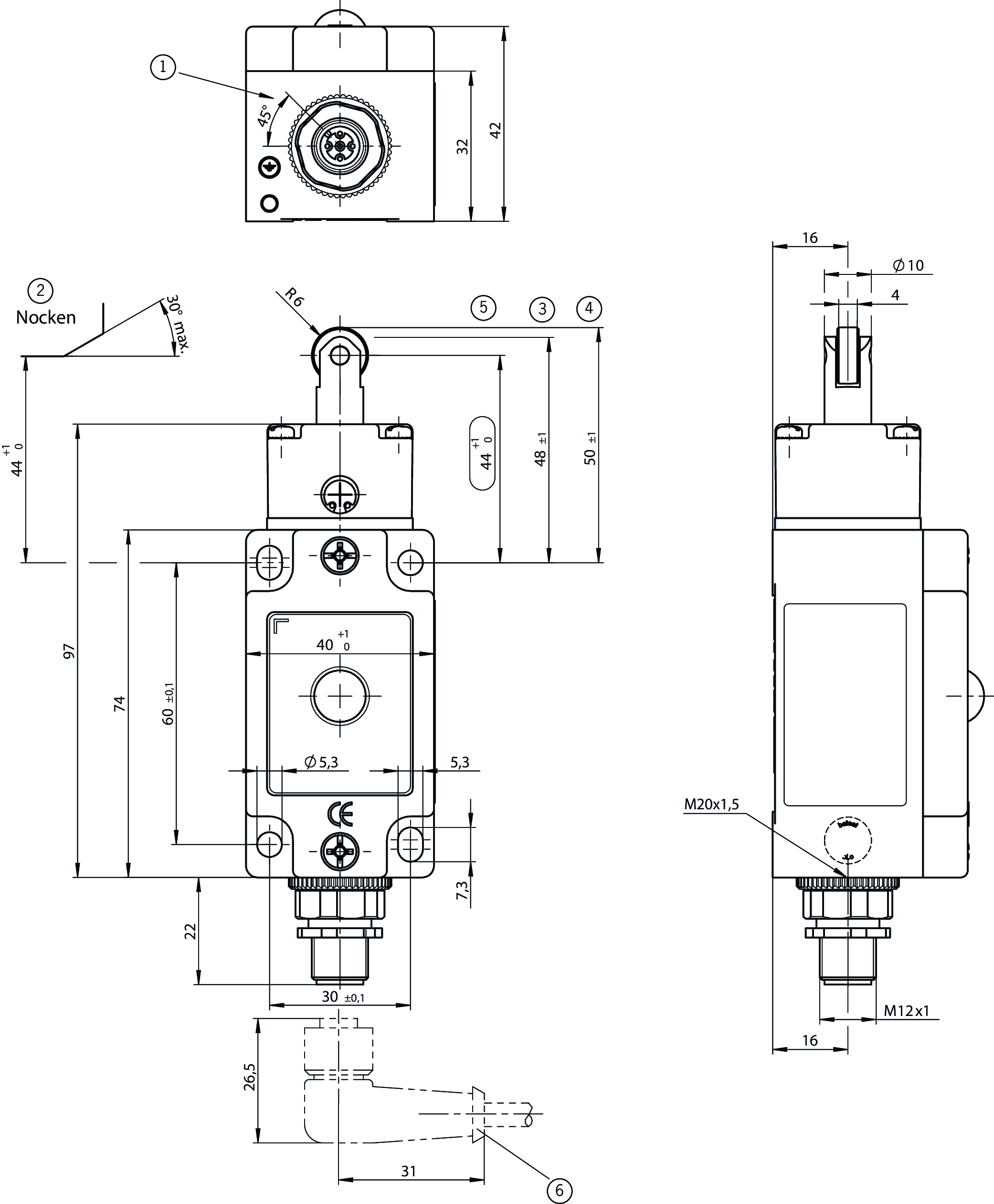
Dimensional drawings

| 1 | Guide lug aligned |
| 2 | Dog |
| 3 | Operating point |
| 4 | Free position |
| 5 | Positive opening function is dependent on maintaining this distance. Actuator (dog) must be positively mounted on the machine. Switch can be replaced only with the same type. |
| 6 | Right-angle plug connector: cable outlet adjustable max. 270° Default setting for cable outlet to the right. |
Connection examples

Shift travel diagrams

![]() | Contacts closed |
![]() | Contacts open |
![]() | Contacts positively driven |
Technical data
Approvals



Electrical connection values
| Fuse | max. 4 A gG |
| Display module | |
| AC/DC | 12 ... 60 ... 60 V LED yellow |
| Rated insulation voltage Ui | 50 V |
| Rated impulse voltage Uimp | 1.5 kV |
| Utilization category | |
| DC-13 | 4 A 24 V |
| AC-15 | 4 A 30 V |
| Switching current | |
| min. at DC 24V | 10 mA |
| thermal rated current Ith | 4 A |
Mechanical values and environment
| Anfahrgeschwindigkeit | 0.1 ... 20 m/min |
| Connection type | |
| 1 x | Plug connector M12 (5-pin) |
| Number of NO contacts | 1 |
| Number of door position positively driven contacts | 1 |
| Actuating element | |
| Slide bearing metal | Roller plunger (Steel roller, d roller = 12 mm) |
| Actuating force | 15 ... 30 N |
| Installation orientation | any |
| Storage temperature | -25 ... 80 °C |
| Mechanical life | 30 x 10⁶ |
| Contact bounce time | max. 3 ms |
| Switching principle | Snap-action switching contact (Contact closing time<4 Contact bounce time<3) |
| Schließzeit | max. 4 ms |
| Degree of protection | IP67 |
| Ambient temperature | -25 ... 80 °C |
| Material | |
| Housing | Anodized die-cast alloy |
| Contact | Silver alloy, gold flashed |
Characteristic values according to EN ISO 13849-1 and EN IEC 62061
| B10D | Mission time | |
|---|---|---|
| Safe position sensing | 2x107 | 20 y |
| Important! Values valid at DC-13 100 mA/24V | ||
Miscellaneous
| C number | |
| C2273 |
Downloads
Complete package
Download all important documents with a single click.
Content:
- The operating instructions and any additions to the operating instructions or brief instructions
- Any data sheets to supplement the operating instructions
- The declaration of conformity
Download Complete Package (ZIP, 4,0 MB)
Single Documents
Declarations of conformity
EU-Konformitätserklärung
Doc. no.
Version
Language
Size
EU-Konformitätserklärung
Doc. no.
EDC2539628
Version
Language
Size
0,2 MB
UKCA-Konformitätserklärung
Doc. no.
Version
Language
Size
UKCA-Konformitätserklärung
Doc. no.
EDC20001551
Version
Language
Size
0,1 MB
Instructions
Operating Instructions Safety Switch NZ.D.../NZ.W.../NZ.R...
Doc. no.
Version
Language
Size
Operating Instructions Safety Switch NZ.D.../NZ.W.../NZ.R...
Doc. no.
2074549
Version
08/25
Language
Size
0,6 MB
Mode d’emploi Interrupteur de sécurité NZ.D.../NZ.W.../NZ.R...
Doc. no.
2074549
Version
08/25
Language
Size
0,7 MB
Manual de instrucciones Interruptor de seguridad NZ.D.../NZ.W.../NZ.R...
Doc. no.
2074549
Version
08/25
Language
Size
0,7 MB
Betriebsanleitung Sicherheitsschalter NZ.D.../NZ.W.../NZ.R...
Doc. no.
2074549
Version
08/25
Language
Size
0,7 MB
Istruzioni di impiego Finecorsa di sicurezza NZ.D.../NZ.W.../NZ.R...
Doc. no.
2074549
Version
08/25
Language
Size
0,6 MB
Instrukcja obsługi Wyłącznik bezpieczeństwa NZ.D.../NZ.W.../NZ.R...
Doc. no.
2074549
Version
08/25
Language
Size
1,1 MB
Návod na prevádzku Bezpečnostný spínač NZ.D.../NZ.W.../NZ.R...
Doc. no.
2074549
Version
08/25
Language
Size
1,1 MB
Other Documents
Approvals and certificates
CCC
Doc. no.
Version
Language
Size
CCC
Doc. no.
20001849
Version
Language
Size
0,0 MB
DNV-GL
Doc. no.
Version
Language
Size
DNV-GL
Doc. no.
Version
Language
Size
0,2 MB
WEEE
Doc. no.
Version
Language
Size
WEEE
Doc. no.
ECO20001806
Version
Language
Size
0,1 MB
c UL us
Doc. no.
Version
Language
Size
c UL us
Doc. no.
Version
Language
Size
0,3 MB
Sales documents
Safety Switches with Metal Housing
Doc. no.
Version
Language
Size
Safety Switches with Metal Housing
Doc. no.
100369
Version
11-03/18
Language
Size
7,8 MB
Interrupteurs de sécurité avec boîtier métallique
Doc. no.
100676
Version
11-03/18
Language
Size
7,9 MB
Interruptores de seguridad con carcasa metálica
Doc. no.
104856
Version
11-03/18
Language
Size
14,0 MB
Sicherheitsschalter mit Metallgehäuse
Doc. no.
100319
Version
11-03/18
Language
Size
7,9 MB
金属壳体 的安全开关
Doc. no.
102453
Version
11-03/18
Language
Size
8,2 MB
Bezpečnostní spínače s kovovým pouzdrem
Doc. no.
121650
Version
11-03/18
Language
Size
7,8 MB
ePlan macros
EUC.105856
Doc. no.
Version
Language
Size
EUC.105856
Doc. no.
Version
Language
Size
0,0 MB
Ordering data
| Ordernumber | 105856 |
| Item designation | NZ2RS-511SVM5L060GEC2273 |
| Gross weight | 0,372kg |
| Global Trade Item Number (GTIN) | 4047048007192 |
| Customs tariff number | 85365019000 |
| ECLASS | 27-27-26-01 Safety position switch (Type 1) |
+ 1 NO contact








