HomeProductsElectromechanical safety switches without guard lockingN1A / NB01 Single Limit Switch, NZ position switch and EGZ single fixing limit switchNZ1RK-528L060-M
NZ1RK-528L060-M (Order no. 090358)
Choose content
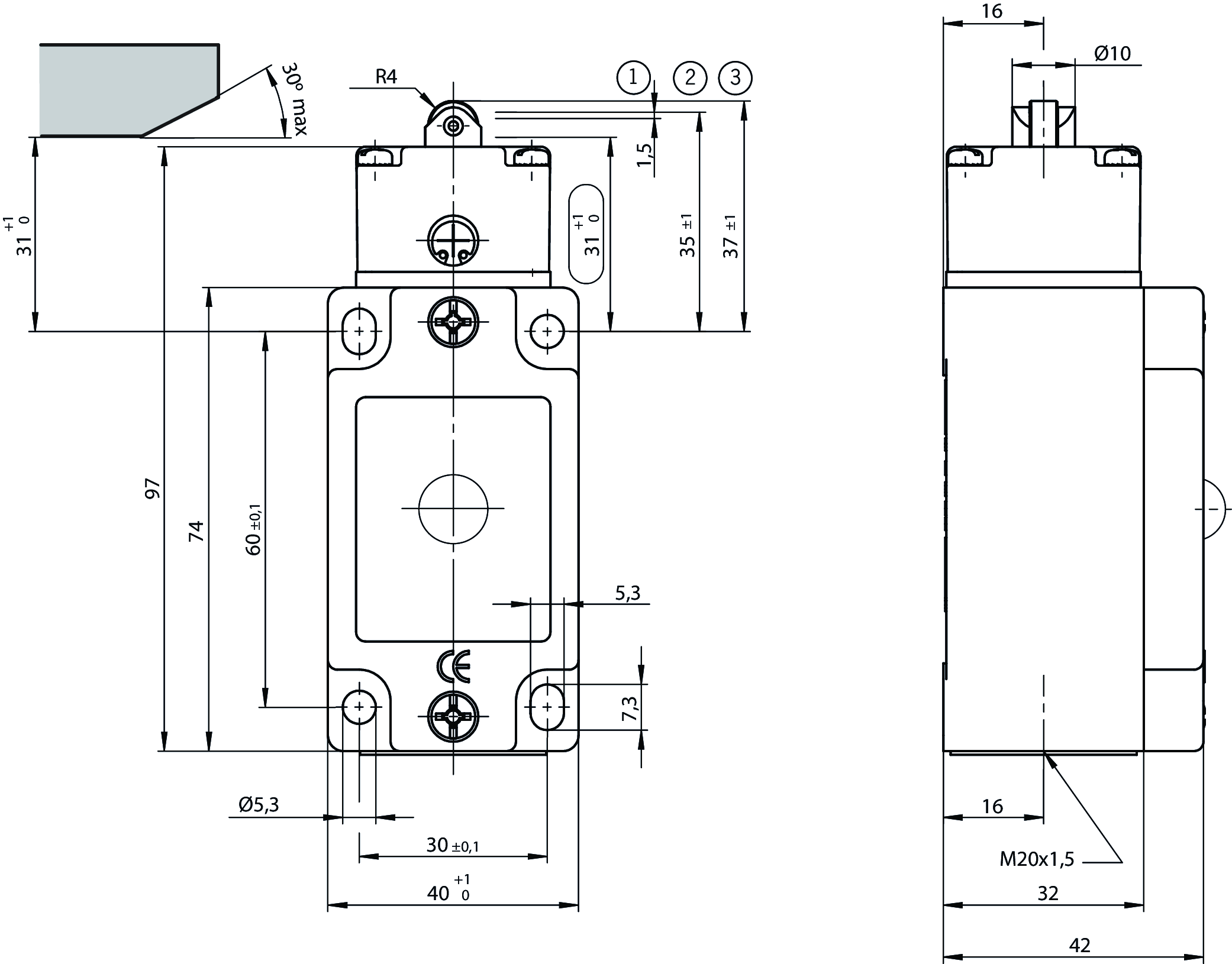
Safety switch NZ.RK, roller plunger, steel roller ø 8 mm, cable entry M20 x 1.5
- Roller plunger, steel roller ø 8 mm
- Cable entry M20 x 1.5
- 1 pos. driven contact
- 1 NO contacts
- LED indicator: AC/DC 12-60 V red

Description
LED indicator
The switch has one freely assignable LED indicator.
Switching element
528H | Slow-action switching contact 1 positively driven contact |
Dimensional drawings

| 1 | Operating point NO contact |
| 2 | Operating point NC contact |
| 3 | Free position |
Connection examples

Shift travel diagrams

![]() | Contacts closed |
![]() | Contacts open |
![]() | Contacts positively driven |
Technical data
Approvals




Electrical connection values
| Fuse | max. 4 A gG |
| Connection cross section | 0.34 ... 0.75 mm² |
| Display module | |
| AC/DC | 12 ... 60 ... 60 V LED red |
| Rated insulation voltage Ui | 250 V |
| Rated impulse voltage Uimp | 2.5 kV |
| Utilization category | |
| AC-15 | 4 A 230 V |
| DC-13 | 4 A 24 V |
| Switching current | |
| min. at DC 24V | 1 mA |
| thermal rated current Ith | 4 A |
Mechanical values and environment
| Anfahrgeschwindigkeit | 0.1 ... 50 m/min |
| Connection type | |
| 1 x | M20 x 1.5 |
| Number of NO contacts | 1 |
| Number of door position positively driven contacts | 1 |
| Actuating element | |
| Slide bearing metal | Roller plunger (d roller = 8 mm) |
| Actuating force | 15 ... 30 N |
| Installation orientation | any |
| Storage temperature | -25 ... 80 °C |
| Mechanical life | 30 x 10⁶ |
| Switching principle | Slow-action switching contact |
| Degree of protection | IP67 |
| Ambient temperature | -25 ... 80 °C |
| Material | |
| Contact | Silver alloy, gold flashed |
| Housing | Anodized die-cast alloy |
Characteristic values according to EN ISO 13849-1 and EN IEC 62061
| B10D | Mission time | |
|---|---|---|
| Safe position sensing | 2x107 | 20 y |
| Important! Values valid at DC-13 100 mA/24V | ||
Accessories
Downloads
Complete package
Download all important documents with a single click.
Content:
- The operating instructions and any additions to the operating instructions or brief instructions
- Any data sheets to supplement the operating instructions
- The declaration of conformity
Download Complete Package (ZIP, 3,6 MB)
Single Documents
Declarations of conformity
EU-Konformitätserklärung
Doc. no.
Version
Language
Size
EU-Konformitätserklärung
Doc. no.
EDC2539628
Version
Language
Size
0,2 MB
UKCA-Konformitätserklärung
Doc. no.
Version
Language
Size
UKCA-Konformitätserklärung
Doc. no.
EDC20001551
Version
Language
Size
0,1 MB
Instructions
Operating Instructions Safety Switch NZ.D.../NZ.W.../NZ.R...
Doc. no.
Version
Language
Size
Operating Instructions Safety Switch NZ.D.../NZ.W.../NZ.R...
Doc. no.
2074549
Version
08/25
Language
Size
0,6 MB
Mode d’emploi Interrupteur de sécurité NZ.D.../NZ.W.../NZ.R...
Doc. no.
2074549
Version
08/25
Language
Size
0,7 MB
Manual de instrucciones Interruptor de seguridad NZ.D.../NZ.W.../NZ.R...
Doc. no.
2074549
Version
08/25
Language
Size
0,7 MB
Betriebsanleitung Sicherheitsschalter NZ.D.../NZ.W.../NZ.R...
Doc. no.
2074549
Version
08/25
Language
Size
0,7 MB
Istruzioni di impiego Finecorsa di sicurezza NZ.D.../NZ.W.../NZ.R...
Doc. no.
2074549
Version
08/25
Language
Size
0,6 MB
Instrukcja obsługi Wyłącznik bezpieczeństwa NZ.D.../NZ.W.../NZ.R...
Doc. no.
2074549
Version
08/25
Language
Size
1,1 MB
Návod na prevádzku Bezpečnostný spínač NZ.D.../NZ.W.../NZ.R...
Doc. no.
2074549
Version
08/25
Language
Size
1,1 MB
Other Documents
Approvals and certificates
CCC
Doc. no.
Version
Language
Size
CCC
Doc. no.
20001849
Version
Language
Size
0,0 MB
DGUV
Doc. no.
Version
Language
Size
DGUV
Doc. no.
Version
Language
Size
3,4 MB
DNV-GL
Doc. no.
Version
Language
Size
DNV-GL
Doc. no.
Version
Language
Size
0,2 MB
WEEE
Doc. no.
Version
Language
Size
WEEE
Doc. no.
ECO20001806
Version
Language
Size
0,1 MB
c UL us
Doc. no.
Version
Language
Size
c UL us
Doc. no.
Version
Language
Size
0,3 MB
Sales documents
Safety Switches with Metal Housing
Doc. no.
Version
Language
Size
Safety Switches with Metal Housing
Doc. no.
100369
Version
11-03/18
Language
Size
7,8 MB
Interrupteurs de sécurité avec boîtier métallique
Doc. no.
100676
Version
11-03/18
Language
Size
7,9 MB
Interruptores de seguridad con carcasa metálica
Doc. no.
104856
Version
11-03/18
Language
Size
14,0 MB
Sicherheitsschalter mit Metallgehäuse
Doc. no.
100319
Version
11-03/18
Language
Size
7,9 MB
金属壳体 的安全开关
Doc. no.
102453
Version
11-03/18
Language
Size
8,2 MB
Bezpečnostní spínače s kovovým pouzdrem
Doc. no.
121650
Version
11-03/18
Language
Size
7,8 MB
ePlan macros
EUC.090358
Doc. no.
Version
Language
Size
EUC.090358
Doc. no.
Version
Language
Size
0,2 MB
CAD/eCAD
Ordering data
| Ordernumber | 090358 |
| Item designation | NZ1RK-528L060-M |
| Gross weight | 0,309kg |
| Customs tariff number | 85365019000 |
| ECLASS | 27-27-26-01 Safety position switch (Type 1) |
+ 1 NO contact









