HomeProductsElectromechanical safety switches without guard lockingN1A / NB01 Single Limit Switch, NZ position switch and EGZ single fixing limit switchN1ARL514-M
N1ARL514-M (Order no. 087204)
Choose content
Single limit switch N1ARL, extended roller plunger, cable entry M16 x 1.5
- Extended roller plunger, steel roller ø 18 mm
- Housing according to DIN 43693
- 2 x cable entry M16 x 1.5
- 1 pos. driven contact
- 1 NO contacts

Description
Dimensional drawings

| 1 | Operating point |
| 2 | Free position |
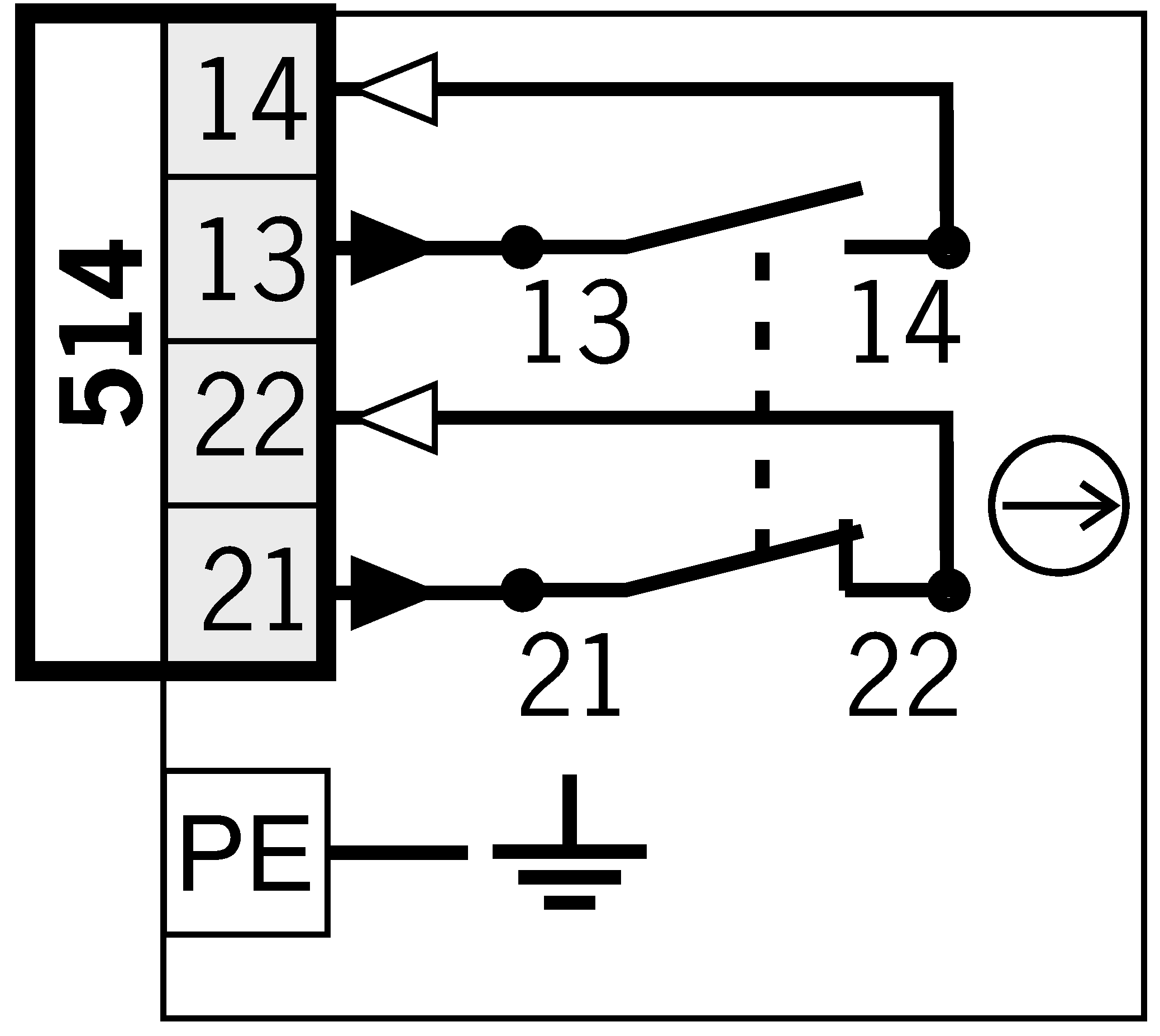
Connection examples

Shift travel diagrams

![]() | Contacts closed |
![]() | Contacts open |
![]() | Contacts positively driven |
Technical data
Approvals



Electrical connection values
| Fuse | max. 6 A gG |
| Connection cross section | 0.34 ... 1.5 mm² |
| Rated insulation voltage Ui | 250 V |
| Rated impulse voltage Uimp | 4 kV |
| Utilization category | |
| AC-15 | 2.5 A 230 V |
| DC-13 | 6 A 24 V |
| Switching current | |
| min. at DC 24V | 5 mA |
| thermal rated current Ith | 10 A |
Mechanical values and environment
| Anfahrgeschwindigkeit | 0.01 ... 20 m/min |
| Connection type | |
| 2 x | M16 x 1.5 |
| Number of switching elements | 1 |
| Number of NO contacts | 1 |
| Number of positively driven contacts | 1 |
| Design | Housing according to DIN 43693 |
| Actuating element | Roller plunger (Slide bearing) |
| Actuating force | min. 30 N |
| Installation orientation | any |
| Storage temperature | -25 ... 80 °C |
| Mechanical life | 1 x 10⁶ |
| Contact bounce time | max. 3 ms |
| Roller diameter | 18 mm |
| Switching principle | Snap-action switching contact |
| Schließzeit | max. 5 ms |
| Degree of protection | IP67 |
| Ambient temperature | -25 ... 80 °C |
| Material | |
| Contact | Silver alloy, gold flashed |
| Housing | Anodized die-cast alloy |
Characteristic values according to EN ISO 13849-1 and EN IEC 62061
| Monitoring of the guard position | |
| B10D | 2 x 10⁶ |
Downloads
Complete package
Download all important documents with a single click.
Content:
- The operating instructions and any additions to the operating instructions or brief instructions
- Any data sheets to supplement the operating instructions
- The declaration of conformity
Download Complete Package (ZIP, 2,2 MB)
Single Documents
Declarations of conformity
EU-Konformitätserklärung
Doc. no.
Version
Language
Size
EU-Konformitätserklärung
Doc. no.
EDC2539628
Version
Language
Size
0,2 MB
UKCA-Konformitätserklärung
Doc. no.
Version
Language
Size
UKCA-Konformitätserklärung
Doc. no.
EDC20001551
Version
Language
Size
0,1 MB
Instructions
Operating Instructions Precision Single Limit Switch N1A
Doc. no.
Version
Language
Size
Operating Instructions Precision Single Limit Switch N1A
Doc. no.
2032309
Version
05/25
Language
Size
0,7 MB
Mode d’emploi Fins de course monopistes de précision N1A
Doc. no.
2032309
Version
05/25
Language
Size
0,7 MB
Manual de instrucciones Final de carrera unitario de precisión N1A
Doc. no.
2032309
Version
05/25
Language
Size
0,7 MB
Betriebsanleitung Präzisions-Einzelgrenztaster N1A
Doc. no.
2032309
Version
05/25
Language
Size
0,7 MB
Istruzioni di impiego Finecorsa di precisione singoli N1A
Doc. no.
2032309
Version
05/25
Language
Size
0,7 MB
Other Documents
Approvals and certificates
CCC
Doc. no.
Version
Language
Size
CCC
Doc. no.
20001849
Version
Language
Size
0,0 MB
DNV-GL
Doc. no.
Version
Language
Size
DNV-GL
Doc. no.
Version
Language
Size
0,2 MB
WEEE
Doc. no.
Version
Language
Size
WEEE
Doc. no.
ECO20001806
Version
Language
Size
0,1 MB
c UL us
Doc. no.
Version
Language
Size
c UL us
Doc. no.
Version
Language
Size
0,3 MB
Sales documents
Position Switches and Multiple Limit Switches
Doc. no.
Version
Language
Size
Position Switches and Multiple Limit Switches
Doc. no.
157836
Version
01-03/18
Language
Size
4,1 MB
Interrupteurs de position et boîtiers multipistes
Doc. no.
157837
Version
01-03/18
Language
Size
4,1 MB
Positionsschalter und Reihengrenztaster
Doc. no.
157835
Version
01-03/18
Language
Size
4,1 MB
Safety Switches with Metal Housing
Doc. no.
Version
Language
Size
Safety Switches with Metal Housing
Doc. no.
100369
Version
11-03/18
Language
Size
7,8 MB
Interrupteurs de sécurité avec boîtier métallique
Doc. no.
100676
Version
11-03/18
Language
Size
7,9 MB
Interruptores de seguridad con carcasa metálica
Doc. no.
104856
Version
11-03/18
Language
Size
14,0 MB
Sicherheitsschalter mit Metallgehäuse
Doc. no.
100319
Version
11-03/18
Language
Size
7,9 MB
金属壳体 的安全开关
Doc. no.
102453
Version
11-03/18
Language
Size
8,2 MB
Bezpečnostní spínače s kovovým pouzdrem
Doc. no.
121650
Version
11-03/18
Language
Size
7,8 MB
CAD/eCAD
Ordering data
| Ordernumber | 087204 |
| Item designation | N1ARL514-M |
| Gross weight | 0,304kg |
| Customs tariff number | 85365019000 |
| ECLASS | 27-27-06-01 Position switch (Type 1) |
+ 1 NO contact








