STA3A-4121A024SR11 (Order no. 105304)
STA safety switch, plug connector(s) M26 (SR11), contacts for door position
- Plug connector M26 (SR11)
- Contacts for the door position
- Auxiliary release
- Closed-circuit current principle

Description
Approach direction
Horizontal and vertical
Can be adjusted in 90° steps
Increased overtravel for horizontal approach direction
If increased play is required when the door is closed, an actuator with overtravel is available. With this actuator the door can move slightly in the actuating direction when closed. This is important, for example, if safety doors have a rubber end stop. Using an actuator with overtravel, the continuous pressure from the compressed rubber can be reduced. In this way the load is reduced on the switch head and the door mechanism.
Guard locking principle
Power to unlock: On a guard with guard locking based on the closed-circuit current principle, the guard is locked by spring force until the guard locking solenoid is supplied with power. Unlocking is by solenoid force. The term mechanical guard locking is also used.
Switching element
4121 | Slow-action switching contact |
Contacts for guard locking: 2 positively driven contacts | |
Contacts for door monitoring: 1 NC contact + 1 NO contact |
Auxiliary release
The auxiliary release on the front makes it possible to access the machine if there is a malfunction, e.g. a power failure. Unlocking is performed using a tool or a key. The auxiliary release must be protected against misuse (sealing, lacquer).
Accessories required
Actuator is not included.
Functional drawings

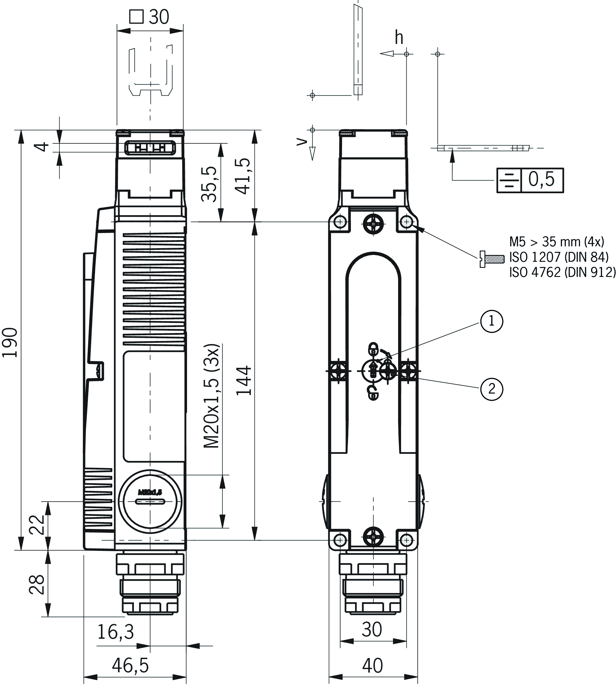
Dimensional drawings

| 1 | Auxiliary release |
| 2 | Locking screw |
Connection examples

![]() | Door monitoring |
![]() | Solenoid monitoring |
Technical data
Approvals


Electrical connection values
| Fuse | max. 4 A gG |
| Power consumption | 8 W |
| Rated insulation voltage Ui | 50 V |
| Rated impulse voltage Uimp | 1.5 kV |
| Utilization category | |
| AC-15 | 4 A 50 V |
| DC-13 | 4 A 24 V |
| Solenoid operating voltage | |
| AC/DC | 24 V -15% ... +10% |
| Solenoid duty cycle | 100 % |
| Switching voltage | |
| min. at 10 mA | 12 V |
| Switching current | |
| min. at 24 V | 1 mA |
| thermal rated current Ith | 4 A |
Mechanical values and environment
| Anfahrgeschwindigkeit | max. 20 m/min |
| Approach direction | A |
| Connection type | |
| 1 x | Plug connector SR11 (11-pin + PE) |
| Number of door position NC contacts | 1 |
| Number of door position NO contacts | 1 |
| Number of guard lock monitoring positively driven contacts | 2 |
| Extraction force | 30 N |
| Actuation frequency | max. 1200 1/h |
| Actuating force | 35 N |
| Installation orientation | any |
| Insertion depth | 24.5 mm |
| Storage temperature | -25 ... 80 °C |
| Mechanical life | 1 x 10⁶ |
| Retention force | 20 N |
| Switching principle | Slow-action switching contact |
| Degree of protection | IP65 |
| Ambient temperature | -20 ... 80 °C |
| Material | |
| Contact | Silver alloy, gold flashed |
| Housing | Alloy - die-cast |
| Locking force Fmax | 3000 N |
| Locking force FZh | 2300 N |
| Guard locking principle | Closed-circuit current principle |
Characteristic values according to EN ISO 13849-1 and EN IEC 62061
| B10D | Mission time | |
|---|---|---|
| Guard lock monitoring | 1.15x107 | 20 y |
| Important! Values valid at DC-13 100 mA/24V | ||
| PL | Maximum SIL | Category | Mission time | |
|---|---|---|---|---|
| Control of guard locking | Depending on external control of guard locking | 20 y | ||
In combination with actuator ACTUATOR-S-GT-SN
| Overtravel | 5 mm |
Accessories
AE-B-A1-02,0-096230
- Can be used as escape release or emergency release
- no automatic return
- Sheath length 2 m (rope length 6 m)
AE-B-A1-02,0-F-097747
- Can be used as escape release or emergency release
- automatic return
- Sheath length 2 m (rope length 6 m)
AE-B-A1-03,0-098313
- Can be used as escape release or emergency release
- no automatic return
- Sheath length 3 m (rope length 6 m)
AE-B-A1-03,0-F-111233
- Can be used as escape release or emergency release
- automatic return
- Sheath length 3 m (rope length 6 m)
AE-B-A1-04,0-098314
- Can be used as escape release or emergency release
- no automatic return
- Sheath length 4 m (rope length 6 m)
AE-B-A1-06,0-125582
- Can be used as escape release or emergency release
- no automatic return
- Rope length 6 m (without sheath)
AE-B-A1-06,0-F-124770
- Can be used as escape release or emergency release
- automatic return
- Rope length 6 m (without sheath)
Downloads
Complete package
Download all important documents with a single click.
Content:
- The operating instructions and any additions to the operating instructions or brief instructions
- Any data sheets to supplement the operating instructions
- The declaration of conformity
Single Documents
Other Documents
ePlan macros
Ordering data
| Ordernumber | 105304 |
| Item designation | STA3A-4121A024SR11 |
| Gross weight | 0,743kg |
| Customs tariff number | 85365019000 |
| ECLASS | 27-27-26-03 Safety switch with guard control |






























