MSM-1-P-TA-B0P0Z0-J7-169466 (Order no. 169466)
Choose content
Submodule MSM-1-P... (illuminated emergency stop, 1 pushbutton, illuminated with symbol, 1 illuminated pushbutton (test pulse monitored))
- Function expansion for modules MGB2 and MCM
- Connection type: P
- 1 illuminated emergency stop according to ISO 13850
- 1 illuminated pushbuttons with symbol
- 1 illuminated pushbutton (test pulse monitored)
- Use down to a temperature of -30 °C

Description



Dimensional drawings

| Pos 1 | Emergency stop in accordance with EN ISO 13850, illuminated |
| Pos 2 | Illuminated pushbutton |
| Pos 3 | illuminated pushbutton (test pulse monitored) |
| Z | marks orientation of item 1 |
Dimensional drawings

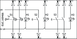
Connection examples

Technical data
Operating and display elements
| Item | Color | Extras | Slide-in label | Switching element | Note slide-in label | Version | Number | Designation1 | LED |
|---|---|---|---|---|---|---|---|---|---|
| 1 | 2 PD | Illuminated emergency stop | |||||||
| 2 | green | printed | 1NO | Illuminated pushbutton | |||||
| 3 | blue | 2NO | Pushbutton (test pulse monitored) illuminated |
Electrical connection values
| Current consumption | max. 34 mA |
| Controls and indicators | |
| Breaking capacity | max. 0.25 W |
| Switching voltage | 24 V |
| Switching current | 5 ... 10 mA |
| LED power supply | 24 V DC |
| Illuminated emergency stop | |
| Breaking capacity | max. 0.25 W |
| Switching voltage | 5 ... 24 V |
| Switching current | 1 ... 100 mA |
| LED power supply | 24 V DC |
Mechanical values and environment
| Installation orientation | any |
| Storage temperature | -30 ... 70 °C |
| Response time | See operating instructions for bus module MBM-... or interlocking/locking module MGB2-I.-BR-... / MGB2-L.-BR-... |
| Shock and vibration resistance | Acc. to EN IEC 60947-5-3 |
| Degree of protection | IP65 (IP20) (in the installed state) |
| Ambient temperature | |
| at UB = 24 V DC | -30 ... 55 °C |
| Material | Fiber glass reinforced plastic, die-cast zinc, nickel plated |
Characteristic values according to EN ISO 13849-1 and EN IEC 62061
| B10D | Mission time | |
|---|---|---|
| Emergency stop | 0.13x106 | 20 y |
Miscellaneous
| Submodulbreite | 1 |
| Software ID (SW ID) | 9000042 |
Accessories
Downloads
Complete package
Download all important documents with a single click.
Content:
- The operating instructions and any additions to the operating instructions or brief instructions
- Any data sheets to supplement the operating instructions
- The declaration of conformity
Download Complete Package (ZIP, 2,9 MB)
Single Documents
Declarations of conformity
EU-Konformitätserklärung
Doc. no.
Version
Language
Size
EU-Konformitätserklärung
Doc. no.
EDC2518509
Version
Language
Size
2,8 MB
UKCA-Konformitätserklärung
Doc. no.
Version
Language
Size
UKCA-Konformitätserklärung
Doc. no.
EDC20001508
Version
Language
Size
0,2 MB
Other Documents
Approvals and certificates
WEEE
Doc. no.
Version
Language
Size
WEEE
Doc. no.
ECO20001806
Version
Language
Size
0,1 MB
Ordering data
| Ordernumber | 169466 |
| Item designation | MSM-1-P-TA-B0P0Z0-J7-169466 |
| Gross weight | 0,11kg |
| Customs tariff number | 85371098 |
| ECLASS | 27-24-26-05 Field bus, decentralized peripheral - function-/technology module |








