CES-A-BBN-C14-160441 (Order no. 160441)
Choose content
Actuator CES-A-BBN-C14
- Actuator encapsulated with epoxy resin
- Cube-shaped design 72 x 30 mm
- Two safety screws M4x16 included

Description

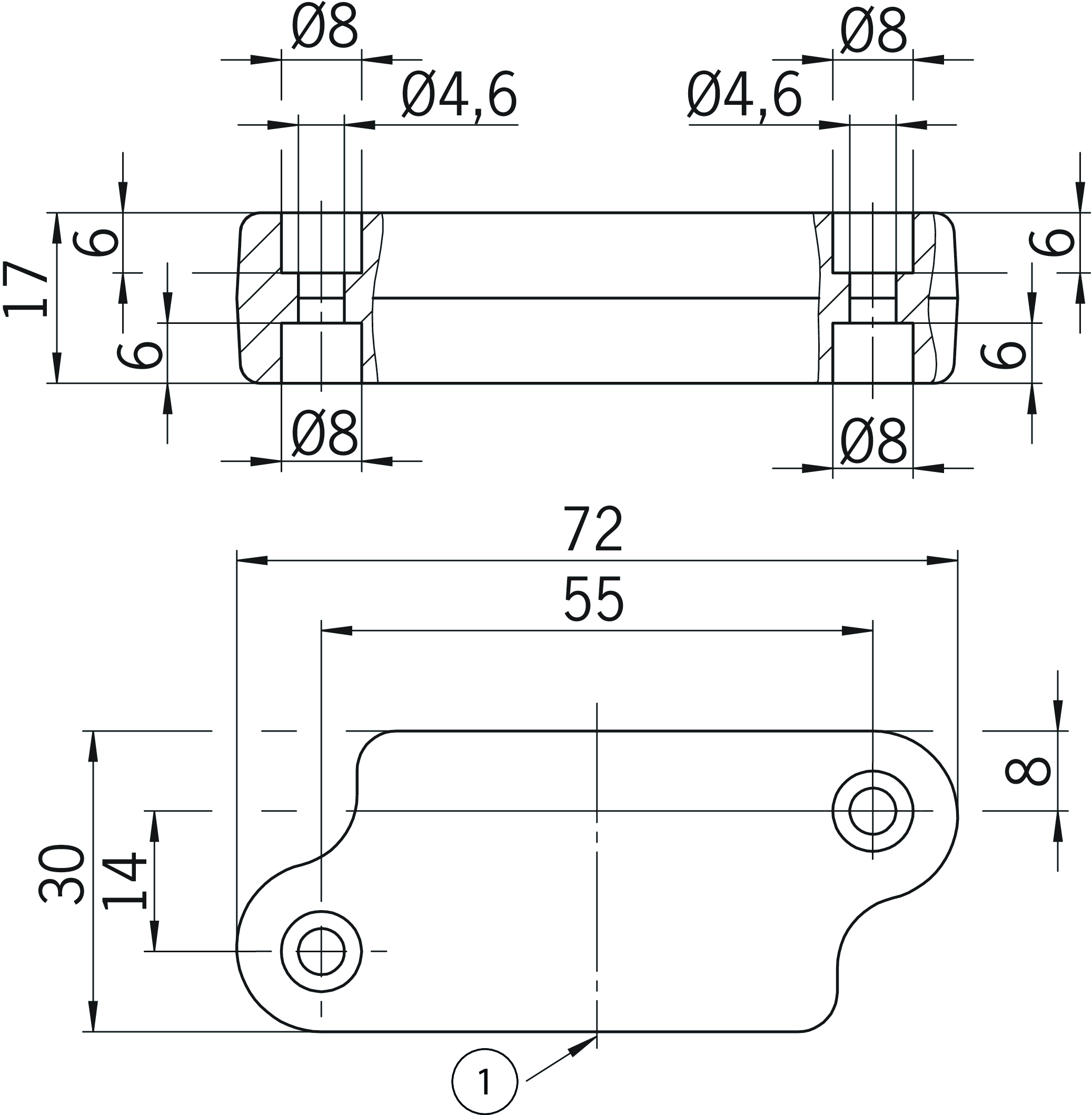
Dimensional drawings

| 1 | Active face |
Technical data
Approvals

Electrical connection values
| Power supply | Inductive via read head |
Mechanical values and environment
| Tightening torque | |
| Fixing screws | 2 Nm |
| Storage temperature | -25 ... 70 °C |
| Degree of protection | IP65/IP67/IP69/IP69K |
| Ambient temperature | 0 ... 65 °C |
| Material | |
| Housing | 2-component epoxy resin |
Components included in the set
| Included accessories | 2x safety screws M4x16 |
Accessories
Downloads
Complete package
Download all important documents with a single click.
Content:
- The operating instructions and any additions to the operating instructions or brief instructions
- Any data sheets to supplement the operating instructions
- The declaration of conformity
Download Complete Package (ZIP, 3,3 MB)
Single Documents
Other Documents
Approvals and certificates
WEEE
Doc. no.
Version
Language
Size
WEEE
Doc. no.
ECO20001806
Version
Language
Size
0,1 MB
Sales documents
Ordering data
| Ordernumber | 160441 |
| Item designation | CES-A-BBN-C14-160441 |
| Gross weight | 0,04kg |
| Customs tariff number | 85389099990 |
| ECLASS | 27-27-24-04 Actuator for safety-related proximity switch |
