AC-YD-V0,2-SBB-124516 (Order no. 124516)
Choose content
Y-distributor M12 with connecting cable, 5-pin
- Y-distributor M12 with connecting cable, 5-pin
- Straight plug connector
- PVC cable
- Cable length 0.29 m

Description



Dimensional drawings

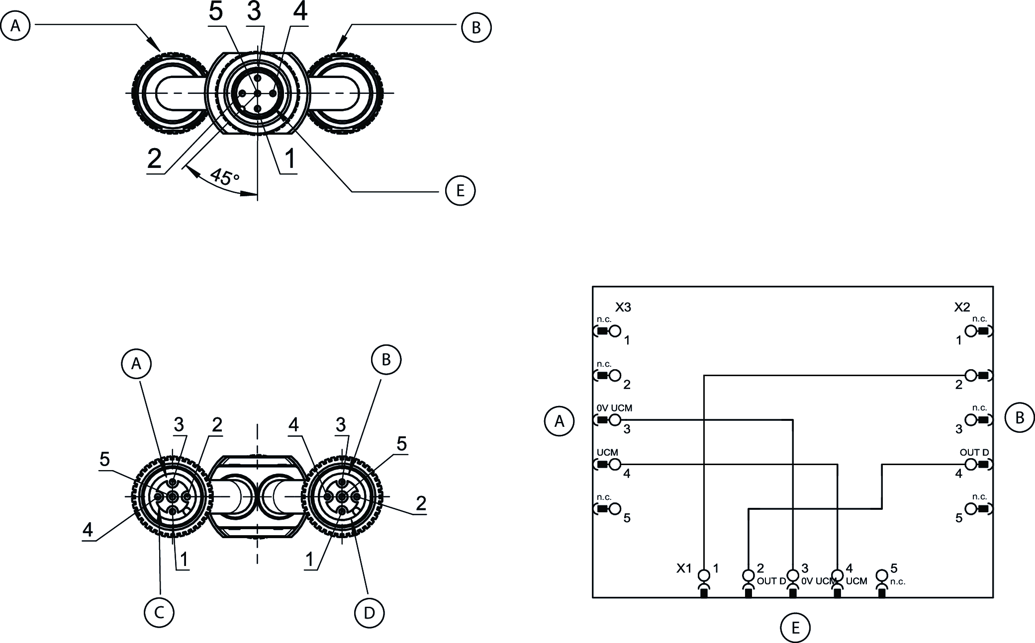
Connection examples

Connection examples

| A | Plug A |
| B | Plug B |
| C | Contact carrier black |
| D | Contact carrier red |
| E | Socket |
Technical data
Electrical connection values
| Rated insulation voltage Ui | 300 V |
| Rated voltage | 60 V |
| Rated impulse voltage Uimp | 1.5 kV |
| Contact resistance | ≤5 mΩ |
| Nominal current | |
| at 40 °C | 4 A |
| Degree of contamination according to EN 60664-1 | 3 |
Mechanical values and environment
| Type specification | DIN EN 61076-2-101 |
| Storage temperature | -25 ... 80 °C |
| Cable length | |
| approx. | 0.29 m |
| Sheath color | black |
| Degree of protection | IP65/IP67 (Only in the screwed tight state with the relating mating components.) |
| Insertion cycles | 100 |
| Ambient temperature | -25 ... 80 °C |
| Material | |
| Contact | CuZn, nickel and gold plated |
| Coupling contact carrier | TPU GF, self-extinguishing |
| Cable sleeve | PVC |
| Plug housing | TPU, self-extinguishing |
| Plug contact carrier | TPU, self-extinguishing |
| Plug lock | CuZn, nickel plated |
| Connection 1 | |
| Connection type | Plug connector M12 |
| Connection type | Female plug |
| Cable outlet | straight |
| Number of pins | 5 |
| Plug lock | Screw terminal |
| Connection 2, connection 3 | |
| Connection type | Plug connector M12 |
| Connection type | Male plug |
| Cable outlet | straight |
| Number of pins | 5 |
| Plug lock | Screw terminal |
Downloads
Complete package
Download all important documents with a single click.
Content:
- The operating instructions and any additions to the operating instructions or brief instructions
- Any data sheets to supplement the operating instructions
- The declaration of conformity
Download Complete Package (ZIP, 0,3 MB)
Single Documents
Other Documents
Approvals and certificates
WEEE
Doc. no.
Version
Language
Size
WEEE
Doc. no.
ECO20001806
Version
Language
Size
0,1 MB
Sales documents
Ordering data
| Ordernumber | 124516 |
| Item designation | AC-YD-V0,2-SBB-124516 |
| Gross weight | 0,063kg |
| Customs tariff number | 85389099990 |
