RIEGEL CTP-GFK (Order no. 123657)
Choose content
Bolt CTP-GFK for safety switch CTP
- Fiber glass reinforced plastic bolt
- For doors hinged on the left or right
- Can be locked in open position with padlocks
- Actuator included

Description
Benefits
- Light, compact construction
- Easily mounted to standard aluminum profiles and machine covers by screw connection
- Distinctive yellow color for easy recognition
- No additional door handle necessary
Notes
- Functions only in conjunction with switch bracket TP/STP GFK
- Order safety switch separately
- Order switch bracket separately

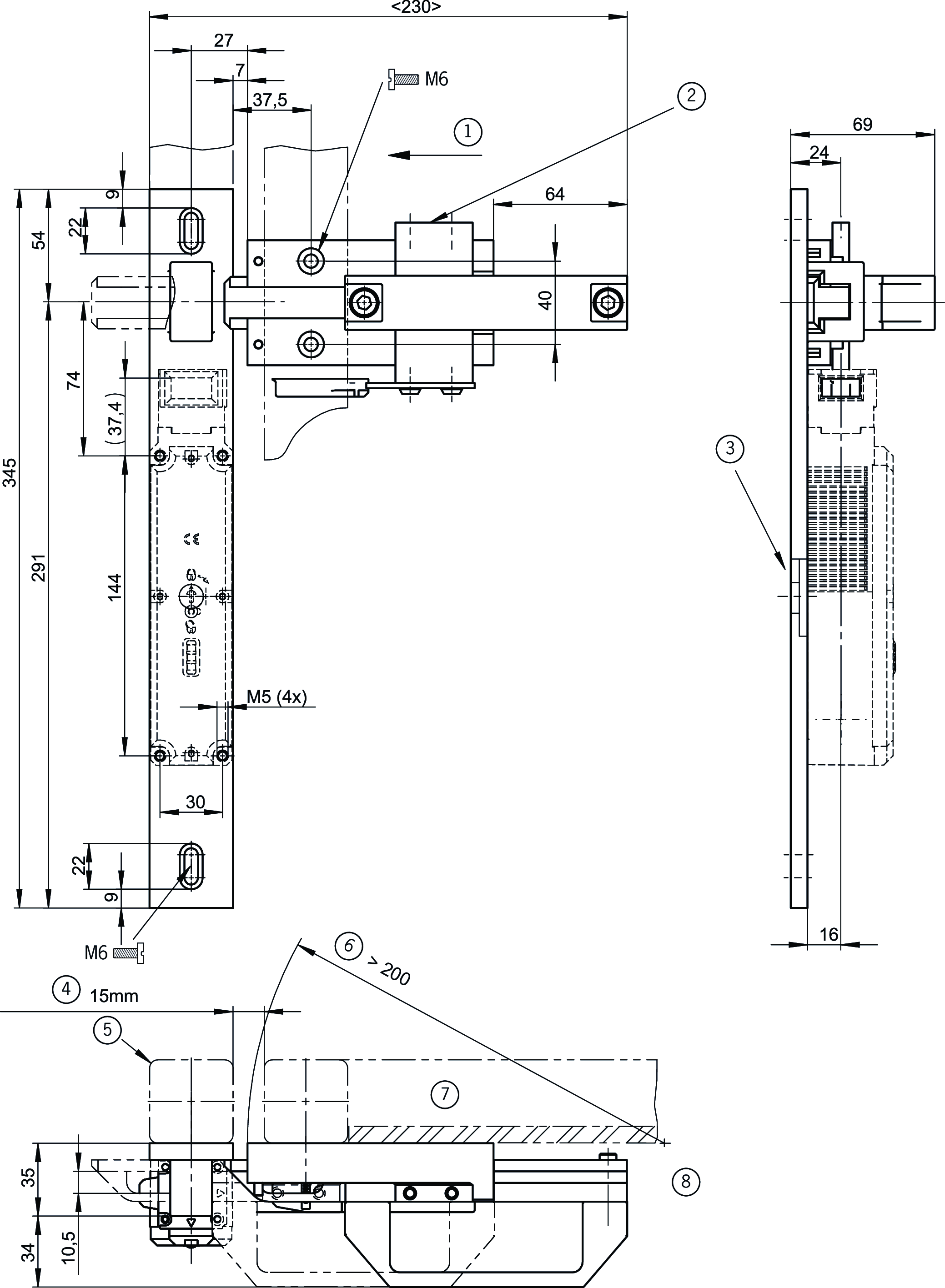
Dimensional drawings

| 1 | Approach direction A |
| 2 | For doors hinged on the left the actuator is to be mounted on this side and the approach direction for the switch and bolt changed. |
| 3 | Cut-out for switch with escape release |
| 4 | Door gap |
| 5 | Safety guard frame (40x40) |
| 6 | Door radius |
| 7 | Door hinged on the right |
Technical data
Mechanical values and environment
| Approach direction | A or C |
| Number of safety switches that can be mounted | 1 |
| Escape release | None |
| Storage temperature | -25 ... 70 °C |
| Material | |
| Handle | Plastic |
| Base plate | Plastic |
| Switch bracket | Plastic |
| Guide strips | Plastic |
Miscellaneous
| Detent mechanism | None |
Accessories
Downloads
Complete package
Download all important documents with a single click.
Content:
- The operating instructions and any additions to the operating instructions or brief instructions
- Any data sheets to supplement the operating instructions
- The declaration of conformity
Download Complete Package (ZIP, 9,2 MB)
Single Documents
Instructions
Safety Information for Bolts
Doc. no.
Version
Language
Size
Safety Information for Bolts
Information de sécurité pour verrous-targettes
Información de seguridad para cerrojos
Sicherheitsinformation für Riegel
Information de sécurité pour verrous-targettes
Información de seguridad para cerrojos
Sicherheitsinformation für Riegel
Doc. no.
2530033
Version
04-03/24
Language
Size
0,2 MB
Sicherheitsinformation für Riegel
Doc. no.
2530033
Version
04-03/24
Language
Size
0,2 MB
Informação de segurança referente ao trinco
Doc. no.
2530033
Version
04-03/24
Language
Size
0,4 MB
Informazioni sulla sicurezza per il chiavistello
Doc. no.
2530033
Version
04-03/24
Language
Size
0,1 MB
Bezpečnostní informace pro petlice
Doc. no.
2530033
Version
04-03/24
Language
Size
0,5 MB
Tolózár biztonsági információi
Doc. no.
2530033
Version
04-03/24
Language
Size
0,5 MB
Информация за безопасност за ригели
Doc. no.
2530033
Version
04-03/24
Language
Size
0,5 MB
Sikkerhedsinformation for bolte
Doc. no.
2530033
Version
04-03/24
Language
Size
0,4 MB
Ohutusalane teave riivistuste kohta
Doc. no.
2530033
Version
04-03/24
Language
Size
0,5 MB
Turvallisuustietoja salvalle
Doc. no.
2530033
Version
04-03/24
Language
Size
0,4 MB
Πληροφορίες ασφαλείας για μάνδαλα
Doc. no.
2530033
Version
04-03/24
Language
Size
0,5 MB
Sigurnosne informacije za brave
Doc. no.
2530033
Version
04-03/24
Language
Size
0,5 MB
Aizbīdņu drošības informācija
Doc. no.
2530033
Version
04-03/24
Language
Size
0,5 MB
Saugos informacija skląsčiui
Doc. no.
2530033
Version
04-03/24
Language
Size
0,5 MB
Veiligheidsinformatie voor grendels
Doc. no.
2530033
Version
04-03/24
Language
Size
0,4 MB
Sikkerhetsinformasjon for låser
Doc. no.
2530033
Version
04-03/24
Language
Size
0,4 MB
Informacje o bezpieczeństwie dotyczące użytkowania zasuw
Doc. no.
2530033
Version
04-03/24
Language
Size
0,5 MB
Säkerhetsinformation för regeln
Doc. no.
2530033
Version
04-03/24
Language
Size
0,4 MB
Varnostne informacije o zapahu
Doc. no.
2530033
Version
04-03/24
Language
Size
0,5 MB
Bezpečnostná informácia pre závory
Doc. no.
2530033
Version
04-03/24
Language
Size
0,5 MB
Sürgüler için güvenlik bilgisi
Doc. no.
2530033
Version
04-03/24
Language
Size
0,5 MB
Informații de siguranță privind zăvoarele
Doc. no.
2530033
Version
04-03/24
Language
Size
0,5 MB
Other Documents
Approvals and certificates
WEEE
Doc. no.
Version
Language
Size
WEEE
Doc. no.
ECO20001806
Version
Language
Size
0,1 MB
Sales documents
transponder-coded safety switch CTP with guard locking
Doc. no.
Version
Language
Size
transponder-coded safety switch CTP with guard locking
Doc. no.
123244
Version
12-02/18
Language
Size
2,3 MB
Interrupteur de sécurité à codage par transpondeur CTP avec interverrouillage
Doc. no.
123245
Version
12-02/18
Language
Size
2,3 MB
Interruptor de seguridad CTP codifi cado por transponder con bloqueo
Doc. no.
123246
Version
12-02/18
Language
Size
2,3 MB
Transpondercodierter Sicherheitsschalter CTP mit Zuhaltung
Doc. no.
123243
Version
12-02/18
Language
Size
2,3 MB
Info sheets
Fiches info
Ficha informativa
Fichas de informação
信息表
情報シート
정보 시트
Informační listy
Fiches info
Ficha informativa
Fichas de informação
信息表
情報シート
정보 시트
Informační listy
Doc. no.
126214
Version
12-02/18
Language
Size
2,3 MB
Finecorsa di sicurezza con codifi ca a transponder CTP con meccanismo di ritenuta
Doc. no.
126042
Version
12-02/18
Language
Size
2,3 MB
Info sheets
Fiches info
Ficha informativa
Fichas de informação
信息表
情報シート
정보 시트
Informační listy
Fiches info
Ficha informativa
Fichas de informação
信息表
情報シート
정보 시트
Informační listy
Doc. no.
158439
Version
12-02/18
Language
Size
2,4 MB
Bezpecnostní spínac CTP s kódovaným transpondérem a jištením ochranného krytu
Doc. no.
126604
Version
12-02/18
Language
Size
2,3 MB
Kodowany RFID - wyłącznik bezpieczeństwa CTP z ryglowaniem
Doc. no.
160884
Version
12-02/18
Language
Size
2,2 MB
Kilitli RFID kodlu emniyet salteri CTP
Doc. no.
126076
Version
12-02/18
Language
Size
2,3 MB
Ordering data
| Ordernumber | 123657 |
| Item designation | RIEGEL CTP-GFK |
| Gross weight | 0,35kg |
| Customs tariff number | 39269097900 |

