A-C-H-W-SST-122667 (Order no. 122667)
Choose content
Bent actuator for safety switch CTP/CTA
- Actuator bent at top
- Two safety screws included

Description
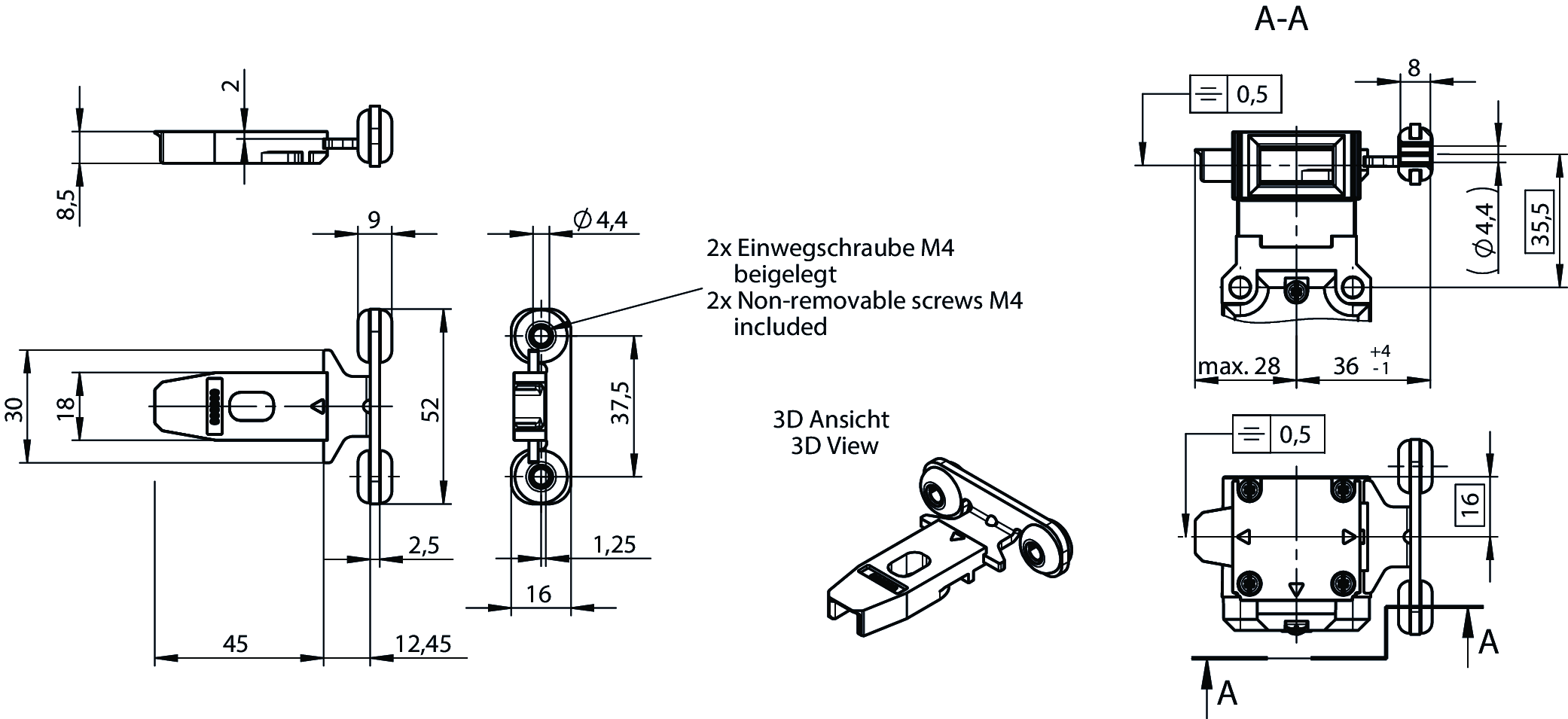
Actuator bent at top
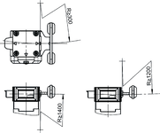
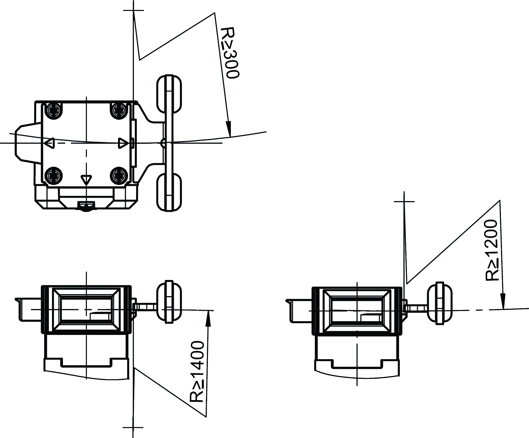
The angled actuator is used on sliding doors or hinged doors with door radii greater than 300 mm. Safety screws prevent unscrewing of the actuators.
The safety screws included can be inserted with a normal tool, but cannot be removed again.


Dimensional drawings

Dimensional drawings

Technical data
Approvals

Electrical connection values
| Power supply | Inductive via read head |
Mechanical values and environment
| Storage temperature | -25 ... 70 °C |
| Mechanical life | 1 x 10⁶ |
| Overtravel | 5 mm |
| Degree of protection | IP67/IP69 |
| Ambient temperature | -20 ... 55 °C |
| Material | |
| Encapsulation | Fiber reinforced plastic, black |
| Mounting | Stainless steel |
| Bush | NBR |
| Locking force Fmax | 1500 N |
| Locking force FZh | 1100 N (Fzh = Fmax/1.3) |
Accessories
Downloads
Approvals and certificates
WEEE
Doc. no.
Version
Language
Size
WEEE
Doc. no.
ECO20001806
Version
Language
Size
0,1 MB
c UL us
Doc. no.
Version
Language
Size
c UL us
Doc. no.
Version
Language
Size
0,3 MB
Sales documents
transponder-coded safety switch CTP with guard locking
Doc. no.
Version
Language
Size
transponder-coded safety switch CTP with guard locking
Doc. no.
123244
Version
12-02/18
Language
Size
2,3 MB
Interrupteur de sécurité à codage par transpondeur CTP avec interverrouillage
Doc. no.
123245
Version
12-02/18
Language
Size
2,3 MB
Interruptor de seguridad CTP codifi cado por transponder con bloqueo
Doc. no.
123246
Version
12-02/18
Language
Size
2,3 MB
Transpondercodierter Sicherheitsschalter CTP mit Zuhaltung
Doc. no.
123243
Version
12-02/18
Language
Size
2,3 MB
Info sheets
Fiches info
Ficha informativa
Fichas de informação
信息表
情報シート
정보 시트
Informační listy
Fiches info
Ficha informativa
Fichas de informação
信息表
情報シート
정보 시트
Informační listy
Doc. no.
126214
Version
12-02/18
Language
Size
2,3 MB
Finecorsa di sicurezza con codifi ca a transponder CTP con meccanismo di ritenuta
Doc. no.
126042
Version
12-02/18
Language
Size
2,3 MB
Info sheets
Fiches info
Ficha informativa
Fichas de informação
信息表
情報シート
정보 시트
Informační listy
Fiches info
Ficha informativa
Fichas de informação
信息表
情報シート
정보 시트
Informační listy
Doc. no.
158439
Version
12-02/18
Language
Size
2,4 MB
ガード・ロック付き トランスポンダー・ コード化 安全スイッ チCTP
Doc. no.
136411
Version
12-02/18
Language
Size
4,3 MB
Bezpecnostní spínac CTP s kódovaným transpondérem a jištením ochranného krytu
Doc. no.
126604
Version
12-02/18
Language
Size
2,3 MB
Kodowany RFID - wyłącznik bezpieczeństwa CTP z ryglowaniem
Doc. no.
160884
Version
12-02/18
Language
Size
2,2 MB
Kilitli RFID kodlu emniyet salteri CTP
Doc. no.
126076
Version
12-02/18
Language
Size
2,3 MB
CAD/eCAD
Ordering data
| Ordernumber | 122667 |
| Item designation | A-C-H-W-SST-122667 |
| Gross weight | 0,036kg |
| Customs tariff number | 85389099990 |
| ECLASS | 27-27-24-04 Actuator for safety-related proximity switch |

