RIEGEL TZ-A-NIRO-C2392 (Order no. 117193)
Choose content
Bolt TZ-A... for safety switch TZ
- Stainless steel bolt
- For doors hinged on the right
- Can be locked in open position with padlocks
- Actuator and switch bracket included

Description
Benefits
- Robust construction
- Easily mounted to standard aluminum profiles and machine covers by screw connection
- No additional door handle necessary
Special features
- Easy to use
Version in stainless steel
- Suitable for use in the chemical and foodstuff industries
- Screw material stainless steel
- Handle and slide strips made of stainless steel

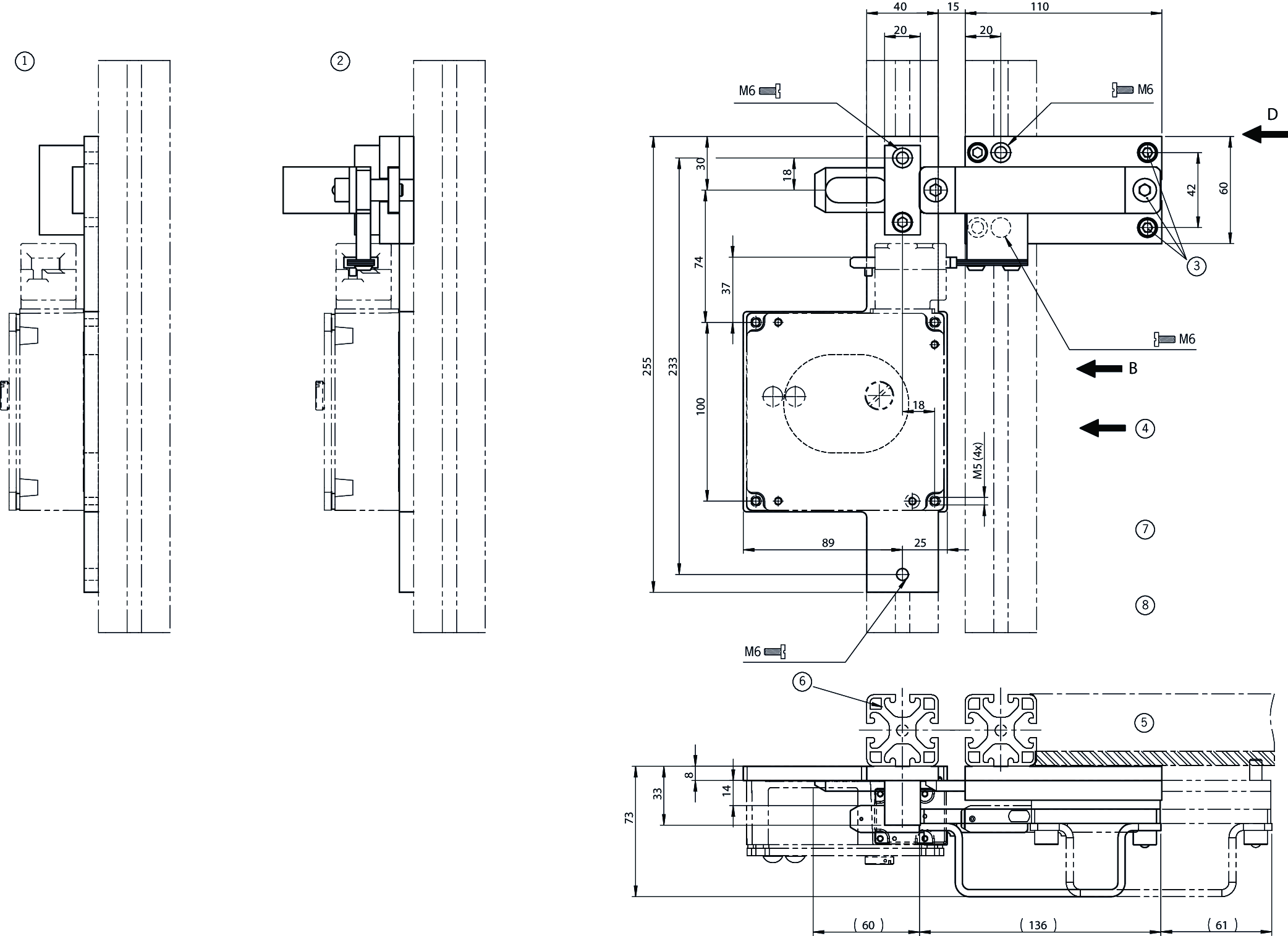
Dimensional drawings

| 1 | View B |
| 2 | View D |
| 3 | Screw locked |
| 4 | Safety switch TZ approach direction A |
| 5 | Door hinged on the right |
| 6 | Safety guard frame (40x40) |
| 7 | Attention! Bolt is not allowed to be used in conjunction with an escape release. |
| 8 | Bolt made of stainless steel 1.4301 screws made of stainless steel V2A, handle and slide strips made of stainless steel 1.4301 |
Technical data
Mechanical values and environment
| Approach direction | A |
| Number of safety switches that can be mounted | 1 |
| Escape release | None |
| Storage temperature | -25 ... 70 °C |
| Material | |
| Guide strips | stainless steel |
| Handle | stainless steel |
| Switch bracket | stainless steel |
| Base plate | stainless steel |
Miscellaneous
| Detent mechanism | None |
Downloads
Complete package
Download all important documents with a single click.
Content:
- The operating instructions and any additions to the operating instructions or brief instructions
- Any data sheets to supplement the operating instructions
- The declaration of conformity
Download Complete Package (ZIP, 9,2 MB)
Instructions
Safety Information for Bolts
Doc. no.
Version
Language
Size
Safety Information for Bolts
Information de sécurité pour verrous-targettes
Información de seguridad para cerrojos
Sicherheitsinformation für Riegel
Information de sécurité pour verrous-targettes
Información de seguridad para cerrojos
Sicherheitsinformation für Riegel
Doc. no.
2530033
Version
04-03/24
Language
Size
0,2 MB
Sicherheitsinformation für Riegel
Doc. no.
2530033
Version
04-03/24
Language
Size
0,2 MB
Informação de segurança referente ao trinco
Doc. no.
2530033
Version
04-03/24
Language
Size
0,4 MB
Informazioni sulla sicurezza per il chiavistello
Doc. no.
2530033
Version
04-03/24
Language
Size
0,1 MB
Bezpečnostní informace pro petlice
Doc. no.
2530033
Version
04-03/24
Language
Size
0,5 MB
Tolózár biztonsági információi
Doc. no.
2530033
Version
04-03/24
Language
Size
0,5 MB
Информация за безопасност за ригели
Doc. no.
2530033
Version
04-03/24
Language
Size
0,5 MB
Sikkerhedsinformation for bolte
Doc. no.
2530033
Version
04-03/24
Language
Size
0,4 MB
Ohutusalane teave riivistuste kohta
Doc. no.
2530033
Version
04-03/24
Language
Size
0,5 MB
Turvallisuustietoja salvalle
Doc. no.
2530033
Version
04-03/24
Language
Size
0,4 MB
Πληροφορίες ασφαλείας για μάνδαλα
Doc. no.
2530033
Version
04-03/24
Language
Size
0,5 MB
Sigurnosne informacije za brave
Doc. no.
2530033
Version
04-03/24
Language
Size
0,5 MB
Aizbīdņu drošības informācija
Doc. no.
2530033
Version
04-03/24
Language
Size
0,5 MB
Saugos informacija skląsčiui
Doc. no.
2530033
Version
04-03/24
Language
Size
0,5 MB
Veiligheidsinformatie voor grendels
Doc. no.
2530033
Version
04-03/24
Language
Size
0,4 MB
Sikkerhetsinformasjon for låser
Doc. no.
2530033
Version
04-03/24
Language
Size
0,4 MB
Informacje o bezpieczeństwie dotyczące użytkowania zasuw
Doc. no.
2530033
Version
04-03/24
Language
Size
0,5 MB
Säkerhetsinformation för regeln
Doc. no.
2530033
Version
04-03/24
Language
Size
0,4 MB
Varnostne informacije o zapahu
Doc. no.
2530033
Version
04-03/24
Language
Size
0,5 MB
Bezpečnostná informácia pre závory
Doc. no.
2530033
Version
04-03/24
Language
Size
0,5 MB
Sürgüler için güvenlik bilgisi
Doc. no.
2530033
Version
04-03/24
Language
Size
0,5 MB
Informații de siguranță privind zăvoarele
Doc. no.
2530033
Version
04-03/24
Language
Size
0,5 MB
Ordering data
| Ordernumber | 117193 |
| Item designation | RIEGEL TZ-A-NIRO-C2392 |
| Gross weight | 2,747kg |
| Customs tariff number | 83014090000 |
