MGB-E-A2-106051 (Order no. 106051)
Escape release module MGB-E... pre-assembled on mounting plate
- Escape release from the danger zone
- Mounted on mounting plate
- Signal red door handle
- Designed for door profiles up to 40 mm
- Extended actuation axis for thicker doors (available optionally)

Description
Escape release
The safety system MGB can be equipped with an escape release module. The escape release enables people shut in to open the guard locked door from the danger area. It is only necessary to actuate the door handle.
The actuating direction automatically adapts to the actuating direction of the handle module and does not need to be changed. The actuation axis supplied is suitable for profiles up to 40 mm.
Extended actuation axis
Optionally, for thicker doors or profiles>40 mm, a 250 mm long actuation axis (instead of 115 mm) can be ordered. The axis can be shortened to the required dimension.


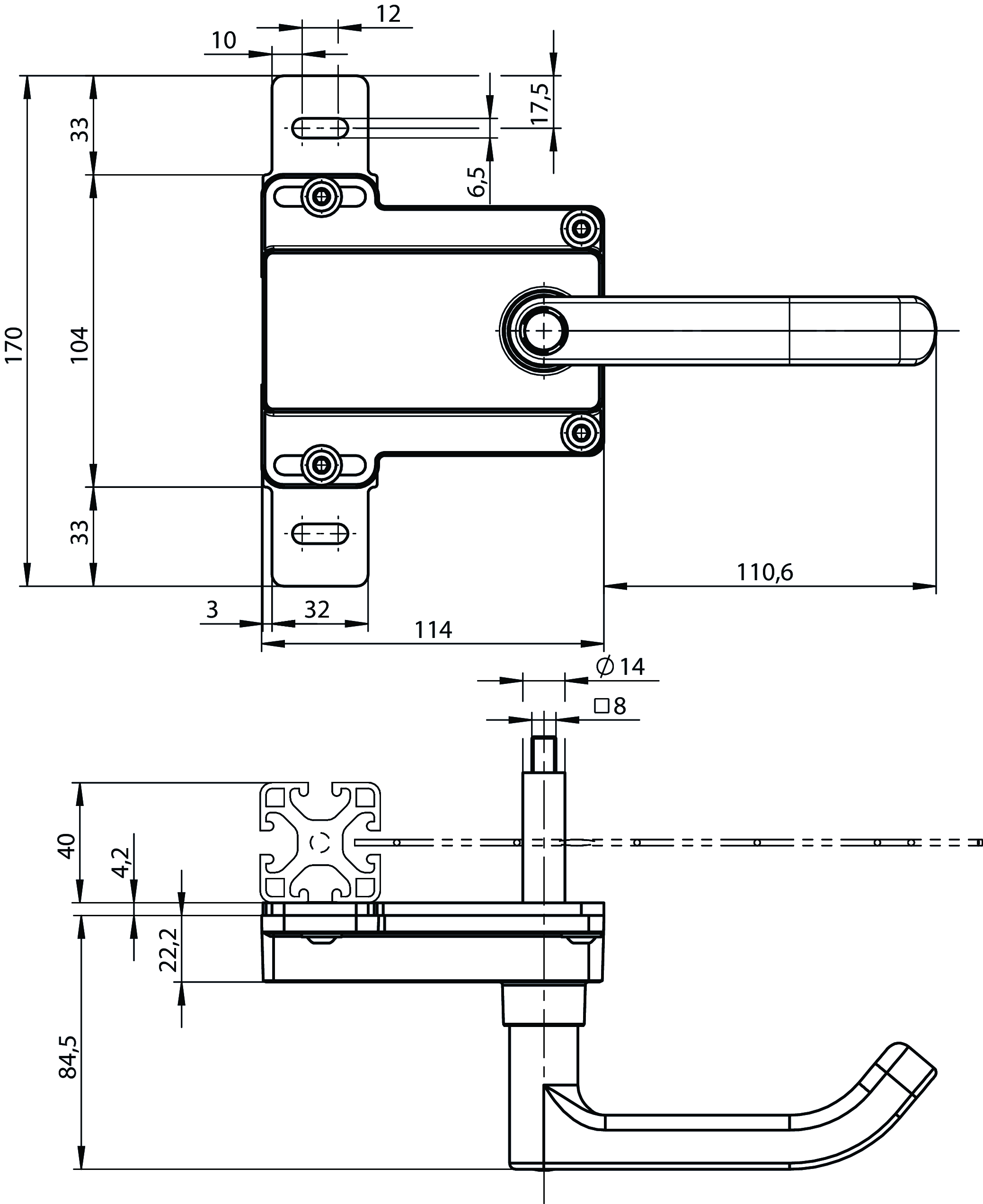
Dimensional drawings

| 1 | Door handle |
| 2 | Housing |
| 3 | Actuation axis 8 x 8 mm |
| 4 | Protective sleeve |
Dimensional drawings

Technical data
Approvals


Mechanical values and environment
| Installation orientation | any |
| Storage temperature | -30 ... 70 °C |
| Mechanical life | 1 x 10⁶ |
| Ambient temperature | -30 ... 55 °C |
| Material | |
| Housing | Die-cast zinc/stainless steel, powder-coated |
Miscellaneous
| Additional feature | with mounting plate |
Downloads
Complete package
Download all important documents with a single click.
Content:
- The operating instructions and any additions to the operating instructions or brief instructions
- Any data sheets to supplement the operating instructions
- The declaration of conformity
Single Documents
Other Documents
Ordering data
| Ordernumber | 106051 |
| Item designation | MGB-E-A2-106051 |
| Gross weight | 1,05kg |
| Global Trade Item Number (GTIN) | 4047048006683 |
| Customs tariff number | 85389099990 |
| ECLASS | 27-27-24-92 Safety-related proximity switch (accessories) |





