RADIUSBETAETIGER-S-OU-SN (Order no. 095315)
Choose content
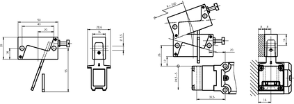
Hinged actuator S, top/bottom, for safety switch SGA/SGP/STA/STP/STM
- Actuator made of stainless steel
- Two safety screws included
- For top-hinged and bottom-hinged doors

Description
Notice
S-...-SN actuators must not be used in conjunction with insertion funnels. S-...-LN actuators must be used for insertion funnels.
Hinged actuators
For door radii less than 1000 mm a hinged actuator should be used. The spring action movement of the actuator prevents damage due to the actuator jamming in the actuating head. Depending on the movement of the guard, the actuator must be selected for left/right or top/bottom.

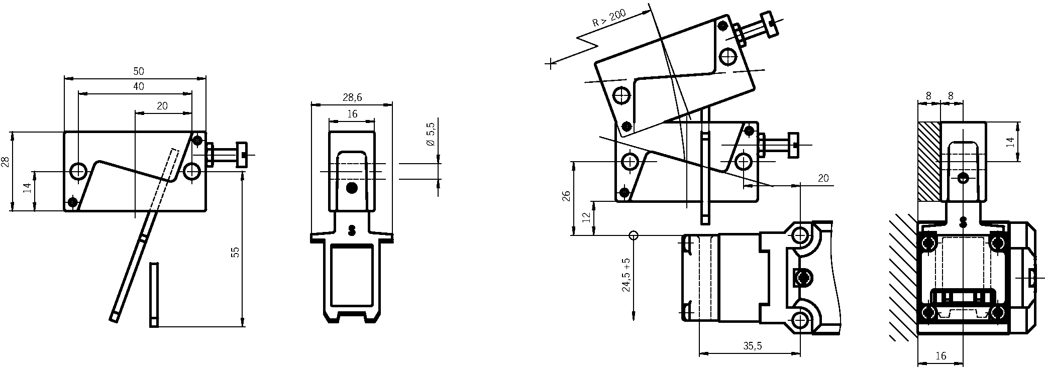
Dimensional drawings

Technical data
Approvals

Mechanical values and environment
| Storage temperature | -25 ... 70 °C |
| Overtravel | max. 5 mm |
| Door radius | min. 200 mm |
| Material | |
| Screw | Stainless steel |
| Actuator | Stainless steel |
Miscellaneous
| Usability of insertion funnel | No |
Accessories
Downloads
Approvals and certificates
DGUV
Doc. no.
Version
Language
Size
DGUV
Doc. no.
Version
Language
Size
3,5 MB
Sales documents
Safety Switches with Metal Housing
Doc. no.
Version
Language
Size
Safety Switches with Metal Housing
Doc. no.
100369
Version
11-03/18
Language
Size
7,8 MB
Interrupteurs de sécurité avec boîtier métallique
Doc. no.
100676
Version
11-03/18
Language
Size
7,9 MB
Interruptores de seguridad con carcasa metálica
Doc. no.
104856
Version
11-03/18
Language
Size
14,0 MB
Sicherheitsschalter mit Metallgehäuse
Doc. no.
100319
Version
11-03/18
Language
Size
7,9 MB
金属壳体 的安全开关
Doc. no.
102453
Version
11-03/18
Language
Size
8,2 MB
Bezpečnostní spínače s kovovým pouzdrem
Doc. no.
121650
Version
11-03/18
Language
Size
7,8 MB
Safety Switches with Plastic Housing
Doc. no.
Version
Language
Size
Safety Switches with Plastic Housing
Doc. no.
096956
Version
11-03/18
Language
Size
6,5 MB
Interrupteurs de sécurité avec boîtier plastique
Doc. no.
100677
Version
11-03/18
Language
Size
6,6 MB
Interruptores de seguridad con carcasa plástica
Doc. no.
104855
Version
11-03/18
Language
Size
6,6 MB
Sicherheitsschalter mit Kunststoffgehäuse
Doc. no.
096955
Version
11-03/18
Language
Size
6,6 MB
塑料壳体 的安全开关
Doc. no.
116243
Version
11-03/18
Language
Size
6,1 MB
Bezpečnostní spínače s plastovým pouzdrem
Doc. no.
121649
Version
11-03/18
Language
Size
6,5 MB
Ordering data
| Ordernumber | 095315 |
| Item designation | RADIUSBETAETIGER-S-OU-SN |
| Gross weight | 0,064kg |
| Customs tariff number | 85389099990 |
| ECLASS | 27-27-26-06 Actuator for safety-related position switch |



