TZ1RE024SEM4AS1-C1937 (Order no. 090279)
Safety switch TZ ASi, plug connector M12, emergency release
- AS-Interface
- Plug connector M12, 4-pin
- Emergency release with rotary knob
- LED indicator
- Actuating head fitted right
- Closed-circuit current principle

Description
Guard locking principle
Power to unlock: On a guard with guard locking based on the closed-circuit current principle, the guard is locked by spring force until the guard locking solenoid is supplied with power. Unlocking is by solenoid force. The term mechanical guard locking is also used.
Control of the guard locking solenoid
The guard locking solenoid is controlled via AS-Interface bit D0. In order to achieve safe control of the guard locking, the auxiliary voltage must also be switched safely.
Auxiliary voltage
The ASi auxiliary voltage is required to supply the guard locking solenoid.
AS-Interface inputs
D0, D1 | Monitoring of the guard position |
D2, D3 | Guard lock monitoring |
AS-Interface outputs
D0 | Control of guard locking |
D1 | LED red |
D2 | LED green |
LED indicator
The Power LED indicates the operating voltage on the bus.
The Fault LED indicates if a fault has been detected on the AS-Interface bus.
The green and the red LEDs can be controlled as required by the control system via the bus using bits D1 and D2.
Emergency release
The emergency release on the front is used for manual release of the guard locking without tools in an emergency. The emergency unlocking mechanism must be returned to the locked state manually. Sealing can be fitted to protect against tampering.
Accessories required
Actuator is not included.
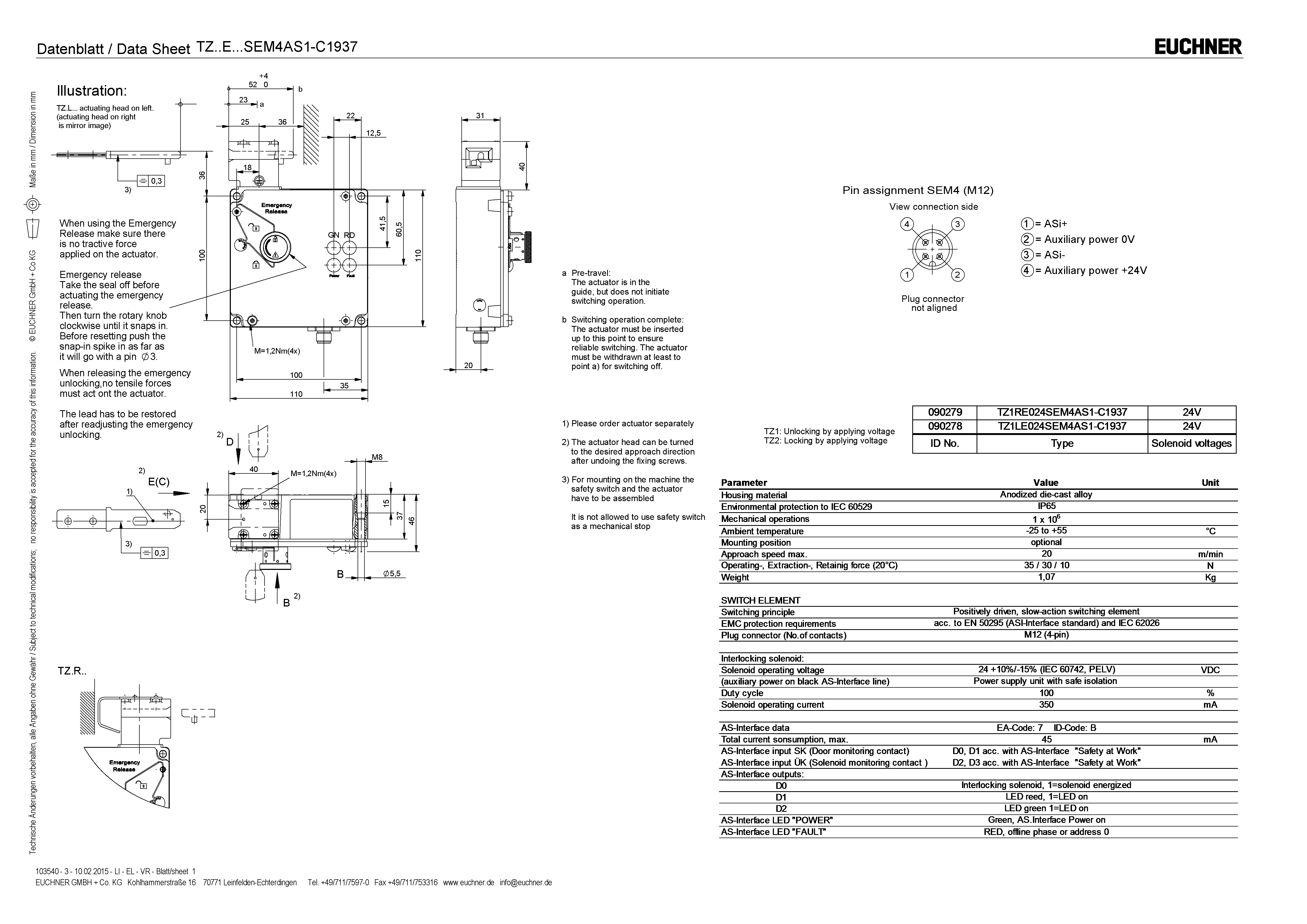
Dimensional drawings

| 1 | Emergency unlocking (rotary knob) |
| 2 | Plug connector not aligned |
Connection examples

| View of plug side |
Technical data
Approvals




Electrical connection values
| ASI operating current | max. 45 mA |
| AS-Interface auxiliary voltage | 20.4 ... 24 ... 26.4 V |
| Auxiliary current AS-Interface | 350 mA |
| AS-Interface LED | |
| red | Fault |
| green | Power |
| AS-Interface protocol | ASi-3 |
| ASI data out | D0 = control of guard locking, D1 = red LED, D2 = green LED |
| ASI data in | D0, D1 = door position, D2, D3 = guard locking |
| AS-Interface slave type | ID-Code: B, EA-Code: 7 |
| ASI voltage | 22.5 ... 30 ... 31.6 V |
| Solenoid duty cycle | 100 % |
Mechanical values and environment
| Anfahrgeschwindigkeit | max. 20 m/min |
| Approach direction | |
| Actuating head on the right | A |
| Connection type | |
| 1 x | Plug connector M12 (4-pin) |
| Number of door position positively driven contacts | |
| according to AS-i Safety at Work | |
| Number of guard lock monitoring positively driven contacts | |
| according to AS-i Safety at Work | D2,D3 (1 = locked) |
| Extraction force | 30 N |
| Actuation frequency | max. 1200 1/h |
| Actuating force | 35 N |
| Installation orientation | any |
| Insertion depth | 52 mm |
| Storage temperature | -25 ... 70 °C |
| Mechanical life | 1 x 10⁶ |
| Retention force | 10 N |
| Switching principle | Slow-action switching contact |
| Degree of protection | IP67 |
| Ambient temperature | -25 ... 55 °C |
| Material | |
| Contact | Silver alloy, gold flashed |
| Housing | Anodized die-cast alloy |
| Guard locking principle | Closed-circuit current principle |
Characteristic values according to EN ISO 13849-1 and EN IEC 62061
| B10D | Mission time | |
|---|---|---|
| Guard lock monitoring | 3x106 | 20 y |
| Important! Values valid at DC-13 100 mA/24V | ||
| PL | Maximum SIL | Category | Mission time | |
|---|---|---|---|---|
| Control of guard locking | Depending on external control of guard locking | 20 y | ||
Miscellaneous
| C number | |
| C1937 | with auxiliary release, special wiring |
In combination with actuator ACTUATOR-Z-GN
| Overtravel | 16 mm |
In combination with actuator ACTUATOR-Z-G
| Overtravel | 4 mm |
Accessories

BETAETIGER-Z-G
- Two stainless-steel safety screws per actuator

BETAETIGER-Z-G/V25
- Two stainless-steel safety screws per actuator
- Packaging unit 25 pieces

BETAETIGER-Z-GME
- Made of solid stainless steel
- Two stainless-steel safety screws per actuator

BETAETIGER-Z-GN
- Two stainless-steel safety screws per actuator

RIEGEL NZ/TZ-S1
- Bolt for safety switches NZ.VZ, NZ.VZ.VS and TZ
- Aluminum bolt
- For doors hinged on the left or right.
- Spring catch in open position
- Suitable for a door gap of approx. 15 mm

RIEGEL NZ/TZ-S2
- Bolt for safety switches NZ.VZ, NZ.VZ.VS and TZ
- Aluminum bolt
- For doors hinged on the left or right.
- Spring catch in open position
- Suitable for a door gap of approx. 15 mm

RIEGEL TZ-A
- Bolts for safety switches series TZ
- Steel bolt
- For doors hinged on the right
- Suitable for a door gap of approx. 15 mm

RIEGEL TZ-A-NIRO
- Stainless steel bolt
- For doors hinged on the right
- Suitable for a door gap of approx. 15 mm

RIEGEL TZ-A-NIRO-C2101
- Bolts for safety switches series TZ
- Stainless steel bolt
- For doors hinged on the right
- Suitable for a door gap of approx. 15 mm
Downloads
Complete package
Download all important documents with a single click.
Content:
- The operating instructions and any additions to the operating instructions or brief instructions
- Any data sheets to supplement the operating instructions
- The declaration of conformity
Single Documents
Fiche technique
Ficha de datos
Datenblatt
Ficha de dados
数据表
データ シート
데이터 시트
Datový list
Fiche technique
Ficha de datos
Datenblatt
Ficha de dados
数据表
データ シート
데이터 시트
Datový list
Other Documents
ePlan macros
CAD/eCAD
Ordering data
| Ordernumber | 090279 |
| Item designation | TZ1RE024SEM4AS1-C1937 |
| Gross weight | 1,212kg |
| Customs tariff number | 85365019000 |
| ECLASS | 27-27-26-03 Safety switch with guard control |















