C-M08F04-04X025PV02,0-ES-088812 (Order no. 088812)
Choose content
Connecting cable with plug connector M8, 4-pin, 2 m
- M8 female plug, 4-pin
- Straight plug connector
- PVC cable
- Cable length 2 m
- With flying lead

Description

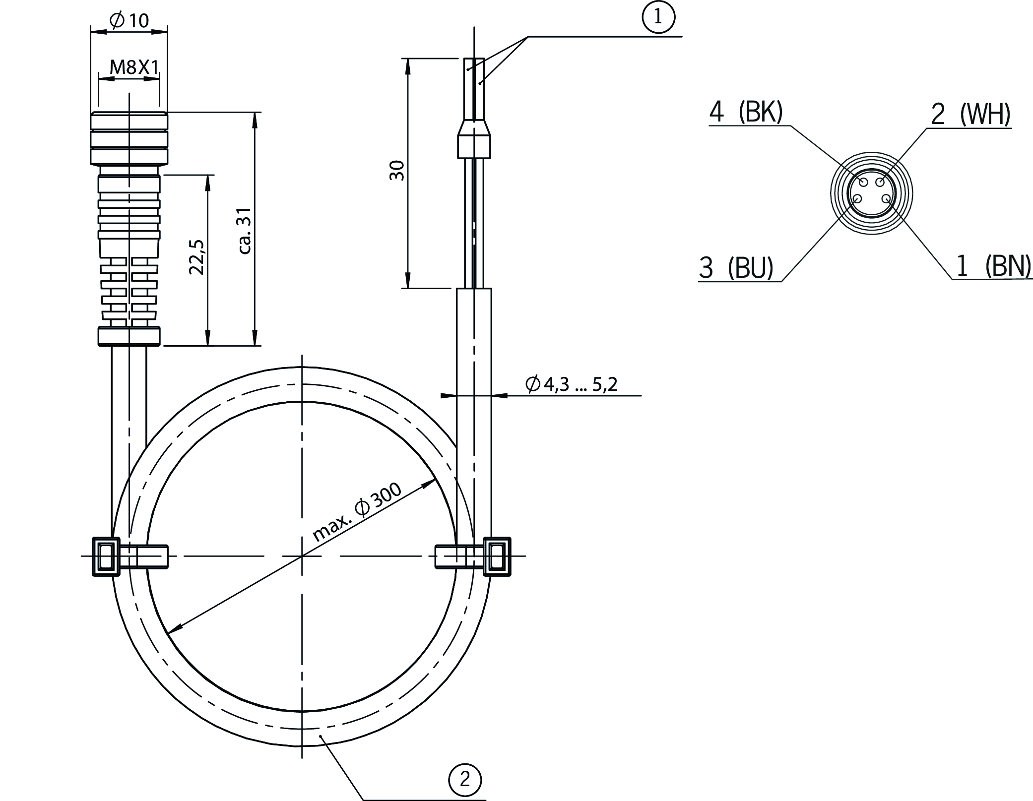
Dimensional drawings

| 1 | Cable end sleeves with insulating collar, color code according to DIN 46228 |
| 2 | PVC cable LiYY-4 x 0.25² |
Technical data
Approvals

Electrical connection values
| Connection 1 | |
| Rated voltage | 36 V |
Mechanical values and environment
| Conductor identification | Color code |
| Conductor cross-section | 0.25 mm² |
| Number of conductors | 4 |
| Tightening torque | 0.3 Nm |
| Dynamic bending radius | 10 x cable diameter |
| Static bending radius | 5 x cable diameter |
| Storage temperature | -30 ... 80 °C |
| Cable type | straight |
| Cable diameter | |
| approx. | 4.3 mm |
| Cable length | 2 m |
| Sheath color | black |
| Drag chain suitability | No |
| Cable ambient temperature (dynamic) | -5 ... 70 °C |
| Cable ambient temperature (static) | -30 ... 80 °C |
| Material | |
| Sheath | PVC |
| Connection 2 | |
| Conductor end | Cable end sleeve |
| Connection type | flying lead |
| Connection 1 | |
| Connection type | Plug connector M8x1 |
| Connection type | Female plug |
| Cable outlet | straight |
| Number of pins | 4 |
| Degree of protection | IP67 (in the inserted state) |
| Plug lock | Screw connection |
| Material | |
| Plug housing | TPU |
Downloads
Complete package
Download all important documents with a single click.
Content:
- The operating instructions and any additions to the operating instructions or brief instructions
- Any data sheets to supplement the operating instructions
- The declaration of conformity
Download Complete Package (ZIP, 1,0 MB)
Single Documents
Declarations of conformity
EU-Konformitätserklärung
Doc. no.
Version
Language
Size
EU-Konformitätserklärung
Doc. no.
EDC20001578
Version
Language
Size
0,2 MB
Instructions
Safety information
Doc. no.
Version
Language
Size
Safety information
Information de sécurité
Información de seguridad
Sicherheitsinformation
Informação de segurança
Informazioni sulla sicurezza
Bezpečnostní informace
Biztonsági információ
Информация за безопасност
Sikkerhedsinformation
Ohutusalane teave
Turvallisuustiedot
Πληροφορία ασφαλείας
Sigurnosne informacije
Informācija par drošību
Saugos informacija
Veiligheidsinformatie
Sikkerhetsinformasjon
Informacje o bezpieczeństwie
Säkerhetsinformation
Varnostne informacije
Bezpečnostné informácie
Güvenlik bilgisi
Informații privind siguranța
Information de sécurité
Información de seguridad
Sicherheitsinformation
Informação de segurança
Informazioni sulla sicurezza
Bezpečnostní informace
Biztonsági információ
Информация за безопасност
Sikkerhedsinformation
Ohutusalane teave
Turvallisuustiedot
Πληροφορία ασφαλείας
Sigurnosne informacije
Informācija par drošību
Saugos informacija
Veiligheidsinformatie
Sikkerhetsinformasjon
Informacje o bezpieczeństwie
Säkerhetsinformation
Varnostne informacije
Bezpečnostné informácie
Güvenlik bilgisi
Informații privind siguranța
Doc. no.
MAN20001593
Version
01-10/22
Language
Size
0,6 MB
Sicherheitsinformation
Doc. no.
MAN20001593
Version
01-10/22
Language
Size
0,2 MB
Other Documents
Approvals and certificates
WEEE
Doc. no.
Version
Language
Size
WEEE
Doc. no.
ECO20001806
Version
Language
Size
0,1 MB
c UL us
Doc. no.
Version
Language
Size
c UL us
Doc. no.
Version
Language
Size
1,0 MB
c UL us
Doc. no.
Version
Language
Size
0,2 MB
Sales documents
Interrupteurs de sécurité à codage magnétique CMS
Doc. no.
Version
Language
Size
Interrupteurs de sécurité à codage magnétique CMS
Doc. no.
090606
Version
10-11/20
Language
Size
5,8 MB
Magnetically Coded Safety Switches CMS
Doc. no.
Version
Language
Size
Magnetically Coded Safety Switches CMS
Doc. no.
086824
Version
10-11/20
Language
Size
5,7 MB
Magnetisch codierte Sicherheitsschalter CMS
Doc. no.
Version
Language
Size
Magnetisch codierte Sicherheitsschalter CMS
Doc. no.
086823
Version
10-11/20
Language
Size
5,6 MB
Transponder-coded safety systems with external evaluation
Doc. no.
Version
Language
Size
Transponder-coded safety systems with external evaluation
Doc. no.
127597
Version
03-08/21
Language
Size
20,4 MB
Ordering data
| Ordernumber | 088812 |
| Item designation | C-M08F04-04X025PV02,0-ES-088812 |
| Gross weight | 0,089kg |
| Customs tariff number | 85444290900 |
| ECLASS | 27-06-03-04 Appliance cord (data cable) |
