RIEGEL TZ-C (Order no. 057737)
Choose content
Bolts for safety switches series TZ
- Bolts for safety switches series TZ
- Steel bolt
- For doors hinged on the left
- Suitable for a door gap of approx. 15 mm

Description
Scope of delivery
- Actuator
To be ordered separately:
- Safety switch
Door types and door hinges
Suitable for hinged and sliding doors. Suitable for doors hinged on the left. With door stop, door cannot be opened inwards.
Integrated lockout bar
With the aid of the integrated lockout bar, the bolt can be secured in the open position, e.g. using padlocks. It is possible to prevent people from being locked in the danger area unintentionally.

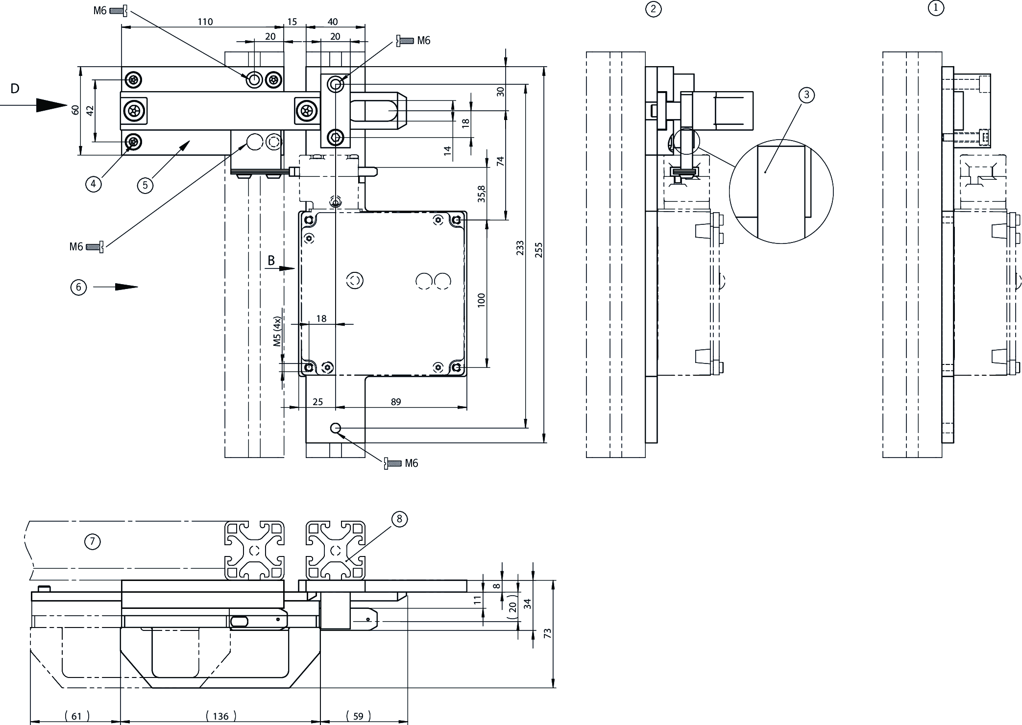
Dimensional drawings

| 1 | View B |
| 2 | View D |
| 3 | Metal sleeve |
| 4 | Stop screw locked |
| 5 | Attention! Bolt is not allowed to be used in conjunction with an escape release! |
| 6 | Safety switch TZ approach direction C |
| 7 | Door hinged on the left |
| 8 | Safety guard frame (40x40) |
Technical data
Mechanical values and environment
| Approach direction | C |
| Number of safety switches that can be mounted | 1 |
| Escape release | None |
| Storage temperature | -25 ... 70 °C |
| Material | |
| Guide strips | Plastic |
| Switch bracket | Steel powder-coated |
| Base plate | Galvanized steel |
| Handle | Plastic |
Miscellaneous
| Detent mechanism | None |
Downloads
Complete package
Download all important documents with a single click.
Content:
- The operating instructions and any additions to the operating instructions or brief instructions
- Any data sheets to supplement the operating instructions
- The declaration of conformity
Download Complete Package (ZIP, 9,2 MB)
Single Documents
Instructions
Safety Information for Bolts
Doc. no.
Version
Language
Size
Safety Information for Bolts
Information de sécurité pour verrous-targettes
Información de seguridad para cerrojos
Sicherheitsinformation für Riegel
Information de sécurité pour verrous-targettes
Información de seguridad para cerrojos
Sicherheitsinformation für Riegel
Doc. no.
2530033
Version
04-03/24
Language
Size
0,2 MB
Sicherheitsinformation für Riegel
Doc. no.
2530033
Version
04-03/24
Language
Size
0,2 MB
Informação de segurança referente ao trinco
Doc. no.
2530033
Version
04-03/24
Language
Size
0,4 MB
Informazioni sulla sicurezza per il chiavistello
Doc. no.
2530033
Version
04-03/24
Language
Size
0,1 MB
Bezpečnostní informace pro petlice
Doc. no.
2530033
Version
04-03/24
Language
Size
0,5 MB
Tolózár biztonsági információi
Doc. no.
2530033
Version
04-03/24
Language
Size
0,5 MB
Информация за безопасност за ригели
Doc. no.
2530033
Version
04-03/24
Language
Size
0,5 MB
Sikkerhedsinformation for bolte
Doc. no.
2530033
Version
04-03/24
Language
Size
0,4 MB
Ohutusalane teave riivistuste kohta
Doc. no.
2530033
Version
04-03/24
Language
Size
0,5 MB
Turvallisuustietoja salvalle
Doc. no.
2530033
Version
04-03/24
Language
Size
0,4 MB
Πληροφορίες ασφαλείας για μάνδαλα
Doc. no.
2530033
Version
04-03/24
Language
Size
0,5 MB
Sigurnosne informacije za brave
Doc. no.
2530033
Version
04-03/24
Language
Size
0,5 MB
Aizbīdņu drošības informācija
Doc. no.
2530033
Version
04-03/24
Language
Size
0,5 MB
Saugos informacija skląsčiui
Doc. no.
2530033
Version
04-03/24
Language
Size
0,5 MB
Veiligheidsinformatie voor grendels
Doc. no.
2530033
Version
04-03/24
Language
Size
0,4 MB
Sikkerhetsinformasjon for låser
Doc. no.
2530033
Version
04-03/24
Language
Size
0,4 MB
Informacje o bezpieczeństwie dotyczące użytkowania zasuw
Doc. no.
2530033
Version
04-03/24
Language
Size
0,5 MB
Säkerhetsinformation för regeln
Doc. no.
2530033
Version
04-03/24
Language
Size
0,4 MB
Varnostne informacije o zapahu
Doc. no.
2530033
Version
04-03/24
Language
Size
0,5 MB
Bezpečnostná informácia pre závory
Doc. no.
2530033
Version
04-03/24
Language
Size
0,5 MB
Sürgüler için güvenlik bilgisi
Doc. no.
2530033
Version
04-03/24
Language
Size
0,5 MB
Informații de siguranță privind zăvoarele
Doc. no.
2530033
Version
04-03/24
Language
Size
0,5 MB
Other Documents
Sales documents
Safety Switches with Metal Housing
Doc. no.
Version
Language
Size
Safety Switches with Metal Housing
Doc. no.
100369
Version
11-03/18
Language
Size
7,8 MB
Interrupteurs de sécurité avec boîtier métallique
Doc. no.
100676
Version
11-03/18
Language
Size
7,9 MB
Interruptores de seguridad con carcasa metálica
Doc. no.
104856
Version
11-03/18
Language
Size
14,0 MB
Sicherheitsschalter mit Metallgehäuse
Doc. no.
100319
Version
11-03/18
Language
Size
7,9 MB
金属壳体 的安全开关
Doc. no.
102453
Version
11-03/18
Language
Size
8,2 MB
Bezpečnostní spínače s kovovým pouzdrem
Doc. no.
121650
Version
11-03/18
Language
Size
7,8 MB
CAD/eCAD
Ordering data
| Ordernumber | 057737 |
| Item designation | RIEGEL TZ-C |
| Gross weight | 2,591kg |
| Global Trade Item Number (GTIN) | 4047048000124 |
| Customs tariff number | 83014090000 |



