HomeProdukteMultifunctional Gate Box MGB2 Modular und ClassicGriffmodule MGB2-HMGB2-H-BA1A1-L-156396
MGB2-H-BA1A1-L-156396 (Best. Nr. 156396)
Inhalte wählen
Griffmodul MGB2-H... (Türklinke, Türanschlag links)
- Intelligente Riegelzunge
- Sperreinsatz ausklappbar
- Türgriff
- Türanschlag umstellbar, Werkseinstellung: links

Beschreibung
Riegelzunge
Per Transponder wird die Riegelzunge sicher erkannt, sobald sie im Auswertemodul eingeführt ist.
Sperreinsatz (ausklappbar)
Mit dem ausklappbaren Sperreinsatz kann für Reinigungs- und Serviceeinsätze an der Maschine die Riegelzunge mit max. 3 Schlössern blockiert werden. Damit wird im gesicherten Zustand verhindert , dass der Griff betätigt werden kann.
Türgriff
Die MGB2 verfügt über einen stabilen Türgriff, der in 90°-Schritten gedreht werden kann, passend zu allen Anbausituationen. Die Betätigungsrichtung ist für links- und rechts angeschlagene Türen sehr einfach umstellbar.
Türknauf
Alternativ zum Türgriff kann das Griffmodul auch mit einem Türknauf ausgestattet sein oder nachgerüstet werden.

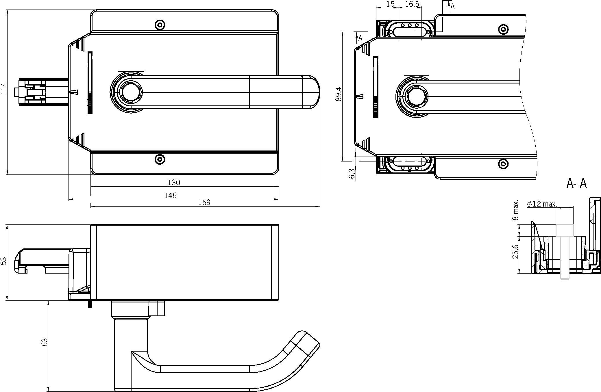
Maßzeichnungen

Technische Daten
Zulassungen

Mechanische Werte und Umgebung
| Einbaulage | Türanschlag DIN Links |
| Lagertemperatur | -30 ... 70 °C |
| Schutzart | IP65 |
| Umgebungstemperatur | -30 ... 55 °C |
| Werkstoff | |
| Gehäuse | Glasfaserverstärkter Kunstoff, Zinkdruckguss, vernickelt, Nichtrostender Stahl |
Zubehör
Funktionserweiterung
Fluchtentriegelung MGB-E-A...

100465
MGB-E-A-100465
MGB-E-A-100465
- Fluchtentriegelung aus dem Gefahrenbereich
- Türgriff signalrot
- Ausgelegt für Türprofile bis 40 mm
- Verlängerte Betätigungsachse für stärkere Türen (optional erhältlich)

163885
MGB-E-A4-163885
MGB-E-A4-163885
- Fluchtentriegelung aus dem Gefahrenbereich
- Türgriff signalrot
- Ausgelegt für Türprofile bis 45 mm
- Verlängerte Betätigungsachse für stärkere Türen (optional erhältlich)
Fluchtentriegelungsmodul MGB-E... auf Montageplatte vormontiert

106051
MGB-E-A2-106051
MGB-E-A2-106051
- Fluchtentriegelung aus dem Gefahrenbereich
- Auf Montageplatte montiert
- Türgriff signalrot
- Ausgelegt für Türprofile bis 40 mm
- Verlängerte Betätigungsachse für stärkere Türen (optional erhältlich)

126320
MGB-E-A8-126320
MGB-E-A8-126320
- Fluchtentriegelung aus dem Gefahrenbereich
- Auf Montageplatte montiert
- Türknauf signalrot
- Ausgelegt für Türprofile bis 40 mm
- Verlängerte Betätigungsachse für stärkere Türen (optional erhältlich)
Montagezubehör
Montageplatte für Griffmodul MGB2-H...

156683
AM-P-H-156683
AM-P-H-156683
- Für Griffmodul MGB2-H
- Einfache und schnelle Montage
- Schneller Modultausch
- Stahl, pulverbeschichtet
- Für rechts und links angeschlagene Türen geeignet
- inkl. Schrauben-Set

173089
AM-P-H-173089
AM-P-H-173089
- Für Griffmodul MGB2-H
- Einfache und schnelle Montage
- Schneller Modultausch
- Stahl, pulverbeschichtet
- Für rechts und links angeschlagene Türen geeignet
- inkl. Schrauben-Set
Downloads
Gesamtpaket
Alle wichtigen Dokumente mit einem Klick downloaden.
Enthält:
- Die Betriebsanleitung und ggf. Ergänzungen zur Betriebsanleitung oder Kurzanleitungen
- Ggf. Datenblätter als Ergänzung zur Betriebsanleitung
- Die Konformitätserklärung
Gesamtpaket herunterladen (ZIP, 0,4 MB)
Einzeldokumente
Konformitätserklärungen
EU-Konformitätserklärung
Dok.-Nr.
Version
Sprache
Größe
EU-Konformitätserklärung
Dok.-Nr.
EDC2500504
Version
Sprache
Größe
0,2 MB
UKCA-Konformitätserklärung
Dok.-Nr.
Version
Sprache
Größe
UKCA-Konformitätserklärung
Dok.-Nr.
EDC20001507
Version
Sprache
Größe
0,1 MB
Sonstige Dokumente
Zulassungen und Bescheinigungen
M6A Zertifikat
Dok.-Nr.
Version
Sprache
Größe
M6A Zertifikat
Dok.-Nr.
Version
Sprache
Größe
0,3 MB
Type Examination Certificate (Supply of Machinery Regulations 2008)
Dok.-Nr.
Version
Sprache
Größe
Type Examination Certificate (Supply of Machinery Regulations 2008)
Dok.-Nr.
Version
Sprache
Größe
0,4 MB
WEEE
Dok.-Nr.
Version
Sprache
Größe
WEEE
Dok.-Nr.
ECO20001806
Version
Sprache
Größe
0,1 MB
EPLAN Makros
EUC.156396
Dok.-Nr.
Version
Sprache
Größe
EUC.156396
Dok.-Nr.
Version
Sprache
Größe
0,1 MB
Bestelldaten
| Bestellnummer | 156396 |
| Artikelbezeichnung | MGB2-H-BA1A1-L-156396 |
| Bruttogewicht | 1,202kg |
| Zolltarifnummer | 85389099990 |
| ECLASS | 27-27-24-04 Betätiger für sicherheitsgerichteten Näherungsschalter |








